电脑桌面
添加小米粒文库到电脑桌面
安装后可以在桌面快捷访问

轻钢龙骨施工安装和用途VIP免费

轻钢龙骨施工安装和用途_第1页
1/5
轻钢龙骨施工安装和用途_第2页
2/5
轻钢龙骨施工安装和用途_第3页
3/5
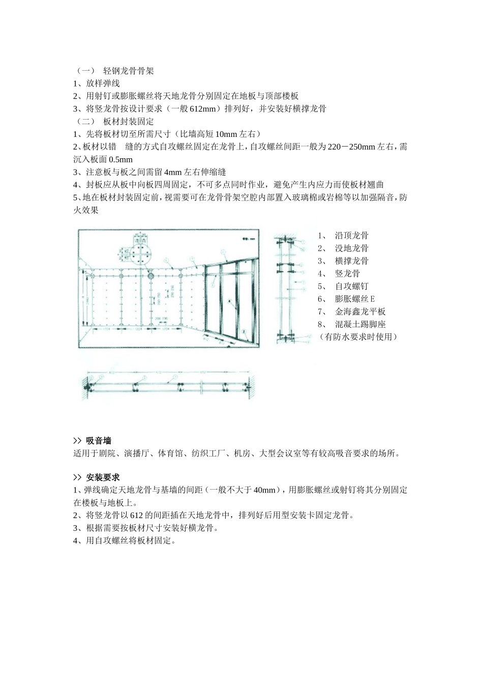
轻钢龙骨施工安装和用途本系统特别适用于办公室、会议室、宾馆、厂房、商场、大厅等大型吊顶工程。它自重轻、灵活性强,可以增加室内的亮度和美观度,减少反射光线,加铺岩棉后更具有良好的保温、隔热、隔声、吸音的作用。>>安装方法1、进行吊顶放线,确定吊杆的固定位置,吊杆中心距一般为1220mm;2、用吊件将吊杆与主龙骨连接固定,并使主龙骨保持水平;3、用挂件将次龙骨垂直固定在主龙骨上,次龙骨轴中心距为612mm;4、按需要装好横撑龙骨,横撑龙骨的中心中心距这1224mm;5、将板用自攻钉固定在闪龙骨上,并做好接缝处理。注意轻钢龙骨吊顶系统分上人型和不上人型两种,不上人型只考虑吊顶本身自重及轻型灯具,不承受其它荷载。上人型考虑上人检修时的80-100kg的活荷载。1、吊杆2、UC型龙骨吊件3、UC型龙骨挂件4、C型龙骨连接件5、U型龙骨连接件6、主龙骨7、次龙骨8、横撑龙骨>>安装方法(一)轻钢龙骨骨架1、放样弹线2、用射钉或膨胀螺丝将天地龙骨分别固定在地板与顶部楼板3、将竖龙骨按设计要求(一般612mm)排列好,并安装好横撑龙骨(二)板材封装固定1、先将板材切至所需尺寸(比墙高短10mm左右)2、板材以错缝的方式自攻螺丝固定在龙骨上,自攻螺丝间距一般为220-250mm左右,需沉入板面0.5mm3、注意板与板之间需留4mm左右伸缩缝4、封板应从板中向板四周固定,不可多点同时作业,避免产生内应力而使板材翘曲5、地在板材封装固定前,视需要可在龙骨骨架空腔内部置入玻璃棉或岩棉等以加强隔音,防火效果1、沿顶龙骨2、没地龙骨3、横撑龙骨4、竖龙骨5、自攻螺钉6、膨胀螺丝E7、金海鑫龙平板8、混凝土踢脚座(有防水要求时使用)>>吸音墙适用于剧院、演播厅、体育馆、纺织工厂、机房、大型会议室等有较高吸音要求的场所。>>安装要求1、弹线确定天地龙骨与基墙的间距(一般不大于40mm),用膨胀螺丝或射钉将其分别固定在楼板与地板上。2、将竖龙骨以612的间距插在天地龙骨中,排列好后用型安装卡固定龙骨。3、根据需要按板材尺寸安装好横龙骨。4、用自攻螺丝将板材固定。1、基墙2、沿顶龙骨3、金海鑫龙穿孔吸音机4、横掌龙骨5、U型安装夹6、吸音岩棉50-100kg/㎡7、竖龙骨8、增强玻纤带9、弹性腻子10、踢脚板11、沿地龙骨12、膨胀螺栓13、自攻螺丝14、楼板底部15、地坪>>系统特性1、可在墙面极不平整的情况下使用。2、可在空腔内加铺各种保温隔热材料。建议50-100kg/㎡岩棉。3、可在护墙内辅设管线。4、经特别处理后有独特的视觉效果。注:以上系统公为示意图,采用穿孔吸音板因板的规格尺寸不同,龙骨排列间距尺寸会有不同。本系统适用于办公室、会议室、大礼堂、餐厅、宾馆等吊顶,具有新颖美观的视觉效果。>>安装方法1、弹线确定金属吊杆中心距,一般为1200mm。2、将边龙骨用自攻镙钉水平固定在吊顶四周的墙上。3、用金属吊杆半T型主龙骨固定,T型主龙骨中心距600mm或610mm.4、将T型次龙骨插入主龙骨内,每隔600mm或610mm插一根。5、将金海鑫龙天花板(595*595mm/603*603mm/1195*595mm)搁置在T型龙骨骨架上。>>注意根据不同的施工要求(当吊顶面积较大时),应在T型龙骨上加设UC38轻钢龙骨,用挂件将吊杆与UC38轻钢龙骨相连,如客户要求使用金海鑫龙穿孔板时,为了加强系统的保温隔热及吸音性可加铺一层吸音岩棉,应搁置在UC38龙骨上。>>铝塑板专用衬板主要适用于居室、写字楼、宾馆、酒店、商场、医院、洗浴中心、机场、地铁、体育馆、图书馆、博物馆、剧院、厂房、计算机房、室内游泳馆等的铝塑板衬板>>安装方法1金海鑫龙玻镁板.一般美工刀裁切即可,可配合铝塑板做圆弧造型。2表面经砂光处理,板厚偏差小于5%,可保证铝塑板施工后的美观度。3金海鑫龙板用镀锌自攻镀螺丝进行封板,不易出现开裂、破碎的状况。4板面经砂磨后,形成细小的多角度斜布纹,便于板胶粘接。5专业用于铝塑板基层衬板,综合使用性能超过传统的密度板、木工板、水泥板、石膏板等。金海鑫龙平板,通过适当的施工,不但能获得优良的吊顶或隔墙质量,而且可稳定地保证其坚固耐用。而产品的储存与搬运,也需要注意如下事项,可保障产品保持良好的状态。>>储存1、金海鑫龙板在出厂前经过干燥处理,...

1、当您付费下载文档后,您只拥有了使用权限,并不意味着购买了版权,文档只能用于自身使用,不得用于其他商业用途(如 [转卖]进行直接盈利或[编辑后售卖]进行间接盈利)。
2、本站所有内容均由合作方或网友上传,本站不对文档的完整性、权威性及其观点立场正确性做任何保证或承诺!文档内容仅供研究参考,付费前请自行鉴别。
3、如文档内容存在违规,或者侵犯商业秘密、侵犯著作权等,请点击“违规举报”。

碎片内容

轻钢龙骨施工安装和用途

确认删除?
VIP
微信客服
  • 扫码咨询
会员Q群
  • 会员专属群点击这里加入QQ群
客服邮箱
回到顶部