电脑桌面
添加小米粒文库到电脑桌面
安装后可以在桌面快捷访问

正溴丁烷的制备 实验教案VIP免费

正溴丁烷的制备  实验教案_第1页
1/13
正溴丁烷的制备  实验教案_第2页
2/13
正溴丁烷的制备  实验教案_第3页
3/13
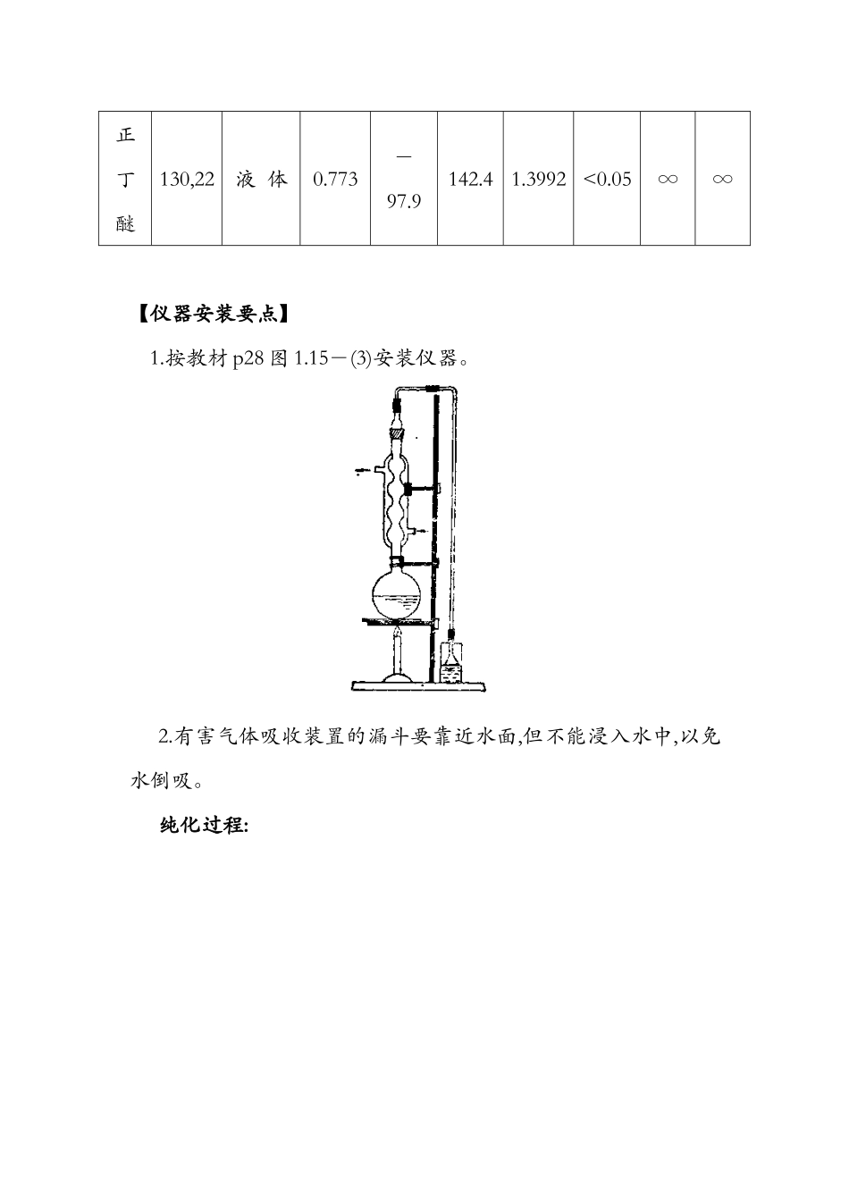
正溴丁烷的制备【实验目的】1.了解以正丁醇、溴化钠和浓硫酸为原料制备正溴丁烷的基本原理和方法。2.掌握带有害气体吸收装置的加热回流操作。3.进一步熟悉巩固洗涤、干燥和蒸馏操作。【实验原理】【实验的准备】仪器:圆底烧瓶(50ml、100ml各1个);冷凝管(直形、球形各1支);温度计套管(1个);短径漏斗(1个);烧杯(800ml1个);蒸馏头(1个);接引管(1个);水银温度计(150℃1支);锥形瓶(2个);分液漏斗(1个)。药品:正丁醇5g6.2ml(0.068mol);溴化钠(无水)8.3g(0.08mol);浓硫酸(d=1.84)10ml(0.18mol);10%碳酸钠溶液、无水氯化钙。【物理常数】化合物名称分子量性状比重(d)熔点(℃)沸点(℃)折光率(n)溶解度水乙醇乙醚正丁醇74.12液体0.810-89.8118.01.3991915∞∞正溴丁烷137.03液体1.275-112.4101.61.43960.0616∞∞溴化钠102.9无色立方晶体3.2037551390-可溶略溶不溶浓硫酸98.08无色油状液体1.2410,35340(分解)-∞1-丁烯56.10气体0.5946-185.4-6.31.3777不溶易溶易溶正丁醚130,22液体0.773-97.9142.41.3992<0.05∞∞【仪器安装要点】1.按教材p28图1.15-(3)安装仪器。2.有害气体吸收装置的漏斗要靠近水面,但不能浸入水中,以免水倒吸。纯化过程:【操作要点】1.加料:(1)溴化钠不要粘附在液面以上的烧瓶壁上。(2)从冷凝管上口加入已充分稀释、冷却的硫酸时,每加一次都要充分振荡,混合均匀。否则,因放出大量的热而使反应物氧化,颜色变深。2.加热回流:开始加热不要过猛,否则回流时反应液的颜色很快变成橙色或橙红色。应小火加热至沸,并始终保持微沸状态。反应时间约30min左右,反应时间太短,反应液中残留的正丁醇较多(即反应不完全);但反应时间过长,也不会因时间增长而增加产率。本实验在操作正常的情况下,反应液中油层呈淡黄色,冷凝管顶端亦无溴化氢逸出。3.粗蒸馏终点的判断:(1)看蒸馏烧瓶中正溴丁烷层(即油层)是否完全消失,若完全消失,说明蒸馏已达终点。(2)看冷凝管的管壁是否透明,若透明则表明蒸馏已达终点。(3)用盛有清水的试管检查馏出液,看是否有油珠下沉,若没有,表明蒸馏已达终点。4.用浓硫酸洗涤粗产物时,一定先将油层与水层彻底分开,否则浓硫酸会被稀释而降低洗涤效果。【本实验的成败关键】反应终点和粗蒸馏终点的判断。【本实验的问题】1、什么时候用气体吸收装置?如何选择吸收剂?答:反应中生成的有毒和刺激性气体(如卤化氢、二氧化硫)或反应时通入反应体系而没有完全转化的有毒气体(如氯气),进入空气中会污染环境,此时要用气体吸收装置吸收有害气体。选择吸收剂要根据被吸收气体的物理、化学性质来决定。可以用物理吸收剂,如用水吸收卤化氢;也可以用化学吸收剂,如用氢氧化钠溶液吸收氯和其它酸性气体。2、在正溴丁烷的合成实验中,蒸馏出的馏出液中正溴丁烷通常应在下层,但有时可能出现在上层,为什么?若遇此现象如何处理答:若未反应的正丁醇较多,或因蒸镏过久而蒸出一些氢溴酸恒沸液,则液层的相对密度发生变化,正溴丁烷就可能悬浮或变为上层。遇此现象可加清水稀释,使油层(正溴丁烷)下沉。3、粗产品正溴丁烷经水洗后油层呈红棕色是什么原因?应如何处理?答:油层若呈红棕色,说明含有游离的溴。可用少量亚硫酸氢钠水溶液洗涤以除去游离溴。反应方程式为:Br2+NaHSO3+H2O→2HBr+NaHSO4思考题1、本实验中硫酸的作用是什么?硫酸的用量和浓度过大或过小有什么不好?答:作用是:反应物、催化剂。过大时,反应生成大量的HBr跑出,且易将溴离子氧化为溴单质;过小时,反应不完全。2、反应后的产物中可能含有哪些杂质?各步洗涤目的何在?用浓硫酸洗涤时为何需用干燥的分液漏斗?答:可能含有杂质为:n-C4H9OH,(n-C2H5)2O,HBr,n-C4H9Br,H2O各步洗涤目的:①水洗除HBr、大部分n-C4H9OH②浓硫酸洗去(n-C4H9)2O,余下的n-C4H9OH③再用水洗除大部分H2SO4④用NaHCO3洗除余下的H2SO4⑤最后用水洗除NaHSO4与过量的NaHCO3等残留物。用浓硫酸洗时要用干燥分液漏斗的目的是防止降低硫酸的浓度,影响洗涤效果。如果1-溴丁烷中含有正丁醇,蒸馏时会形成前馏分(1-溴丁烷-正丁醇的恒沸点98.6℃,含正丁醇13%),而导...

1、当您付费下载文档后,您只拥有了使用权限,并不意味着购买了版权,文档只能用于自身使用,不得用于其他商业用途(如 [转卖]进行直接盈利或[编辑后售卖]进行间接盈利)。
2、本站所有内容均由合作方或网友上传,本站不对文档的完整性、权威性及其观点立场正确性做任何保证或承诺!文档内容仅供研究参考,付费前请自行鉴别。
3、如文档内容存在违规,或者侵犯商业秘密、侵犯著作权等,请点击“违规举报”。

碎片内容

正溴丁烷的制备 实验教案

您可能关注的文档

确认删除?
VIP
微信客服
  • 扫码咨询
会员Q群
  • 会员专属群点击这里加入QQ群
客服邮箱
回到顶部