电脑桌面
添加小米粒文库到电脑桌面
安装后可以在桌面快捷访问

石英砂过滤器操作维护手册

石英砂过滤器操作维护手册_第1页
1/7
石英砂过滤器操作维护手册_第2页
2/7
石英砂过滤器操作维护手册_第3页
3/7
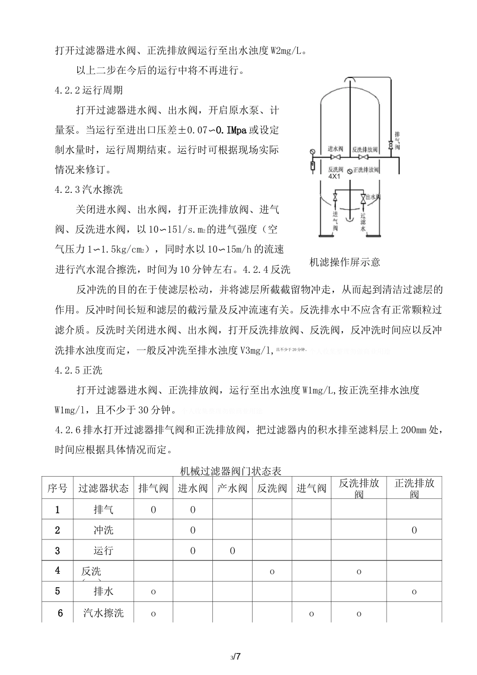
1/7石英砂过滤器操作维护手册1、工作原理机械过滤器,用于原水的除浊处理。将原水送入装有各级匹配的石英砂的机械过滤器,利用石英砂的截污能力,可有效地去除水中的较大颗粒悬浮物和胶体等,使出水的浊度小于lmg/l,以保证后续处理的正常运行。个人收集整理勿做商业用原水在管道内加入絮凝剂,絮凝剂在水中发生离子水解和聚合过程,水中胶体粒子对水解及聚集的各种产物进行强烈的吸附,使粒子表面电荷和扩散厚度同时降低,因而粒子间相互排斥能降低,相互接近而凝聚,水解产生的聚合物被两个以上的胶体吸附后,在粒子间产生架桥联接,逐步形成较大的絮凝体,经过机械过滤器时,为砂滤料载留。个人收集整理勿做商业用途机械过滤器的吸附是一种物理吸附,按滤料的填装方式大体可分为松散区(粗砂)、紧密区(细砂),悬浮物质在松散区主工通过流动接触产生接触凝聚作用,所以该区域截留较大颗粒的悬浮物质,在紧密区主要是惯性碰撞及悬浮颗粒间的吸附作用,所以该区域是截留较小颗粒的悬浮物质。个人收集整理勿做商业用途当机械过滤器因截留过量的机械杂质而影响其正常工作,则可用反冲洗的方法来进行清洗。利用逆向进水,同时通入压缩空气,进行气水混合擦洗,使过滤器内砂滤层松动,可使粘附于石英砂表面的截留物剥离并被反冲水流带走,有利于排除滤层中的沉渣、悬浮物等,并防止滤料板结,使其充分恢复截污能力,从而达到清洗的目的。反洗以进出口压差参数设置来控制反冲洗周期,经验得知一般为一天,具体须视原水浊度而定。个人收集整理勿做商业用途机械过滤器采用不锈钢操作阀组,过滤器的启运、正洗、反洗、停机等工序均是手动控制操作。当机械过滤器运行至进出口压差为 0.07MPa 时,必须进行反洗。2、结构特点设备本体是带上下椭圆封头的圆柱形钢结构,过滤器材质为 Q235—A 或 304 不锈钢,内衬硫化橡胶防腐,内部在进水口设有布水器,下部设有集水装置,集水装置上填装 1400mm 的石英砂。成套设备的本体外部装置有各种控制阀门和流量计、压力表。机械过滤器所填填料包括精制石英砂。填高如下:个人收集整理勿做石英砂 0.4-0.6mm700mm石英砂 0.6-1.2mm200mm石英砂 1.2-2.0mm200mm2/7承托层 3.0-5.0mm300mm3、技术参数工作压力:V0.6Mpa水压试验:0.75Mpa进水浊度:V5mg/L。出水浊度:Vlmg/L。工作温度:5-40°C运行流速:6〜8m/h反洗强度:12〜16L/m2•s填料高度:1400mm4、运行操作说明4.1 开机准备检查过滤器本体及附属的各种...

1、当您付费下载文档后,您只拥有了使用权限,并不意味着购买了版权,文档只能用于自身使用,不得用于其他商业用途(如 [转卖]进行直接盈利或[编辑后售卖]进行间接盈利)。
2、本站所有内容均由合作方或网友上传,本站不对文档的完整性、权威性及其观点立场正确性做任何保证或承诺!文档内容仅供研究参考,付费前请自行鉴别。
3、如文档内容存在违规,或者侵犯商业秘密、侵犯著作权等,请点击“违规举报”。

碎片内容

石英砂过滤器操作维护手册

确认删除?
VIP
微信客服
  • 扫码咨询
会员Q群
  • 会员专属群点击这里加入QQ群
客服邮箱
回到顶部