电脑桌面
添加小米粒文库到电脑桌面
安装后可以在桌面快捷访问

地面 工程质量验收记录VIP免费

地面   工程质量验收记录_第1页
1/9
地面   工程质量验收记录_第2页
2/9
地面   工程质量验收记录_第3页
3/9
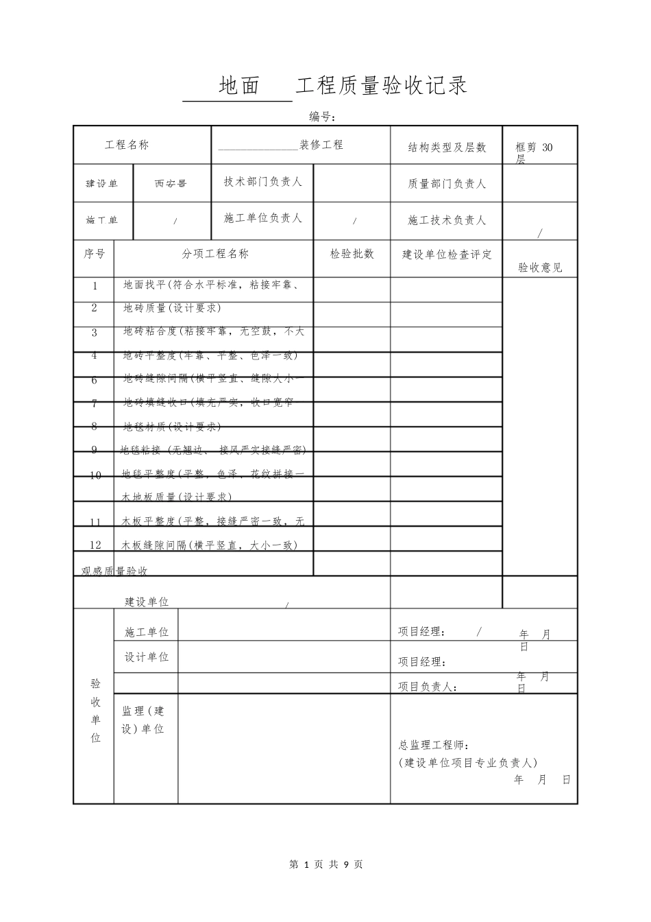
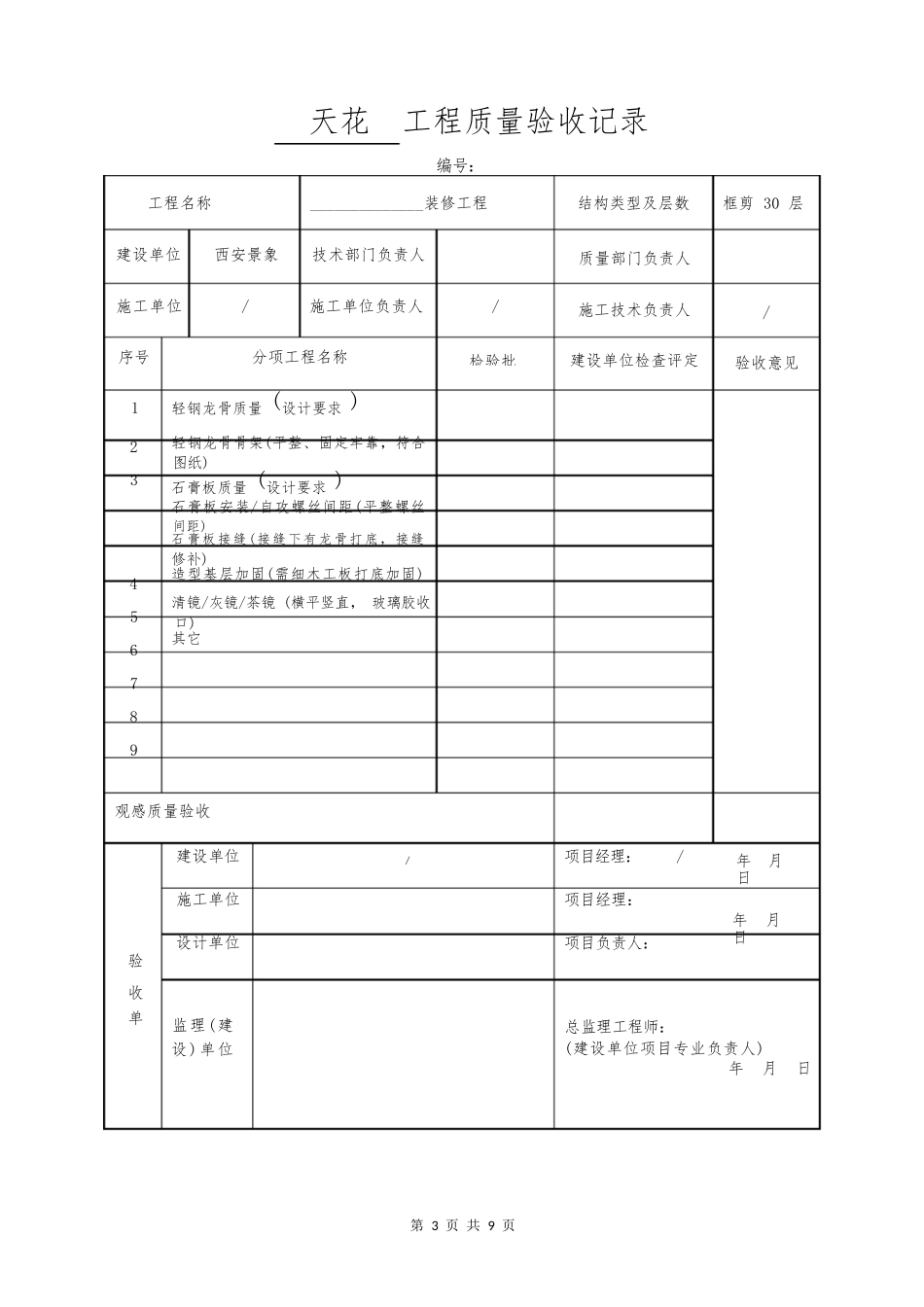
地面工程质量验收记录编号:工程名称______________装修工程技术部门负责人施工单位负责人序号分项工程名称检验批数1地面找平(符合水平标准,粘接牢靠、2地砖质量(设计要求)3地砖粘合度(粘接牢靠,无空鼓,不大4地砖平整度(牢靠、平整、色泽一致)6地砖缝隙间隔(横平竖直、缝隙大小一7地砖填缝收口(填充严实,收口宽窄一8地毯材质(设计要求)9地毯粘接(无翘边、接风严实接缝严密)10地毯平整度(平整,色泽、花纹拼接一木地板质量(设计要求)11木板平整度(平整,接缝严密一致,无12木板缝隙间隔(横平竖直,大小一致)观感质量验收建设单位施工单位设计单位监理(建设)单位结构类型及层数质量部门负责人施工技术负责人建设单位检查评定框剪30层/验收意见项目经理:/项目经理:项目负责人:总监理工程师:(建设单位项目专业负责人)年月日第1页共9页年月日年月日施工单建设单西安景///验收单位墙体工程质量验收记录编号:工程名称______________装修工程结构类型及层数框剪30层建设单位西安景象技术部门负责人施工单位/施工单位负责人/分项工程名称轻钢龙骨厚度(设计要求)轻钢龙骨骨架(平整、固定牢靠,符合图纸)石膏板厚度(设计要求)石膏板安装/自攻螺丝间距石膏板接缝/基层处理墙面砖质量(设计要求)墙面平整度(横平竖直,无歪扭)墙面砖缝间隔(缝隙一致,横平竖直)墙砖粘接度(无空鼓,粘接牢靠)墙砖填缝收口(填充严实,收口宽窄一致)9质量部门负责人施工技术负责人建设单位检查评定/验收意见观感质量验收建设单位/项目经理:/年月日施工单位项目经理:年月日设计单位项目负责人:年月日监理(建设)单位年月日第2页共9页总监理工程师:(建设单位项目专业负责人)序号1245678检验批验收单天花工程质量验收记录编号:工程名称______________装修工程结构类型及层数框剪30层建设单位西安景象技术部门负责人施工单位/施工单位负责人/序号123456789分项工程名称轻钢龙骨质量(设计要求)轻钢龙骨骨架(平整、固定牢靠,符合图纸)石膏板质量(设计要求)石膏板安装/自攻螺丝间距(平整螺丝间距)石膏板接缝(接缝下有龙骨打底,接缝修补)造型基层加固(需细木工板打底加固)清镜/灰镜/茶镜(横平竖直,玻璃胶收口)其它质量部门负责人施工技术负责人建设单位检查评定/验收意见观感质量验收建设单位施工单位设计单位监理(建设)单位项目经理:/项目经理:项目负责人:总监理工程师:(建设单位项目专业负责人)年月日第3页共9页年月日年月日/验收单检验批防水/水路/洁具工程质量验收记录编号:工程名称______________装修工程结构类型及层数框剪30层建设单位西安景象技术部门负责人质量部门负责人施工单位施工单位负责人施工技术负责人/序号123456789101112分项工程名称防水材料质量防水材料涂刷次数(按照工序要求不少于2)次防水材料涂刷厚度(按照标准要求)防水涂刷高度(不低于地面30CM,喷淋1.8)闭水试验(不低于24H)地下管件接头(不允许地埋,接头必须外露)管路敷设(横平竖直,接头严密可靠、有管)卡固定)自来水压力测试(6KG压力测试24H)地暖管道接头(不允许地埋,接头必须外露)地暖管道打压测试(不高于12KG压力测24)马桶/淋浴(上下水正常,淋浴混水可调)下水管道、地漏(无堵塞,下水通畅无积水)观感质量验收建设单位施工单位设计单位监理(建设)单位检验批数建设单位检查评定验收意见项目经理:/年月日项目经理:年月日项目负责人:年月日总监理工程师:(建设单位项目专业负责人)年月日第4页共9页/验收单位电路工程质量验收记录编号:工程名称______________装修工程结构类型及层数框剪30层建设单位西安景象技术部门负责人施工单位/施工单位负责人/序号分项工程名称检验批数1线材质量/线径(标准要求)2KBG管质量(标准要求)3KBG管敷设/管卡间距(接头无毛刺,平整)4电路回路控制(空调、淋浴、普插单独分控)5电流测试(过载、偏流检查)6配电箱检查(总开、漏电保护器、控制标注)7分线盒检查(分线盒接头松紧、绝缘等)8相续检查(按照规范检查插座火线零线地线)9接头松动检查(主要为分线盒、配电箱检查)10插座/开关1112质量部门负责人施工技术负责人施工单位检查评定/验收意见观感质量验收建设单位/项目经理:/年月日施工单位...

1、当您付费下载文档后,您只拥有了使用权限,并不意味着购买了版权,文档只能用于自身使用,不得用于其他商业用途(如 [转卖]进行直接盈利或[编辑后售卖]进行间接盈利)。
2、本站所有内容均由合作方或网友上传,本站不对文档的完整性、权威性及其观点立场正确性做任何保证或承诺!文档内容仅供研究参考,付费前请自行鉴别。
3、如文档内容存在违规,或者侵犯商业秘密、侵犯著作权等,请点击“违规举报”。

碎片内容

地面 工程质量验收记录

您可能关注的文档

确认删除?
VIP
微信客服
  • 扫码咨询
会员Q群
  • 会员专属群点击这里加入QQ群
客服邮箱
回到顶部