电脑桌面
添加小米粒文库到电脑桌面
安装后可以在桌面快捷访问

冷却塔冷却效率评价管理方法VIP专享

冷却塔冷却效率评价管理方法_第1页
1/9
冷却塔冷却效率评价管理方法_第2页
2/9
冷却塔冷却效率评价管理方法_第3页
3/9
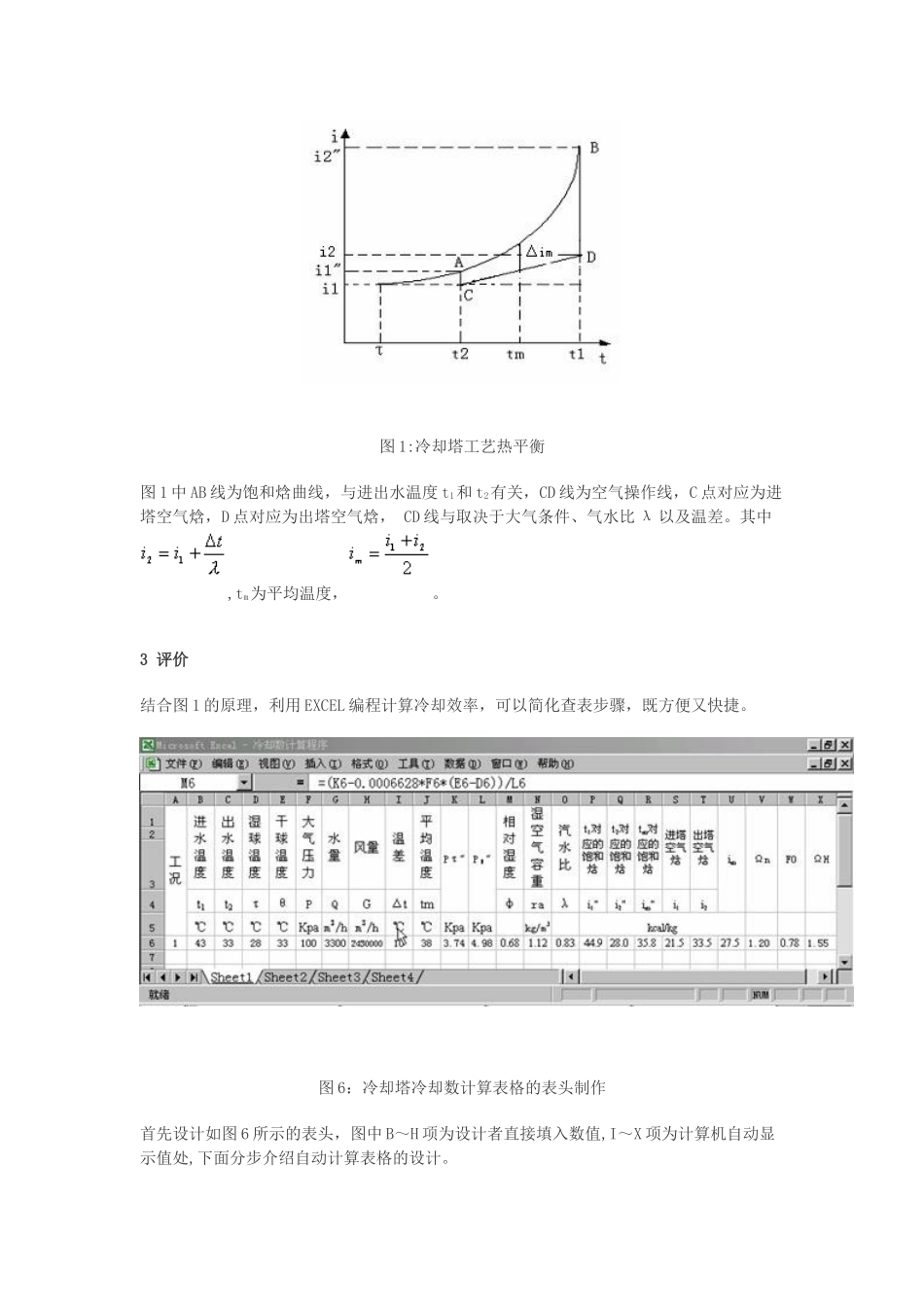
冷却塔冷却效率评价方法摘要: 利用图形法和 EXCEL 电子表格编程,对冷却塔冷却效率作出简单直观的判断,既方便又准确,大大简化了计算程序。1 前言 冷却塔的热力计算相当复杂,手算程序尤其繁琐,并且还涉及到查表,而目前市场上虽然有一些商业性的软件,但大部分是针对小型玻璃钢冷却塔设计的,对于大型的工业冷却塔而言,计算起来误差较大,并且使用起来不方便,图形法分析能省去计算,但存在只能定性分析而不能定量分析等缺陷,考虑到焓差法计算是冷却塔热力计算的基础理论,结合冷却塔工艺热平衡图,笔者采用 EXCEL 电子表格设计了热力计算程序,只需具备 EXCEL 编辑公式的能力就可直接操作,操作简单,方便实用。非常适合于从事冷却塔设计和运行管理的工程技术人员使用。2 理论分析………….(1)Q:冷却水量,m3/h βxv:容积散质系数,kg/m3hk:蒸发水量散热系数 i,i”空气焓值,饱和焓值,kJ/kg Cw:水的比热,kJ/kg℃式(1)中右边表示冷却塔的冷却任务的大小,称冷却数或交换数。与设计的进出水水温、温差以及大气气象条件决定的 ,左边为选定的淋水填料所具有的冷却能力,称冷却特性数,与选择填料的热力性能和气水比有关,对于给定的冷却任务而言,可以选择适当的填料以及填料体积来满足冷却任务。(1)式右边可用 1 所示的冷却塔工艺热平衡形象地表述水与空气之间的关系及焓差推动力。图 1:冷却塔工艺热平衡图 1 中 AB 线为饱和焓曲线,与进出水温度 t1和 t2有关,CD 线为空气操作线,C 点对应为进塔空气焓,D 点对应为出塔空气焓, CD 线与取决于大气条件、气水比 λ 以及温差。其中,tm为平均温度,。3 评价结合图 1 的原理,利用 EXCEL 编程计算冷却效率,可以简化查表步骤,既方便又快捷。图 6:冷却塔冷却数计算表格的表头制作首先设计如图 6 所示的表头,图中 B~H 项为设计者直接填入数值,I~X 项为计算机自动显示值处,下面分步介绍自动计算表格的设计。1).饱和水蒸汽压力的计算 计算饱和水蒸汽压力式中 T=273+θ(θ 为空气温度℃)Pq˝=98.065×10E(kpa)则相当于湿球温度 τ 的水蒸气压力编写方法是用鼠标单击 K6 处,然后在如图所示的编辑输入=98.065*10^(0.014196-3.142305*(1000/(273+D6)-1000/373.16)+8.2*Lg(373.16/(273+D6))-0.0024804*(373.16-(273+D6))),输完之后单击编辑栏右侧的等于号,待屏幕弹出对话框,再单击“Enter”键,此时相当于湿球温度 τ 水蒸气压力公式编辑完毕...

1、当您付费下载文档后,您只拥有了使用权限,并不意味着购买了版权,文档只能用于自身使用,不得用于其他商业用途(如 [转卖]进行直接盈利或[编辑后售卖]进行间接盈利)。
2、本站所有内容均由合作方或网友上传,本站不对文档的完整性、权威性及其观点立场正确性做任何保证或承诺!文档内容仅供研究参考,付费前请自行鉴别。
3、如文档内容存在违规,或者侵犯商业秘密、侵犯著作权等,请点击“违规举报”。

碎片内容

冷却塔冷却效率评价管理方法

您可能关注的文档

确认删除?
VIP
微信客服
  • 扫码咨询
会员Q群
  • 会员专属群点击这里加入QQ群
客服邮箱
回到顶部