电脑桌面
添加小米粒文库到电脑桌面
安装后可以在桌面快捷访问

焊缝质量标准和焊缝等级分类..

焊缝质量标准和焊缝等级分类.._第1页
1/11
焊缝质量标准和焊缝等级分类.._第2页
2/11
焊缝质量标准和焊缝等级分类.._第3页
3/11
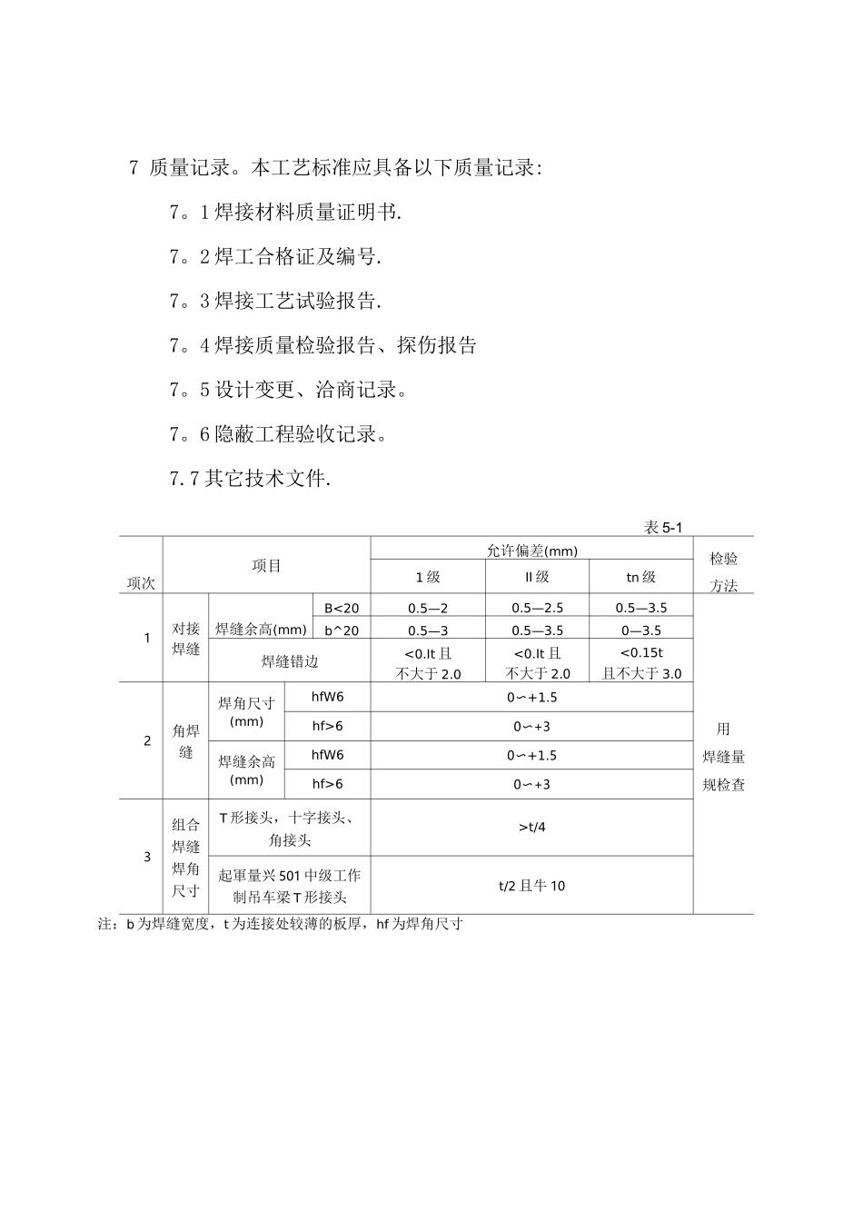
焊缝质量标准4。1 保证项目4。1.1 焊接材料应符合设计要求和有关标准的规定,应检查质量证明书及烘焙记录。4.1。2 焊工必须经考试合格,检查焊工相应施焊条件的合格证及考核日期。4.1.3I、II 级焊缝必须经探伤检验,并应符合设计要求和施工及验收规范的规定,检查焊缝探伤报告。4。1.4 焊缝表面 1、11 级焊缝不得有裂纹、焊瘤、烧穿、弧坑等缺陷。II 级焊缝不得有表面气孔、夹渣、弧坑、裂纹、电弧擦伤等缺陷,且 I 级焊缝不得有咬边、未焊满等缺陷。4.2 基本项目4.2.1 焊缝外观:焊缝外形均匀,焊道与焊道、焊道与基本金属之间过渡平滑,焊渣和飞溅物清除干净。4.2.2 表面气孔:1、11 级焊缝不允许;III 级焊缝每 50mm 长度焊缝内允许直径 W0.41;且 W3mm 气孔 2 个;气孔间距 W6 倍孔径。4。2.3 咬边:I 级焊缝不允许.II 级焊缝:咬边深度 W0.051,且 W0.5mm,连续长度W100mm,且两侧咬边总长 W10%焊缝长度。III 级焊缝:咬边深度 W0。11,且 Wlmm。注:1 为连接处较薄的板厚。4.3 允许偏差项目,见表 5-1。5 成品保护。5。1 焊后不准撞砸接头,不准往刚焊完的钢材上浇水。低温下应采取缓冷措施.5。2 不准随意在焊缝外母材上引弧。5。3 各种构件校正好之后方可施焊,并不得随意移动垫铁和卡具,以防造成构件尺寸偏差.隐蔽部位的焊缝必须办理完隐蔽验收手续后,方可进行下道隐蔽工序。5。4 低温焊接不准立即清渣,应等焊缝降温后进行。6 应注意的质量问题6.1 尺寸超出允许偏差:对焊缝长宽、宽度、厚度不足,中心线偏移,弯折等偏差,应严格控制焊接部位的相对位置尺寸,合格后方准焊接,焊接时精心操作。6.2 焊缝裂纹:为防止裂纹产生,应选择适合的焊接工艺参数和施焊程序,避免用大电流,不要突然熄火,焊缝接头应搭 10〜15mm,焊接中木允许搬动、敲击焊件.6。3 表面气孔:焊条按规定的温度和时间进行烘焙,焊接区域必须清理干净,焊接过程中选择适当的焊接电流,降低焊接速度,使熔池中的气体完全逸出。6。4 焊缝夹渣:多层施焊应层层将焊渣清除干净,操作中应运条正确,弧长适当。注意熔渣的流动方向,采用碱性焊条时,上须使熔渣留在熔渣后面.7 质量记录。本工艺标准应具备以下质量记录:7。1 焊接材料质量证明书.7。2 焊工合格证及编号.7。3 焊接工艺试验报告.7。4 焊接质量检验报告、探伤报告7。5 设计变更、洽商记录。7。6 隐蔽工程验收记录。7.7 其它技术文件.表 5-1项次项目允许偏差(mm)检验方法...

1、当您付费下载文档后,您只拥有了使用权限,并不意味着购买了版权,文档只能用于自身使用,不得用于其他商业用途(如 [转卖]进行直接盈利或[编辑后售卖]进行间接盈利)。
2、本站所有内容均由合作方或网友上传,本站不对文档的完整性、权威性及其观点立场正确性做任何保证或承诺!文档内容仅供研究参考,付费前请自行鉴别。
3、如文档内容存在违规,或者侵犯商业秘密、侵犯著作权等,请点击“违规举报”。

碎片内容

焊缝质量标准和焊缝等级分类..

您可能关注的文档

wxg+ 关注
实名认证
内容提供者

该用户很懒,什么也没介绍

确认删除?
VIP
微信客服
  • 扫码咨询
会员Q群
  • 会员专属群点击这里加入QQ群
客服邮箱
回到顶部