电脑桌面
添加小米粒文库到电脑桌面
安装后可以在桌面快捷访问

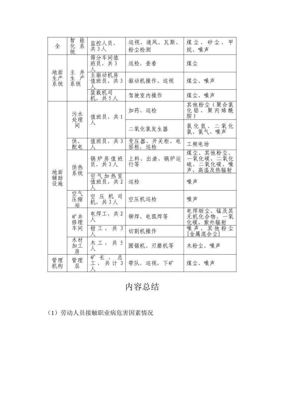
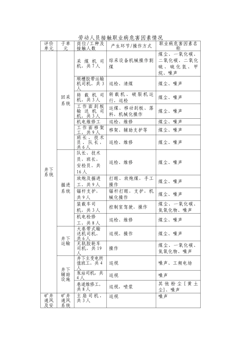
不同工种接触职业病危害情况

不同工种接触职业病危害情况_第1页
1/2
不同工种接触职业病危害情况_第2页
2/2
劳动人员接触职业病危害因素情况评价单元子单元岗位/工种及接触人数产生环节/操作方式职业病危害因素名称井下系统回采系统采 煤 机 司机,共 7 人综采设备机械操作割煤煤尘、一氧化碳、二氧化碳、二氧化硫 、 硫 化 氢 、 甲烷、噪声顺槽胶带运输机司机,共 3人巡检、清煤煤尘、噪声转 载 机 司机,共 3 人转 载 机 、 破 裂 机 运行,巡检煤尘、噪声工 作 面 刮 板输 送 机 司机,共 3 人运煤、移动刮板、落料,机械化操作煤尘、噪声机电维修工巡检、维修煤尘、噪声工 作 面 移 架工,共 9 人移架、辅助支护等煤尘、噪声班 长 、 技 术员 、 队 长 ,共 6 人巡检、维修煤尘、噪声掘进系统队长、技术员,班长,安检员,共16 人巡检、维修煤尘、噪声放炮及掘进工,共 9 人打眼、放炮煤,手工操作煤尘、噪声锚杆支护,共 9 人锚杆打眼,支护,机械化操作煤尘、噪声装载车司机,共 3 人控制室驾驶,操作煤尘、一氧化碳、氮氧化物、噪声机电检修工,共 8 人巡检、维修煤尘、噪声井下运输大巷带式输送机司机,共 6 人巡视、操作煤尘、噪声无轨胶轮车司机,共 19人操作煤尘、一氧化碳、氮氧化物、噪声井下辅助设施井下主变电所值班工,共 4人巡视噪声、工频电场泵站司机,共4 人巡视噪声巷道维修工,共 8 人巡视,喷浆其 他 粉 尘 [ 黄 土尘]、噪声矿井通风及安矿井通风系统主 扇 司 机 ,共 3 人巡视噪声全智 能化 系统监控人员,共 3 人巡视,通风、瓦斯、粉尘检测煤 尘 、 矽 尘 、 甲烷、噪声地面生产系统主 井生 产系统筛分车间值班员,共 3人巡检,查看煤尘主驱动机房值班员,共 3人驱动机操作、巡视煤尘、噪声装载机司机,共 5 人驾驶室内操作煤尘、噪声地面辅助设施污水处理间值班员,共 1人加药、巡检其他粉尘(聚合氯化 铝 、 聚 丙 烯 酰胺)二氧化氯发生器氯 化 氢 、 二 氧 化氯、氯气、噪声供、配电值班员,共 3人变压器、开关柜、电容柜,巡检工频电场供热系统锅 炉 房 值 班员,共 3 人上料、出渣、锅炉运行等煤尘、其他粉尘、一氧化碳、二氧化硫、二氧化碳、噪声、高温及热辐射空 气 加 热 室值班员,共 2人巡检噪声空气压缩站空 压 机 司机,共 3 人空压机巡检噪声矿井修理车间电焊工,共 2人铆焊、电弧焊等电焊烟尘、锰及其无机化合物、一氧化碳、紫外辐射钳 工 , 共 3人切割机操作噪 声 、 其 他 粉 尘[金属混合尘]木材加工房木 工 , 共 5人圆锯机、刃磨机等木粉尘、噪声管理机构管理层矿 长 、 总工 , 共 计 3人带队,巡视,下矿煤尘、噪声内容总结(1)劳动人员接触职业病危害因素情况

1、当您付费下载文档后,您只拥有了使用权限,并不意味着购买了版权,文档只能用于自身使用,不得用于其他商业用途(如 [转卖]进行直接盈利或[编辑后售卖]进行间接盈利)。
2、本站所有内容均由合作方或网友上传,本站不对文档的完整性、权威性及其观点立场正确性做任何保证或承诺!文档内容仅供研究参考,付费前请自行鉴别。
3、如文档内容存在违规,或者侵犯商业秘密、侵犯著作权等,请点击“违规举报”。

碎片内容

不同工种接触职业病危害情况

津创媒+ 关注
实名认证
内容提供者

欢迎交流文创,小店资料希望满足您的需要。

确认删除?
VIP
微信客服
  • 扫码咨询
会员Q群
  • 会员专属群点击这里加入QQ群
客服邮箱
回到顶部