电脑桌面
添加小米粒文库到电脑桌面
安装后可以在桌面快捷访问

人工挖孔技术交底记录

人工挖孔技术交底记录_第1页
1/8
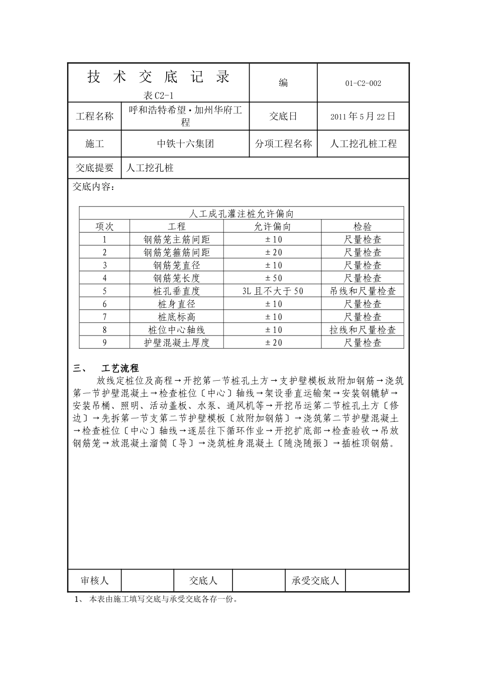
人工挖孔技术交底记录_第2页
2/8
人工挖孔技术交底记录_第3页
3/8
技术交底记录表 C2-1 编01-C2-002工程名称呼和浩特希望·加州华府西区工程交底日2011 年 5 月 22 日施工中铁十六集团分项工程名称人工挖孔桩交底提要人工挖孔桩交底内容:一、施工准备: 〔一〕 、作业条件1.本技术交底为住宅楼人工挖孔桩技术交底现场施工人员需要熟悉 施工图纸及场地的地下土质资料做到心中有数。2.井壁支护要根据该地区的土质特点编制实在可行的施工方案进 行井壁支护的计算和设计。3.开挖前场地完成三通一平。地上、地下的电缆、线、旧建筑物、设备根底等障碍物均已排除处理完毕。各项临时设施如照明、动力、通风、平安设施设备就绪。4.按根底平面图设置桩位轴线、定位点;桩孔四周洒灰线测定高程水准点。放线工序完成后验收手续。5.全面开挖之前有选择的先挖两个实验桩孔分析土质等有关情况以此修改原编制的施工方案。6.人工挖孔操作的平安至关重要开挖前对施工人员进展全面的平安技术交底;操作前对吊具进展平安可靠的检查和实验确保施工平安。〔二〕 、材料要求1. 水泥:采纳 32.5 级以上普通硅酸盐水泥或矿渣硅酸盐水泥有合格证出场检验和进场检验。2. 砂:中砂或粗砂有进场检验。3. 水:自来水或不含有害物质的洁净水。4. 钢筋:钢筋的品种、级别或规格必须符合设计要求有合格证出场检验和进场复验外表清洁无老锈和油污。审核人交底人承受交底人1、本表由施工填写交底与承受交底各存一份。 技术交底记录表 C2-1 编01-C2-002工程名称呼和浩特希望·加州华府西区工程2011 年 5 月 22日2011 年 5 月 22 日施工中铁十六集团人工挖孔桩人工挖孔桩工程交底提要人工挖孔桩交底内容:5. 外加剂、掺和剂:根据施工需要通过试验确定有出厂质量证明、检测、复试。〔三〕施工工具 三不搭、手推车或翻斗车、镐、锹、手铲、钎、线坠、混凝土搅拌机、吊桶、溜槽、导、振捣棒、插钎、粗麻绳、钢丝绳、平安活动盖板、防水照明灯〔低压 36V、100W〕、电焊机、通风及供氧设备、钢辘轳、活动爬梯、平安带等。模板:卡具、挂钩和零配件。木板、木方、8 或 12 槽钢等。二、质量要求(一)保证工程1. 灌注桩的原材料和混凝土强度必须符合设计要求和施工标准的规定。2. 实际浇注混凝土量严禁小于计算体积。3. 浇注混凝土后的桩顶标高及浮浆的处理必须符合设计要求和施工标准的规定。(二)根本工程1.桩孔垂直度应严格控制。一般不应超过桩长的 3 且不超过 50mm。2.不允许有孔底虚土桩底应落在持力土层...

1、当您付费下载文档后,您只拥有了使用权限,并不意味着购买了版权,文档只能用于自身使用,不得用于其他商业用途(如 [转卖]进行直接盈利或[编辑后售卖]进行间接盈利)。
2、本站所有内容均由合作方或网友上传,本站不对文档的完整性、权威性及其观点立场正确性做任何保证或承诺!文档内容仅供研究参考,付费前请自行鉴别。
3、如文档内容存在违规,或者侵犯商业秘密、侵犯著作权等,请点击“违规举报”。

碎片内容

人工挖孔技术交底记录

您可能关注的文档

确认删除?
VIP
微信客服
  • 扫码咨询
会员Q群
  • 会员专属群点击这里加入QQ群
客服邮箱
回到顶部