电脑桌面
添加小米粒文库到电脑桌面
安装后可以在桌面快捷访问

某高速特大桥健康监测与安全评估系统监理细则

某高速特大桥健康监测与安全评估系统监理细则_第1页
1/29
某高速特大桥健康监测与安全评估系统监理细则_第2页
2/29
某高速特大桥健康监测与安全评估系统监理细则_第3页
3/29
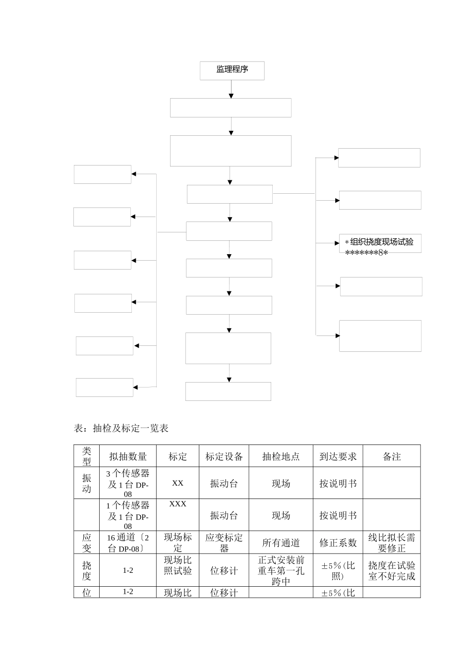
XX 高速 XXXX监测和评估工程 XX 高速公路 XXX 特大桥安康监测与平安评估系统施工监理流程及细那么 编写: 〔XXXXXXXXXX〕 〔XXXXXX 高速公路有限责任〕 XXXXXXXXXXXXX 年 X 月 X 日 文 件 版 次 日 项 目XXXXXX 监测和评估监理细那么共 X 页(包括封页) 客 户XXXXXX 有限责任根据 XX 高速 XXXX 桥安康监测与平安评估系统施工监理合同制定本流程及细那么。〔草稿〕1.工程概况:XXX 特大桥安康监测和平安评估系统主要由四局部组成即由传感传输系统、信采集与处理系统、数据库理系统和安康状态评估与系统所组成。硬件设备主要包括传感器、适配器、数据采集仪、计算机、效劳器等。XXX“特大桥安康监测与平安评估系统拟采纳 实时监测+定检测〞形式。实时监测工程应实现的总体目的:在对官湖特大桥的构造特点、运营状况及将来交通荷载开展变化分析与的根底上提出该桥安康监测与平安评估系统技术方案及施工图设计开发软件、合理配置硬件安装并建立一套完好的由两级计算机网络构成的桥梁安康监测和平安评估系统猎取反映桥梁构造安康状态和病害损伤的多种重要信息实现对桥梁构造多种状态参数〔如应变、挠度、支移、振动、加速度、环境温度、湿度、及车辆荷载等〕的实时监测并在多种信息特征的提取及交融根底上实现对大桥安康状态及病害损伤情况的监测与评估即实现对该桥梁构造承载才能、运营状况和性能退化的长监测和评估为保障大桥的运营平安及时发现并消除桥梁构造的平安隐患进步大桥科学养护和维修的技术程度提供有力的技术支持。同时采纳人性化的工作界面和数据库理形式为桥部门提供方便而又快捷的数据分析和查询功能为大桥的科学理和养护维修为确保大桥的运营平安提供翔实可靠的监测数据。2.监理目的:第一工程质量监理目的确保符合设计要求及验收。第二工程工监理目的满足方案工的要求。第三工程监理目的控制在限额内力求造价合理节约费用。第三平安、文明施工总目的杜绝工程事故平安、文明达标。3、监理工作程序 (1) 承包人做好各项准备工作后向监理提交原材料〔传感器、设备〕试验资料监理人员应对提交原材料〔传感器、设备〕进展抽检〔必要时标定〕以保证根据设计要求均符合要求后由监理工程师批准开工。(2) 工程完成后监理工程师根据旁站记录、抽检结果以及承包人的自检记录审批承包人提交的分项工程交工证书。为确保大桥的运营平安提供翔实可靠的监测数据对原材料〔传感器、设备〕进展抽检及标定是监理的...

1、当您付费下载文档后,您只拥有了使用权限,并不意味着购买了版权,文档只能用于自身使用,不得用于其他商业用途(如 [转卖]进行直接盈利或[编辑后售卖]进行间接盈利)。
2、本站所有内容均由合作方或网友上传,本站不对文档的完整性、权威性及其观点立场正确性做任何保证或承诺!文档内容仅供研究参考,付费前请自行鉴别。
3、如文档内容存在违规,或者侵犯商业秘密、侵犯著作权等,请点击“违规举报”。

碎片内容

某高速特大桥健康监测与安全评估系统监理细则

确认删除?
VIP
微信客服
  • 扫码咨询
会员Q群
  • 会员专属群点击这里加入QQ群
客服邮箱
回到顶部