电脑桌面
添加小米粒文库到电脑桌面
安装后可以在桌面快捷访问

例六双作用气缸连续往复运动控制

例六双作用气缸连续往复运动控制_第1页
1/26
例六双作用气缸连续往复运动控制_第2页
2/26
例六双作用气缸连续往复运动控制_第3页
3/26
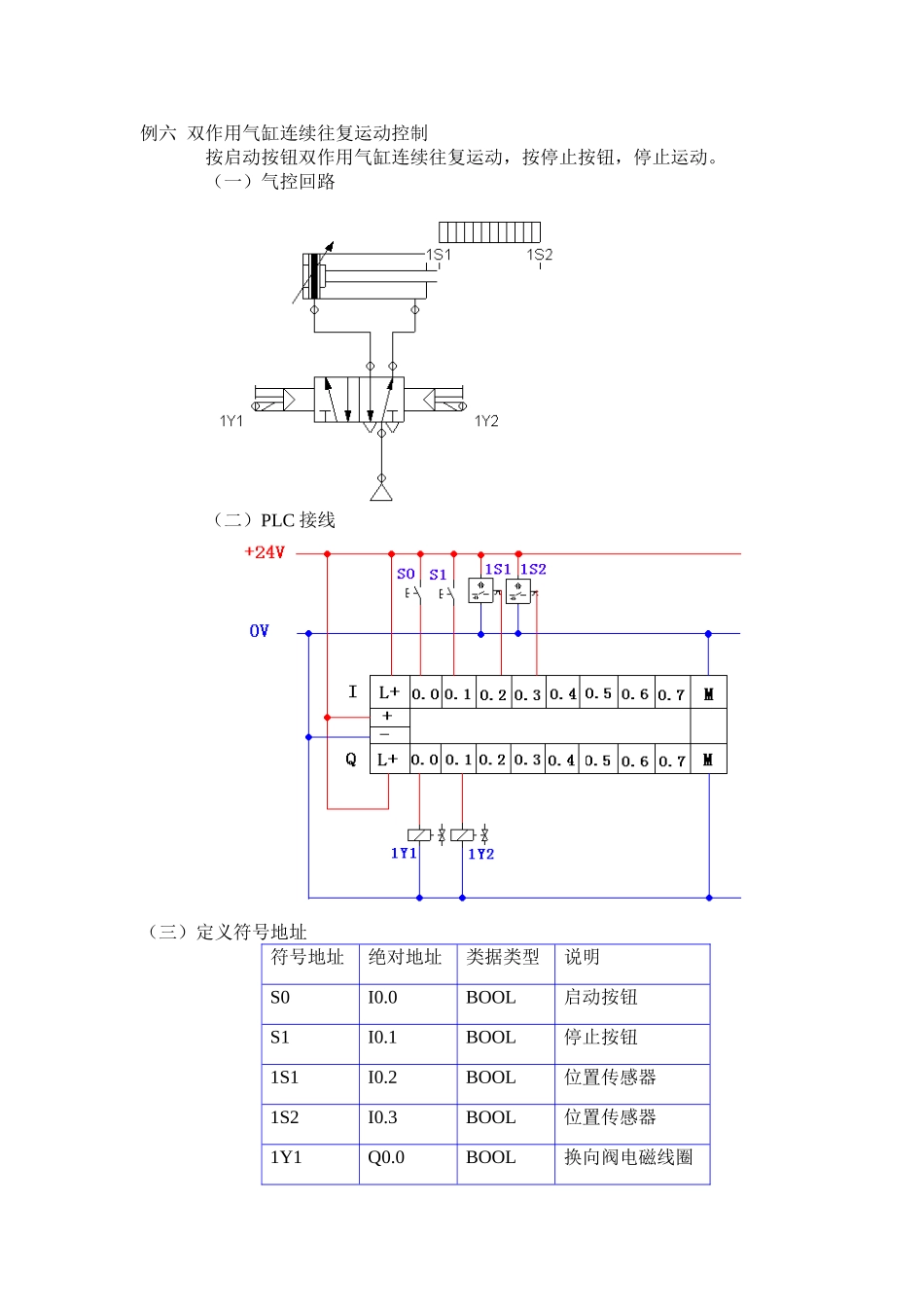
例六 双作用气缸连续往复运动控制按启动按钮双作用气缸连续往复运动,按停止按钮,停止运动。(一)气控回路 (二)PLC 接线(三)定义符号地址符号地址绝对地址类据类型说明S0I0.0BOOL启动按钮S1I0.1BOOL停止按钮1S1I0.2BOOL位置传感器1S2I0.3BOOL位置传感器1Y1Q0.0BOOL换向阀电磁线圈1Y2Q0.1BOOL换向阀电磁线圈M0M0.0BOOL启动线圈(四)梯形图程序练习:编制电动机点动和连续运转控制程序。输入端控制触点控制功能输出端执行器件实现功能I0.0停止按钮(常开)停止Q0.0KM1控制电动机电源I0.1点动按钮(常开)点动Q0.1保护指示灯当保护动作时闪亮I0.2连续运转按 钮 ( 常开)连续运转启动I0.3热继电器触 点 ( 常闭)过载保护动作使得电机停止参考程序:(一)定义符号地址(二)LAD 程序练习:编制双控灯控制程序,要求开关 K1 或 K2 任意一个开关的开和关的操作均可以控制灯 L 的亮和灭。完成后可再编制三控灯。参考程序程序 1:4. RS 触发器置位复位触发器真值表SRQ00-010101110复位置位触发器真值表RS Q00-011100111在 LAD 中,RS 触发器可以用在逻辑串最右端,结束一个逻辑串,也可用在逻辑串中,影响右边的逻辑操作结果。例一 控制传送带一个由电气启动的传送带,在传送带的起点有两个按钮开关:用于 START的S1 和 STOP 的 S2。在传送带的尾部也有两个按钮开关:用于 START 的 S3 和STOP 的 S4。可以从任何一端起动或停止传送带。另外,当传送带上的物件到达末端时,传感器 S5 使传送带停机。(一)PLC 接线(二)定义符号地址符号地址绝对地址类据类型说明S1I0.0BOOL起点启动按钮S2I0.1BOOL起点停机按钮S3I0.2BOOL尾部启动按钮S4I0.3BOOL尾部停机按钮S5I0.4BOOL末端传感器MOTOR_ONQ0.0BOOL电机梯形图程序 思考题:如下的程序有什么不足之处?应如何改正?例二 双缸顺序动作控制程序设计程序,使两个气缸顺序动作,其顺序为:A1B1B0A0。(一)气控回路(二)位移-步骤图1 2 3 4 5=1 1A 01B 0(三)I 型障碍信号分析(四)PLC 接线(五)定义符号地址(六)梯形图程序5.RLO 上升沿、下降沿检测指令LAD 指令STL 指令功能操作数数据类型存储区<位地址>-(P)-FP< 位 地 址>RLO上升 沿 检测<位地址>存 储 旧RLO 的边沿存储位BOOLI、Q、M、D、L<位地址>-(N)-FN<位地址>RLO下降 沿 检测BOOLI、Q、M、D、LRLO 上升沿检测指令识别 RLO 从 0 至 1(上升沿)的信号变化,并且在操作之后以 RLO...

1、当您付费下载文档后,您只拥有了使用权限,并不意味着购买了版权,文档只能用于自身使用,不得用于其他商业用途(如 [转卖]进行直接盈利或[编辑后售卖]进行间接盈利)。
2、本站所有内容均由合作方或网友上传,本站不对文档的完整性、权威性及其观点立场正确性做任何保证或承诺!文档内容仅供研究参考,付费前请自行鉴别。
3、如文档内容存在违规,或者侵犯商业秘密、侵犯著作权等,请点击“违规举报”。

碎片内容

例六双作用气缸连续往复运动控制

您可能关注的文档

人从众+ 关注
实名认证
内容提供者

欢迎光临小店,本店以公文和教育为主,希望符合您的需求。

确认删除?
VIP
微信客服
  • 扫码咨询
会员Q群
  • 会员专属群点击这里加入QQ群
客服邮箱
回到顶部