电脑桌面
添加小米粒文库到电脑桌面
安装后可以在桌面快捷访问

建设项目名称试生产使用方案备案申请表VIP专享

建设项目名称试生产使用方案备案申请表_第1页
1/3
建设项目名称试生产使用方案备案申请表_第2页
2/3
建设项目名称试生产使用方案备案申请表_第3页
3/3
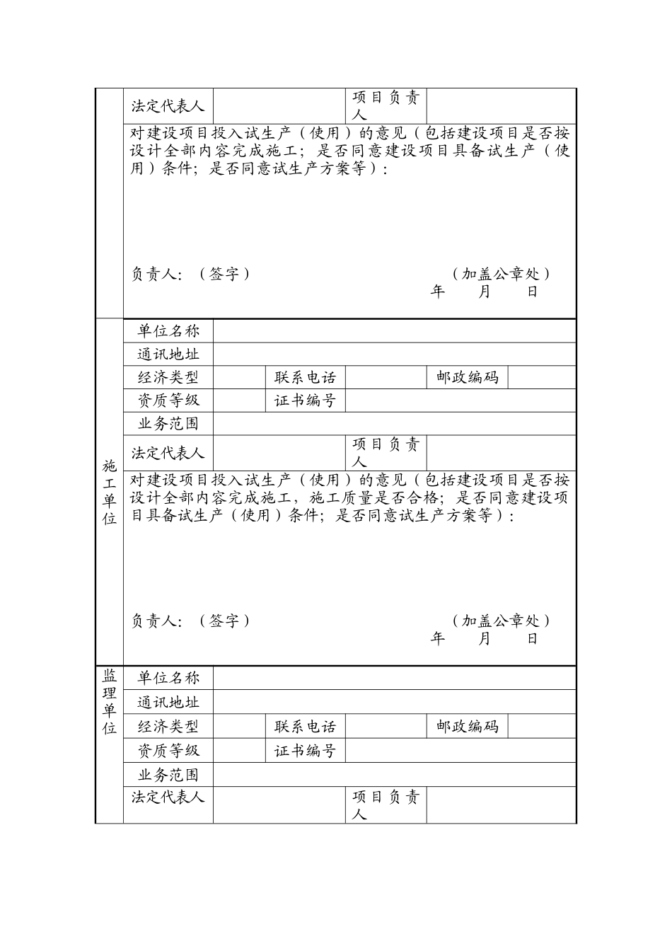
(建设项目名称)试生产(使用)方案备案申请表建设单位单位名称通讯地址邮政编码电子邮箱经济类型联系电话传真电话法定代表人安全生产负责人企业登记注册机关名称对建设项目投入试生产(使用)的意见:负责人:(签字) (加盖公章处) 年 月 日建设项目所在单位单位名称通讯地址邮政编码电子邮箱经济类型联系电话传真电话主要负责人安全生产负责人企业登记注册机关名称申请试生产(使用)的理由及试生产(使用)准备情况:主要负责人:(签字) (加盖公章处) 年 月 日设计单位单位名称通讯地址经济类型联系电话邮政编码资质等级证书编号业务范围法定代表人项目负责人对建设项目投入试生产(使用)的意见(包括建设项目是否按设计全部内容完成施工;是否同意建设项目具备试生产(使用)条件;是否同意试生产方案等): 负责人:(签字) (加盖公章处)年 月 日施工单位单位名称通讯地址经济类型联系电话邮政编码资质等级证书编号业务范围法定代表人项目负责人对建设项目投入试生产(使用)的意见(包括建设项目是否按设计全部内容完成施工,施工质量是否合格;是否同意建设项目具备试生产(使用)条件;是否同意试生产方案等): 负责人:(签字) (加盖公章处)年 月 日监理单位单位名称通讯地址经济类型联系电话邮政编码资质等级证书编号业务范围法定代表人项目负责人对建设项目投入试生产(使用)的意见(包括建设项目是否按设计全部内容完成施工,施工质量是否合格;是否同意建设项目具备试生产(使用)条件;是否同意试生产方案等): 负责人:(签字) (加盖公章处)年 月 日注:有多个设计、施工、监理单位的,表格可自行增加。

1、当您付费下载文档后,您只拥有了使用权限,并不意味着购买了版权,文档只能用于自身使用,不得用于其他商业用途(如 [转卖]进行直接盈利或[编辑后售卖]进行间接盈利)。
2、本站所有内容均由合作方或网友上传,本站不对文档的完整性、权威性及其观点立场正确性做任何保证或承诺!文档内容仅供研究参考,付费前请自行鉴别。
3、如文档内容存在违规,或者侵犯商业秘密、侵犯著作权等,请点击“违规举报”。

碎片内容

建设项目名称试生产使用方案备案申请表

范哲铺+ 关注
实名认证
内容提供者

想你所想,急你所急,你需要的都在店铺里可以找到。

确认删除?
VIP
微信客服
  • 扫码咨询
会员Q群
  • 会员专属群点击这里加入QQ群
客服邮箱
回到顶部