电脑桌面
添加小米粒文库到电脑桌面
安装后可以在桌面快捷访问

抗浮锚杆技术方案及施工组织设计

抗浮锚杆技术方案及施工组织设计_第1页
1/7
抗浮锚杆技术方案及施工组织设计_第2页
2/7
抗浮锚杆技术方案及施工组织设计_第3页
3/7
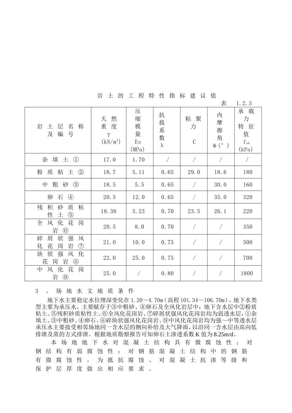
一 、 工 程 概 况永 春 县 轻 工 新 城 安 置 房 ( 霞 林 安 置 区 ) 工 程 由永 春 县 轻 工 基 地 开 发 建 设 投 资 有 限 公 司 开 发 建 设 ,位 于 永 春 县 轻 工 基 地 , 由 泉 州 市 住 宅 建 筑 设 计 院设 计 , 由 福 建 泉 州 新 时 代 工 程 建 设 监 理 有 限 公 司监 理 , 地 质 勘 察 由 泉 州 泉 成 勘 察 有 限 公 司 勘 察 。共 由 1 ~ 8# 楼 及 地 下 室 组 成 , 其 中 4# 、 8# 楼 为 二 十一 层 、 二 十 四 层 , 6# 楼 为 二 十 一 层 , 其 余 均 为 十八 层 。 1# 、 2# 、 7# 楼 建 筑 高 度 约 为 55.7m; 3# 楼 建筑 高 度 约 为 54.3m; 4# 楼 建 筑 高 度 约 为 72.3m; 5# 楼 建筑 高 度 约 为 55.55m ; 6# 楼 建 筑 高 度 约 为 64.55m ; 8# 楼建 筑 高 度 约 73.55m ; 建 筑 总 面 积 达 146097.67 平 方 米 。本 工 程 2# 、 4# 、 5# 、 6# 、 7# 、 8# 楼 为 地 下 室 , 地下 室 区 域 裙 楼 及 单 层 地 下 室 部 份 设 置 抗 浮 锚 杆 。本工程主楼 2#、5#~7#楼采纳天然地基筏板基础,4#、8#楼采纳复合地基筏板基础,裙房及单层地下室部分采纳柱下混凝土独立基础,基础顶面标高为-5.7m ,选择④卵石及⑤残积砂质粘土作为基础联合持力层,地基承载力特征值为 250kpa,其中 4#楼、裙房及单层地下室部分地基承载力特征值为 220kpa。裙楼及单层地下室底板厚为 400mm,主楼筏板基础底板厚为 1200mm~1500mm。本工程地下室整体开挖,在裙楼及单层地下室部分设置抗浮锚杆。设计提供的设计参数如下:单根锚杆抗拔载力特征值为 150KN,极限承载力为 300KN,直径为 130,锚杆进入土层长度不小于 10m,锚杆筋体直径为 1Ф32,锚杆孔填充材料为水泥砂浆,水泥砂浆强度为 M30,总根数为 556 根。锚杆正式施工前应进行抗拔实验,实验后应及时提供数据供设计人员进行校核,满足设计要求后方可进行大面积施工,锚杆施工完成后应进行锚杆抗拔承载力检测,具体数量不得少于锚杆总根数的 3%,且不少于 6 根。二 、 场 地 的 工 程 地 质 条 件1 、 地 形 位 置本 工 程 位 于 永 春 县 东 平 ...

1、当您付费下载文档后,您只拥有了使用权限,并不意味着购买了版权,文档只能用于自身使用,不得用于其他商业用途(如 [转卖]进行直接盈利或[编辑后售卖]进行间接盈利)。
2、本站所有内容均由合作方或网友上传,本站不对文档的完整性、权威性及其观点立场正确性做任何保证或承诺!文档内容仅供研究参考,付费前请自行鉴别。
3、如文档内容存在违规,或者侵犯商业秘密、侵犯著作权等,请点击“违规举报”。

碎片内容

抗浮锚杆技术方案及施工组织设计

您可能关注的文档

确认删除?
VIP
微信客服
  • 扫码咨询
会员Q群
  • 会员专属群点击这里加入QQ群
客服邮箱
回到顶部