电脑桌面
添加小米粒文库到电脑桌面
安装后可以在桌面快捷访问

西冲特大桥防撞栏施工方案

西冲特大桥防撞栏施工方案_第1页
1/9
西冲特大桥防撞栏施工方案_第2页
2/9
西冲特大桥防撞栏施工方案_第3页
3/9
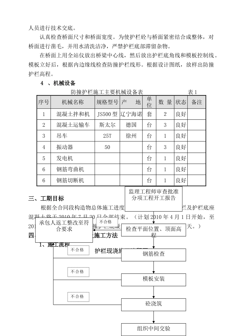
西冲特大桥及磨房沟桥防撞护栏施工方案一、工程概况1、概况根据雅西公司【2025】130 号文件《关于实施雅泸路结构物上护栏修改设计的通知》,西冲特大桥左幅行车方向左侧防撞护栏采纳 SA 级机构形式,其余左右幅各侧防撞护栏采纳 SB 级结构形式。护栏采纳 C30 混凝土浇筑 ,护栏内外侧模各 60m 模板采纳 2.0m 一块的定型钢模,由专业厂家生产。2、工程量西冲特大桥防撞栏施工主要工程量:C30 混凝土 1530.69 m3。I 级钢筋:31.68 t;II 级钢筋:202.002 t。护栏总长 4112 m。磨房沟大桥防撞栏施工主要工程量:C30 混凝土 389 m3。I 级钢筋:8.05 t;II 级钢筋:51.34 t。护栏总长 1045 m。二、现场组织机构及劳动力计划1、组织机构项目经理部设副经理 1 名主管西冲特大桥上部结构的施工管理,下辖一个施工队,同时配齐技术、测量及试验检测人员,设专职安全员,所有人员均具有相关专业丰富的工作经验。2、劳动力计划根据西冲特大桥防撞栏工程数量及工程特点,根据突出重点、兼顾一般、均衡生产、确保工期的原则,施工过程中根据工程进展情况,随时增调技术人员和技术工人,以确保按期优质安全圆满的完成施工任务。3 、施工现场准备防撞护栏施工前材料准备和机械设备进场调试。现场技术员认真批阅图纸,了解施工程序,熟悉现场文明施工、安全操作法律规范。并对现场施工人员进行技术交底。认真检查桥面尺寸和桥面宽度。为使护栏砼与桥面紧密结合成整体,对桥面进行凿毛,并用水清洗洁净,严禁护栏底部滞留杂物。在桥面上用全站仪放出桥梁中心线,然后放出护栏底角线和模板控制线。模板立好后,根据内边缘线检查防撞护栏线形。根据设计图纸,放样出防撞护栏高程。4 、机械设备防撞护栏施工主要机械设备表 表 1序号机械名称规格型号 产 地单 位数 量 状态备注1混凝土拌和机JS500 型 辽宁海诺 套2良好2混凝土运输车斯太尔德国台3良好3吊车25T徐州台1良好4振动器50台3良好5发电机台1良好6钢筋弯曲机台1良好6钢筋切断机台1良好三、工期目标根据全合同段构造物总体施工进度计划要求,本桥防撞护栏及护栏底座混凝土将于 2010 年 7 月 20 日全部结束。(计划 2010 年 4 月 1 日开始,至2010 年 7 月 19 日,本桥防撞护栏混凝土全部施工完毕,工期 120 天。)四、防撞护栏施工方案及施工方法1、施工流程护栏现浇施工流程图监理工程师审查批准分项工程开工报告检查平面位置、顶面高程钢筋检查...

1、当您付费下载文档后,您只拥有了使用权限,并不意味着购买了版权,文档只能用于自身使用,不得用于其他商业用途(如 [转卖]进行直接盈利或[编辑后售卖]进行间接盈利)。
2、本站所有内容均由合作方或网友上传,本站不对文档的完整性、权威性及其观点立场正确性做任何保证或承诺!文档内容仅供研究参考,付费前请自行鉴别。
3、如文档内容存在违规,或者侵犯商业秘密、侵犯著作权等,请点击“违规举报”。

碎片内容

西冲特大桥防撞栏施工方案

您可能关注的文档

确认删除?
VIP
微信客服
  • 扫码咨询
会员Q群
  • 会员专属群点击这里加入QQ群
客服邮箱
回到顶部