电脑桌面
添加小米粒文库到电脑桌面
安装后可以在桌面快捷访问

钢结构厂房施工组织设计84955VIP专享

钢结构厂房施工组织设计84955_第1页
1/28
钢结构厂房施工组织设计84955_第2页
2/28
钢结构厂房施工组织设计84955_第3页
3/28
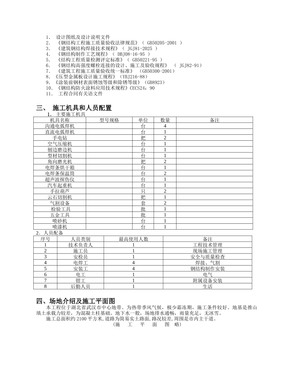
武汉英特宜家购物中心单层钢结构厂房 施 工 组 织 设 计 书项目名称:施工场地临时办公室建筑工程工程名称:钢结构厂房制作安装工程编制单位: 公司 编制人 : 日期 : 2025 年 9 月 18 日 审定 : 审核 : 目 录一、 工程概况1.工程名称2.工程地点3.工程简介二、 工程施工中的技术法律规范和标准三、施工机具和人员配备1.施工机具2.人员配备四、施工平面图及场地简介五、施工工序六、施工进度计划表七、施工方案1.工艺流程图2.施工准备3.钢结构构件制作、组装、检验4.钢结构焊接、检验5.钢结构安装、检验6.螺栓连接、检验7.钢结构防腐涂料涂装、检验8.钢结构防火涂料涂装、检验9. 压型金属板安装、检验八、钢结构质量施工管理九、钢结构安全施工管理十、钢结构环境保护文明施工管理一、工程概况1.工程名称:钢结构临时办公室制作安装工程2.工程地点:武汉英特宜家购物中心施工场地3.工程简介:本工程为单层钢结构金属压型钢板车间,钢柱、主梁均采纳 H 型钢;楼层采纳工字钢和槽钢,均采纳高强度螺栓连接;檩条为 C 型钢,用普通螺栓连接固定;屋、墙面板为保温金属压型钢板,用自攻螺钉连接固定;拉条为圆钢;角撑为角钢;基础为框架柱基础,与柱连接为预埋板地锚螺栓连接。 车间长为 68 米,宽为 28 米,檐高 5 米,共三层;人字形屋面,坡度 10%;窗采纳铝合金推拉窗,门为钢结构夹层门。本工程安全等级为二级,H 型钢为外购件,其他钢构件为现场加工。二、施工中执行的技术标准、规程、法律规范1. 设计图纸及设计说明文件2. 《钢结构工程施工质量验收法律规范》( GB50205-2001 )3. 《建筑钢结构焊接技术规程》( JGJ81-2025 )4. 《钢结构制作工艺规程》( DBJ08-16-95 )5. 《结构工程质量检测评定标准》( GB50221-95 )6. 《钢结构高强度螺栓连接的设计、施工及验收规程》 ( JGJ82-91)7. 《建筑工程施工质量验收统一标准》 (GB50300-2001) 8.《压型金属板设计施工规程》(YBJ216-88)9.《涂装前钢材表面锈蚀等级和除锈等级》(GB8923)10.《钢结构防火涂料应用技术规程》CECS24:9011. 工程合同有关语文件三、 施工机具和人员配置1. 主要施工机具机具名称型号规格单位数量备注沟通电弧焊机台4直流电弧焊机台1手电钻把2空气压缩机台1刨边磨边机 台1型材切割机台1角向磨光机把2电焊条烘干箱台1电焊条保温筒台2超声波探伤仪台1汽车起重机...

1、当您付费下载文档后,您只拥有了使用权限,并不意味着购买了版权,文档只能用于自身使用,不得用于其他商业用途(如 [转卖]进行直接盈利或[编辑后售卖]进行间接盈利)。
2、本站所有内容均由合作方或网友上传,本站不对文档的完整性、权威性及其观点立场正确性做任何保证或承诺!文档内容仅供研究参考,付费前请自行鉴别。
3、如文档内容存在违规,或者侵犯商业秘密、侵犯著作权等,请点击“违规举报”。

碎片内容

钢结构厂房施工组织设计84955

确认删除?
VIP
微信客服
  • 扫码咨询
会员Q群
  • 会员专属群点击这里加入QQ群
客服邮箱
回到顶部