电脑桌面
添加小米粒文库到电脑桌面
安装后可以在桌面快捷访问

锤击桩施工方案1

锤击桩施工方案1_第1页
1/6
锤击桩施工方案1_第2页
2/6
锤击桩施工方案1_第3页
3/6
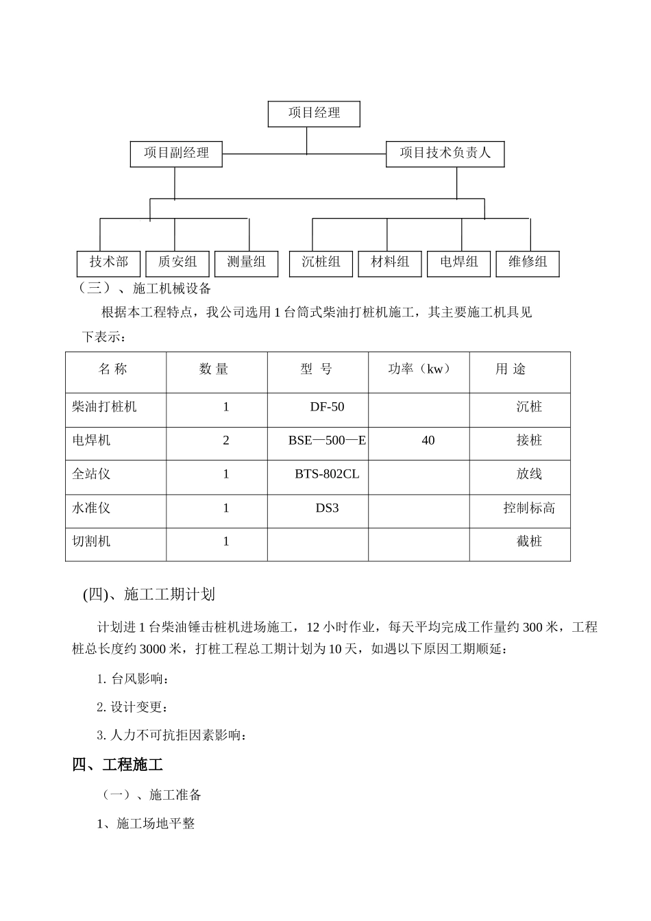
一、工程概况.............道路已直通施工现场,施工用水、用电已通。根据钻孔揭露,按成因类型划分,场地岩土层有人工填土层,涨陆交相互沉积层、燕山期石英二长闪长岩层。各岩土土层性质和产状:由上而下分为:1 素土层、2 淤泥、3 粘土、4 角砾、5 金风化石英二长闪长岩、6 强风化石英二长闪长岩。① 其详情见《工程地质勘察报告书》二、设计概况本工程总用地面积 1403 平方米,总建筑面积 2103.25 平方米。其中建筑基底面积为334.18 平方米,商业建筑面积 209.32 平方米,住宅建筑面积为 1824.23 平方米,本工程施工建筑为 1 幢 11+1 层商住楼,采纳框架剪力墙结构。包括桩基础、土建、消防、照明强弱电、给排水、防雷等工程。本工程基础为预应力管桩,桩径为 φ400mm,桩壁厚95mm,AB 型 PHC 桩,桩净长估计为 45-50m。桩端持力层为强风化岩层,桩端进入持力层为≥2 米,单桩竖向承载力特征值 1300KN。总桩数为 61 根,入土桩长约 3000 米。(1)、主要人员组织三、施工组织(二)现场设立管理机构如下图示:管理机构图职务人数职称责任项目经理1工程师主持、负责全面施工工作项目副经理1工程师全面负责施工技术负责人1工程师负责施工技术施工员2助理工程师施工技术现场工作测量员1助理工程师负责桩位放线质安员1工程师质量控制及检验工作桩基工人5技工操作主机、压桩、电焊、捆、扶桩 (三)、施工机械设备根据本工程特点,我公司选用 1 台筒式柴油打桩机施工,其主要施工机具见下表示:名 称数 量型 号功率(kw)用 途柴油打桩机1DF-50沉桩电焊机2BSE—500—E40接桩全站仪1BTS-802CL放线水准仪1DS3控制标高切割机1截桩(四)、施工工期计划计划进 1 台柴油锤击桩机进场施工,12 小时作业,每天平均完成工作量约 300 米,工程桩总长度约 3000 米,打桩工程总工期计划为 10 天,如遇以下原因工期顺延:1.台风影响:2.设计变更:3.人力不可抗拒因素影响:四、工程施工(一)、施工准备1、施工场地平整项目经理技术部质安组测量组沉桩组材料组电焊组维修组项目技术负责人项目副经理沉桩校正调直进桩送 桩 ( 或 截桩)插桩验桩定桩位接桩桩机移位桩 机 就位再沉桩桩机对施工场地要求比较高,因此桩机进场前,心须将施工场地推平,以确保桩机在场地内行走。2、施工放线 施工放线应严格根据红线点及桩位图尺寸放线。放轴线前,应首先检查基准线无误后 ,才能将桩基桩位的轴线从基准线引出,...

1、当您付费下载文档后,您只拥有了使用权限,并不意味着购买了版权,文档只能用于自身使用,不得用于其他商业用途(如 [转卖]进行直接盈利或[编辑后售卖]进行间接盈利)。
2、本站所有内容均由合作方或网友上传,本站不对文档的完整性、权威性及其观点立场正确性做任何保证或承诺!文档内容仅供研究参考,付费前请自行鉴别。
3、如文档内容存在违规,或者侵犯商业秘密、侵犯著作权等,请点击“违规举报”。

碎片内容

锤击桩施工方案1

您可能关注的文档

确认删除?
VIP
微信客服
  • 扫码咨询
会员Q群
  • 会员专属群点击这里加入QQ群
客服邮箱
回到顶部