电脑桌面
添加小米粒文库到电脑桌面
安装后可以在桌面快捷访问

地下沥青油毡卷材防水层施工

地下沥青油毡卷材防水层施工_第1页
1/10
地下沥青油毡卷材防水层施工_第2页
2/10
地下沥青油毡卷材防水层施工_第3页
3/10
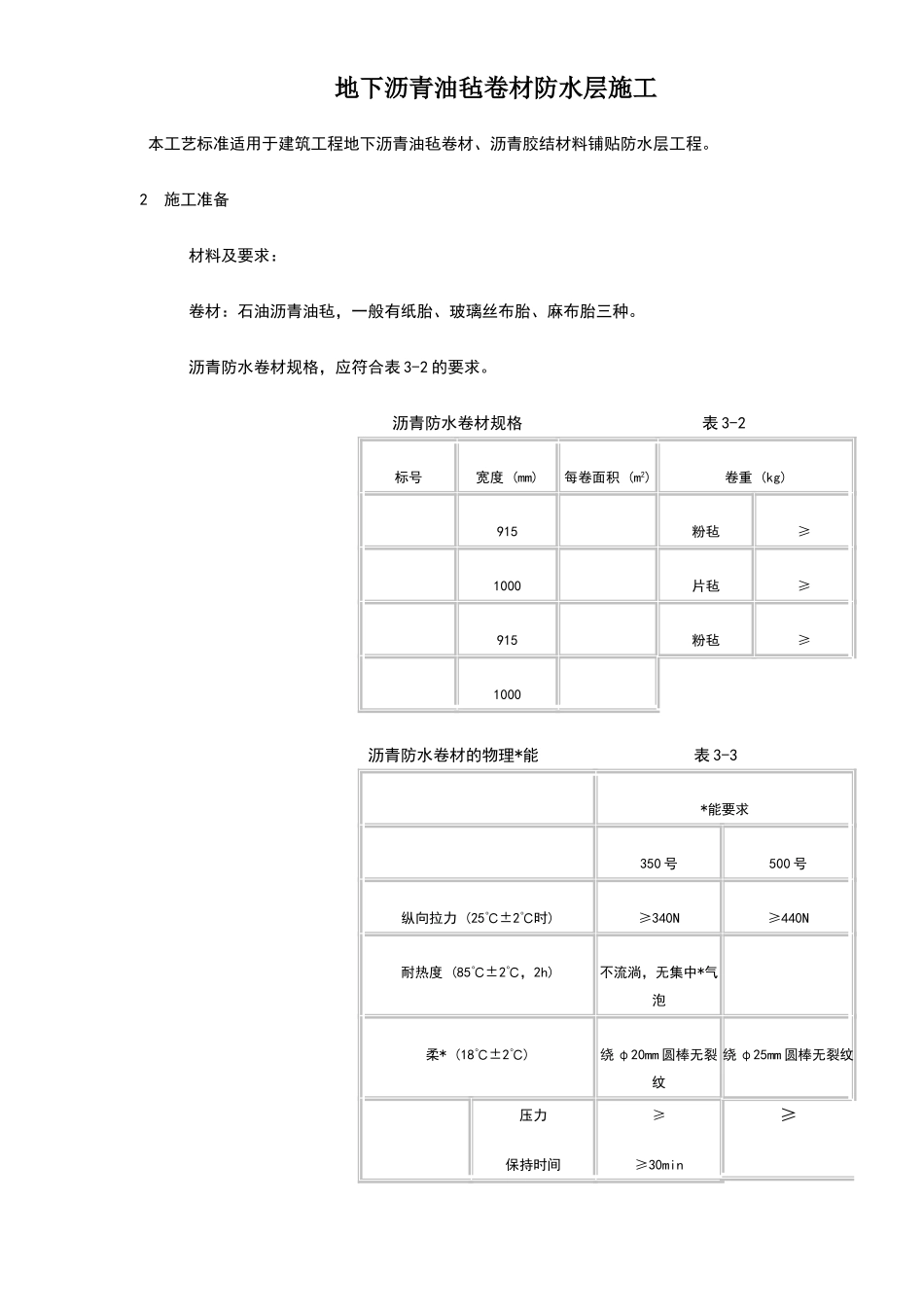
地下沥青油毡卷材防水层施工 本工艺标准适用于建筑工程地下沥青油毡卷材、沥青胶结材料铺贴防水层工程。2 施工准备 材料及要求: 卷材:石油沥青油毡,一般有纸胎、玻璃丝布胎、麻布胎三种。 沥青防水卷材规格,应符合表 3-2 的要求。 沥青防水卷材规格 表 3-2标号宽度 (mm)每卷面积 (m2)卷重 (kg)915粉毡≥1000片毡≥915粉毡≥1000 沥青防水卷材的物理*能 表 3-3*能要求350 号500 号纵向拉力 (25℃±2℃时)≥340N≥440N耐热度 (85℃±2℃,2h)不流淌,无集中*气泡柔* (18℃±2℃)绕 φ20mm 圆棒无裂纹绕 φ25mm 圆棒无裂纹压力保持时间≥≥30min≥≥30min 沥青防水卷材的外观质量,应符合表 3-4 的要求。 沥青防水卷材的外观质量要求 表 3-4项目外观质量要 求孔洞、硌伤不允许露胎、涂盖不匀不允许折纹、折皱距卷芯 1000mm 以外,长度不应大于 100mm裂纹 距卷芯 1000mm 以外,长度不应大于 10mm裂口、缺边边缘裂口小于 20mm,缺边长度小于 50mm,深度小于 20mm,每卷不应超过四处。接头 每卷不应超过一处 胶结材料: 建筑石油沥青 10 号、30 号配制沥青玛帝脂使用。 道路石油沥青 60 号甲、60 号乙或其熔合物。 沥青玛帝脂的质量要求,应符合表 3-5 的要求。 其他材料 配制玛帝脂的填充料:滑石粉、板岩粉、云母粉、石棉粉。 汽油、粗砂、水泥、豆石(绿豆砂)等。 主要机具 一般应备有沥青锅、鼓风机、油桶、油勺、油壶、漏勺、胶皮板刷、棕刷、皮老虎、长温度计(300~350℃)、保温车、消防器材等。 作业条件: 沥青玛帝脂的质量要求 表 3-5标号指标名称 S-60S-65S-70S-75S-80S-85用 2mm 厚的沥青玛帝脂粘合两张沥青油毡,于不低于下列温度(℃)中,在 1∶1坡度上停放 5h,沥青玛帝脂不应流淌,油毡不应滑动(℃)606570758085涂在沥青油毡上的 2mm 厚的沥青玛帝脂层,在 18±2℃时,围绕下列直径(mm)的圆棒,用 2s 的时间以均衡速度弯成半周,沥青玛帝脂不应有裂纹(mm)101515202530用手将两张粘贴在一起的油毡慢慢地一次撕开,从油毡和沥青玛帝脂的粘贴面的任何一面的撕开部分,应不大于粘贴面积的 1/2 地下水位高于防水层的施工部位,应先做好降低地下水位和排水工作,将地下水位降至防水层底标高以下 300mm,并保持到防水层施工完毕。 铺贴防水层的基层应干燥、平整,并不得有起砂、空鼓、开裂等现象,阴阳角处应做成圆弧形或钝角。 地面或墙面的预埋管件...

1、当您付费下载文档后,您只拥有了使用权限,并不意味着购买了版权,文档只能用于自身使用,不得用于其他商业用途(如 [转卖]进行直接盈利或[编辑后售卖]进行间接盈利)。
2、本站所有内容均由合作方或网友上传,本站不对文档的完整性、权威性及其观点立场正确性做任何保证或承诺!文档内容仅供研究参考,付费前请自行鉴别。
3、如文档内容存在违规,或者侵犯商业秘密、侵犯著作权等,请点击“违规举报”。

碎片内容

地下沥青油毡卷材防水层施工

您可能关注的文档

确认删除?
VIP
微信客服
  • 扫码咨询
会员Q群
  • 会员专属群点击这里加入QQ群
客服邮箱
回到顶部