电脑桌面
添加小米粒文库到电脑桌面
安装后可以在桌面快捷访问

XX县预拌混凝土生产销售项目环境影响报告表

XX县预拌混凝土生产销售项目环境影响报告表_第1页
1/36
XX县预拌混凝土生产销售项目环境影响报告表_第2页
2/36
XX县预拌混凝土生产销售项目环境影响报告表_第3页
3/36
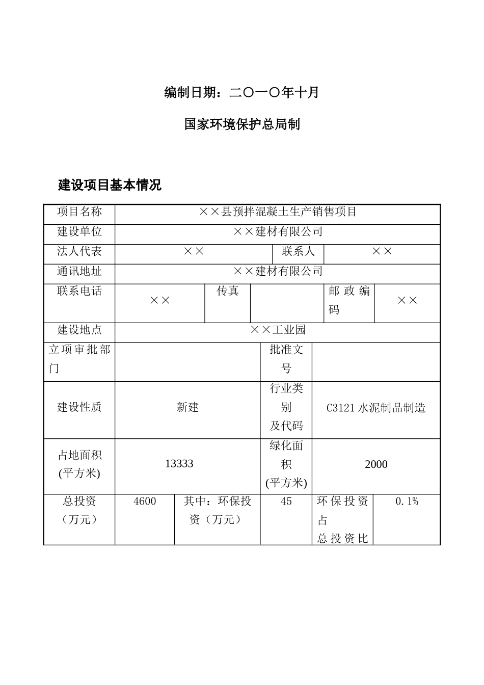
建设项目环境影响报告表 项目名称:×× 县预拌混凝土生产销售项目 建设单位:×× 建材有限公司 编制日期:二○一○年十月国家环境保护总局制建设项目基本情况项目名称××县预拌混凝土生产销售项目建设单位××建材有限公司法人代表××联系人××通讯地址××建材有限公司联系电话××传真邮 政 编码××建设地点××工业园立项审批部门 批准文号建设性质新建行业类别及代码C3121 水泥制品制造占地面积(平方米)13333绿化面积(平方米)2000总投资(万元)4600其中:环保投资(万元)45环 保 投 资占总 投 资 比0.1%例评价经费预期投产日期工程内容及规模:1、项目简述:商品混凝土属于新兴的建筑材料产品,目前,××省××县基础建设的不断扩大,随着城镇化的进一步推动,商品混凝土已发挥越来越重要的作用。因此,××建材有限公司投资 4600 万兴建年产 46 万立方米以上混凝土项目,该项目建成后,将可以大大提高××县建筑市场的技术含量和施工质量,缩短施工工期,提高经济效益,有利于促进资源节约和环境保护,推动建筑业技术进步,提升城市的环境保护,对改善施工现场的管理工作,提高劳动生产率,有非常重要的意义。根据《中华人民共和国环境影响评价法》及有关环保法律法规及条例的规定,××建材有限公司特委托本中心承担企业的环境影响报告表的编制工作,我中心人员经过现场勘察及工程分析,依据《环境影响评价技术导则》的要求编制该项目的环境影响评价报告表,提请审查。2、总投资:本项目总投资约 4600 万元。3、生产规模:年产混凝土 46 万立方米以上。4、项目所在地:本项目位于××工业园区内,该工业园区位于县城南郊凤凰山下,××大桥南 1.5 公里,余黄公路穿区而过,南至 206 国道,北连昌峡线,紧邻信江支流—×××港,水陆交通十分方便。项目占地面积约为 13333 平方米,北临供电局材料仓库,南面为山地,西面为农田,东面为闲置厂房。项目具体地理位置、周围环境和厂内平面分布示意图见附图一、二。5、主要生产设备:见表 16、主要原辅材料消耗:见表 2表 1 主要生产设备类型名称规模型号数量(台套)产地生产搅拌主机HZS1202湖南三一重工股份有限公司输运泵37 米1徐州重工有限公司固定输送泵HZ18182湖南三一重工股份有限公司化验设备1无锡锡仪仪器厂装载机山 2ZL501山东工程机械厂贮运搅拌运输车10 方7安徽星马汽车股份有限公司表 2 原辅材料消耗名称重要组分、规格、指标年耗量(t...

1、当您付费下载文档后,您只拥有了使用权限,并不意味着购买了版权,文档只能用于自身使用,不得用于其他商业用途(如 [转卖]进行直接盈利或[编辑后售卖]进行间接盈利)。
2、本站所有内容均由合作方或网友上传,本站不对文档的完整性、权威性及其观点立场正确性做任何保证或承诺!文档内容仅供研究参考,付费前请自行鉴别。
3、如文档内容存在违规,或者侵犯商业秘密、侵犯著作权等,请点击“违规举报”。

碎片内容

XX县预拌混凝土生产销售项目环境影响报告表

您可能关注的文档

人从众+ 关注
实名认证
内容提供者

欢迎光临小店,本店以公文和教育为主,希望符合您的需求。

确认删除?
VIP
微信客服
  • 扫码咨询
会员Q群
  • 会员专属群点击这里加入QQ群
客服邮箱
回到顶部