电脑桌面
添加小米粒文库到电脑桌面
安装后可以在桌面快捷访问

各种材料的发射率

各种材料的发射率_第1页
1/7
各种材料的发射率_第2页
2/7
各种材料的发射率_第3页
3/7
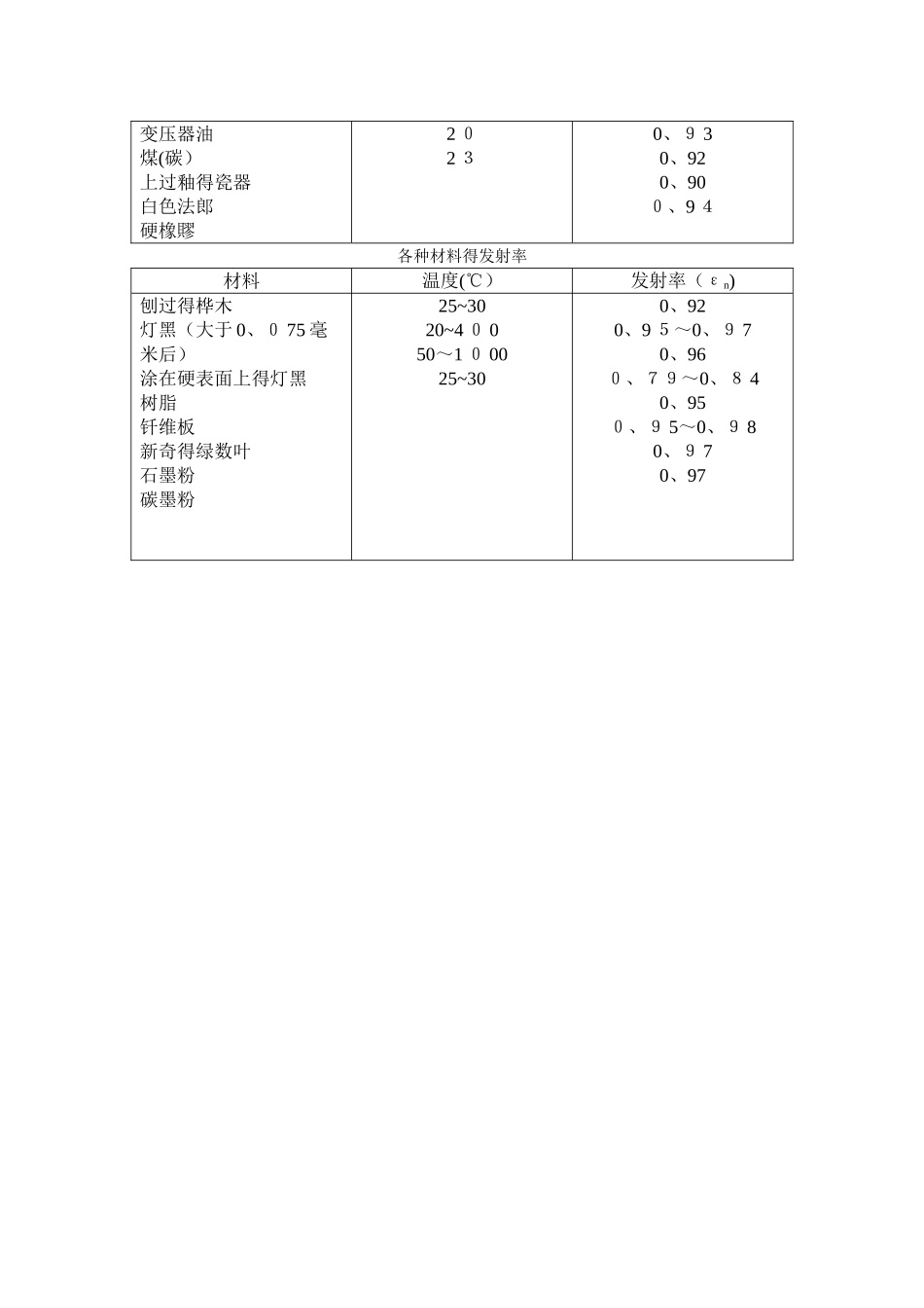
各种材料得发射率材料温度(℃)发射率(εn)铝:抛光粗糙600℃氧化强氧化阳极氧化50~5 00225~57 520~60010 0~5 5 01000、0 4~0、060、0 39~0、0570、06~0、0 70、1 1~0、1 90、2~0、25铜:滚压自然表面黄铜无光黄铜板600℃加热氧化黄铜8#金铜砂研磨黄铜抛光得铜氧化到起黑皮得铜熔化得铜2250~3 5 02 00~6002 011 551075~1 2 7 50、0 60、220、5 9~0、610、20、0 230、880、11~0、13纲与铁抛光得钢抛光得铁100425~1 0 2590 0~10400、070、1 4~0、3 80、55~0、6平滑得铁板完全生锈得铁板60 0℃氧化得铁板粗糙强氧化得铁板熔化得生铁熔化得软钢新轧制得钢铸铁锭192 00~6 0038~250130 0~140 016 0 0~18 0 02010 0 00、6 90、64~0、7 80、9 50、290、280、2 40、95钨2 3 060 0~10 00150 0~2 2300、05 30、1~0、1 60、31镍抛光电镀镍后抛光60 0℃氧化得镍10020200~60 00、0 70、0 50、37~0、38各种材料得发射率材料温度(℃)发射率(ε n)铅:未氧化纯铅150℃氧化得铅125~2 2 52000、057~0、0750、63铬:3 8~3 5 00、08~0、26金: 高度抛光得金抛光得白金1002 2 5~6 2 50、0 20、034~0、1银:抛光磨光38~3 702 25~6 2510 00、02~0、030、0 2~0、030、0 3石棉纸石棉布石棉水泥板沥青白纸黑纸混凝土水石膏软辐射耐火砖强辐射耐火砖人皮肤无光黑漆白清漆各色油彩漆[油漆(全色)]40~3702 02 5~30202 00~100205 00~10 005 0 0~1 000364 0~9540~1001 00(1 0 0℃以下)2 5~302 5~3 02 23 8~3700、780、9 60、950、70~0、90、90、9 20、95~0、9 60、8~0、90、65~0、7 50、8~0、90、980、96~0、980、8~0、950、92~0、960、9 3变压器油煤(碳)上过釉得瓷器白色法郎硬橡賿2 02 30、9 30、920、900、9 4各种材料得发射率材料温度(℃)发射率(εn)刨过得桦木灯黑(大于 0、0 75 毫米后)涂在硬表面上得灯黑树脂钎维板新奇得绿数叶石墨粉碳墨粉25~3020~4 0 050~1 0 0025~300、920、9 5~0、9 70、960、79~0、8 40、950、9 5~0、9 80、9 70、97铝:被氧化严重氧化抛光铝粗糙铝黄铜:磨光呈褐色无光择得氧化黄铜担:未被氧化钨:未被氧化灯丝200~...

1、当您付费下载文档后,您只拥有了使用权限,并不意味着购买了版权,文档只能用于自身使用,不得用于其他商业用途(如 [转卖]进行直接盈利或[编辑后售卖]进行间接盈利)。
2、本站所有内容均由合作方或网友上传,本站不对文档的完整性、权威性及其观点立场正确性做任何保证或承诺!文档内容仅供研究参考,付费前请自行鉴别。
3、如文档内容存在违规,或者侵犯商业秘密、侵犯著作权等,请点击“违规举报”。

碎片内容

各种材料的发射率

您可能关注的文档

领读文化+ 关注
实名认证
内容提供者

传播文化,铸就未来

确认删除?
VIP
微信客服
  • 扫码咨询
会员Q群
  • 会员专属群点击这里加入QQ群
客服邮箱
回到顶部