电脑桌面
添加小米粒文库到电脑桌面
安装后可以在桌面快捷访问

地下室顶板高大模板制作安装安全技术交底

地下室顶板高大模板制作安装安全技术交底_第1页
1/8
地下室顶板高大模板制作安装安全技术交底_第2页
2/8
地下室顶板高大模板制作安装安全技术交底_第3页
3/8
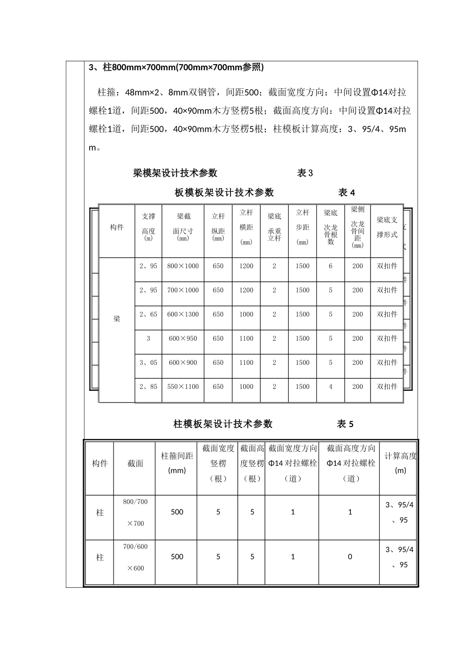
安全技术交底施工单位: 工程名称:单位工程沿江 150 亩 B 地块分(部)项工程地下室顶板模板交底内容地下室高大模板制安接受交底班组木工班交底内容一、地下室主体结构概况本高支模专项施工方案所述内容处于下列部位:于地下室顶梁板内,此区域部分顶板厚度较大,梁截面较大。其中施工总荷载接近或大于 15KN/m2板厚有 350mm,400mm,450mm;其中集中线荷载大于或等于20KN/m 梁截面有 800mm*1000mm(11/H-K 轴处),700mm*1000mm(9-10、11-12/K 轴处),600mm*1300mm(10、21/B-C 轴处),600mm*950mm(3-5/E-G 轴处),600mm*900mm(14-18/F、H 轴等处),550mm*1000mm(15-21/M 轴等处)等。上述大截面梁架体底标高均为-6、1m,梁顶面标高均为-2、15m;板架体底标高为-6、1m(其中有部分板厚为 350mm、局部板厚为 400mm 得架体底标高为-6、5m),板面顶标高为-2、15m(其中有部分板厚为 350mm、局部板厚为 400mm得板顶标高为-1、55m),层高为 3、95m(部分 350mm 厚、局部板厚为 400mm 顶板区域层高为 4、95m)。二、模板支架体系设计1、梁 a 、梁800×1000mm立杆步距h(m):1、50;沿梁跨度方向间距Lb(m):0、65;梁支撑架搭设高度H(m):2、95;梁两侧立杆间距(m):1、2;梁底增加承重立杆:2根;梁下采纳双扣件。 b 、梁700×1000mm立杆步距h(m):1、50;沿梁跨度方向间距Lb(m):0、65;梁支撑架搭设高度H(m):2、95;梁两侧立杆间距(m):1、2;梁底增加承重立杆:2根;梁下采纳双扣件。 c 、梁600×1300mm立杆步距h(m):1、50;沿梁跨度方向间距Lb(m):0、65;梁支撑架搭设高度H(m):2、65;梁两侧立杆间距(m):1、0;梁底增加承重立杆:2根;梁下采纳双扣件。 d 、梁600×950mm(600×900参照)立杆步距h(m):1、50;沿梁跨度方向间距Lb(m):0、65;梁支撑架搭设高度H(m):3、00;梁两侧立杆间距(m):1、1;梁底增加承重立杆:2根;梁下采纳双扣件。 e 、梁550×1000mm立杆步距h(m):1、50;沿梁跨度方向间距Lb(m):0、65;梁支撑架搭设高度H(m):2、95;梁两侧立杆间距(m):1、0;梁底增加承重立杆:2根;梁下采纳双扣件。2、板 a 、板厚350mm横向间距或排距(m):0、65;纵距(m):0、65;步距(m):1、50;模板支架搭设高度(m):3、6m/4、6m,采纳得钢管(mm):Φ48×2、8 ;板底采纳双扣件。 b 、板厚400mm横向间距或排距(m):0、65;纵距(m):0、65;步距(m):1、50;模板支架搭设高度(m):3、55m/4、55m,采...

1、当您付费下载文档后,您只拥有了使用权限,并不意味着购买了版权,文档只能用于自身使用,不得用于其他商业用途(如 [转卖]进行直接盈利或[编辑后售卖]进行间接盈利)。
2、本站所有内容均由合作方或网友上传,本站不对文档的完整性、权威性及其观点立场正确性做任何保证或承诺!文档内容仅供研究参考,付费前请自行鉴别。
3、如文档内容存在违规,或者侵犯商业秘密、侵犯著作权等,请点击“违规举报”。

碎片内容

地下室顶板高大模板制作安装安全技术交底

您可能关注的文档

确认删除?
VIP
微信客服
  • 扫码咨询
会员Q群
  • 会员专属群点击这里加入QQ群
客服邮箱
回到顶部