电脑桌面
添加小米粒文库到电脑桌面
安装后可以在桌面快捷访问

城镇燃气用不锈钢管道相关国家规范的要求VIP专享

城镇燃气用不锈钢管道相关国家规范的要求_第1页
1/10
城镇燃气用不锈钢管道相关国家规范的要求_第2页
2/10
城镇燃气用不锈钢管道相关国家规范的要求_第3页
3/10
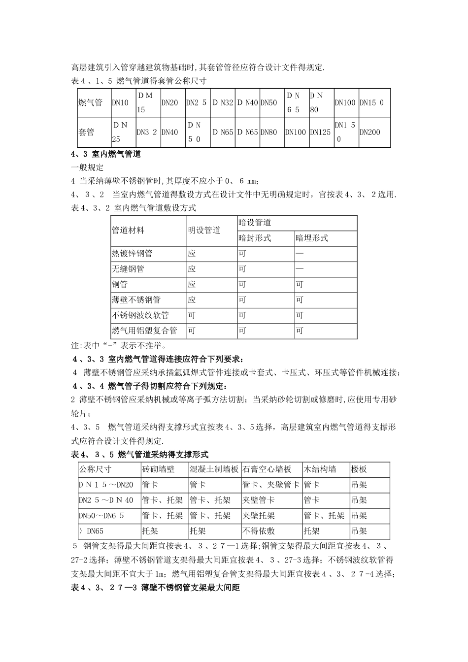
《城镇燃气技术法律规范》G B5 049 4—2 0 096 燃气管道与调压设施ﻫ6.1 一般规定ﻫ6.1.2 燃气管道得设计使用年限不应小于30 年。《城镇燃气设计法律规范》 GB5 0 028—2 0 0 6第 10 章 燃气得应用1 0。2.3 室内燃气管道宜选用钢管,也可选用铜管、不锈钢管、铝塑复合管与连接用软管,并应分别符合第 10.2.4~1 0.2。8 条得规定.10.2.6 室内燃气管道选用不锈钢管时应符合下列规定:1 薄壁不锈钢管:1)薄壁不锈钢管得壁厚不得小于 0。6 m m(DN 1 5 及以上),其质量应符合现行国家标准《流体输送用不锈钢焊接钢管》G B/T 12 7 7 1得规定;2)薄壁不锈钢管得连接方式,应采纳承插氩弧焊式管件连接或卡套式管件机械连接,并宜优先选用承插氩弧焊式管件连接。承插氩弧焊式管件与卡套式管件应符合有关标准得规定.G B500 2 8 第 37 8页 10、2、6 对不锈钢管规定得要求,管道得连接方式一般可以分为以下六大类:螺纹连接、法兰连接、焊接连接、承插连接、粘接连接、机械连接(如胀接、压接、卡压、卡套等)。10.2.12 室内燃气管道得阻力损失,可按本法律规范第 6.2.5条与第 6。2.6 条得规定计算。室内燃气管道得局部阻力损失宜按实际情况计算。1 0。2。2 9 燃气水平干管与高层建筑立管应考虑工作环境温度下得极限变形,当自然补偿不能满足要求时,应设置补偿器;补偿器宜采纳Ⅱ形或波纹管形,不得采纳填料型。3 薄壁不锈钢管与不锈钢波纹管必须有防外部损坏得保护措施。《城镇燃气室内工程施工与质量验收法律规范》CJJ 94-20 092 术语2、0、1 城镇燃气室内工程 i ndo o r gas enginee r ing指城镇居民、商业与工业企业用户内部得燃气工程系统,含引入管到各用户燃具与用气设备之间得燃气管道(包括室内燃气道及室外燃气管道)、燃具、用气设备及设施。2、0、2 室内燃气管道 in t ernal gas pi p e从用户引入管总阀门到各用户燃具与用气设备之间得燃气管道。2、0、3 引入管 service pip e室外配气支管与用户室内燃气进口管总阀门(当无总阀门时,指距室内地面 1、Om 高处)之间得管道。含沿外墙敷设得燃气管道。配气支管指最靠近燃气用户得室外燃气配气管道。4 室内燃气管道安装及检验 4、1 一般规定4、1、5 燃气管道穿过建筑物基础、墙与楼板所设套管得管径不宜小于表 4、1、5得规定;高层建筑引入管穿越建筑物基础时,其套管...

1、当您付费下载文档后,您只拥有了使用权限,并不意味着购买了版权,文档只能用于自身使用,不得用于其他商业用途(如 [转卖]进行直接盈利或[编辑后售卖]进行间接盈利)。
2、本站所有内容均由合作方或网友上传,本站不对文档的完整性、权威性及其观点立场正确性做任何保证或承诺!文档内容仅供研究参考,付费前请自行鉴别。
3、如文档内容存在违规,或者侵犯商业秘密、侵犯著作权等,请点击“违规举报”。

碎片内容

城镇燃气用不锈钢管道相关国家规范的要求

确认删除?
VIP
微信客服
  • 扫码咨询
会员Q群
  • 会员专属群点击这里加入QQ群
客服邮箱
回到顶部