电脑桌面
添加小米粒文库到电脑桌面
安装后可以在桌面快捷访问

基于单片机模拟路灯控制系统本科毕业设计论文

基于单片机模拟路灯控制系统本科毕业设计论文_第1页
1/26
基于单片机模拟路灯控制系统本科毕业设计论文_第2页
2/26
基于单片机模拟路灯控制系统本科毕业设计论文_第3页
3/26
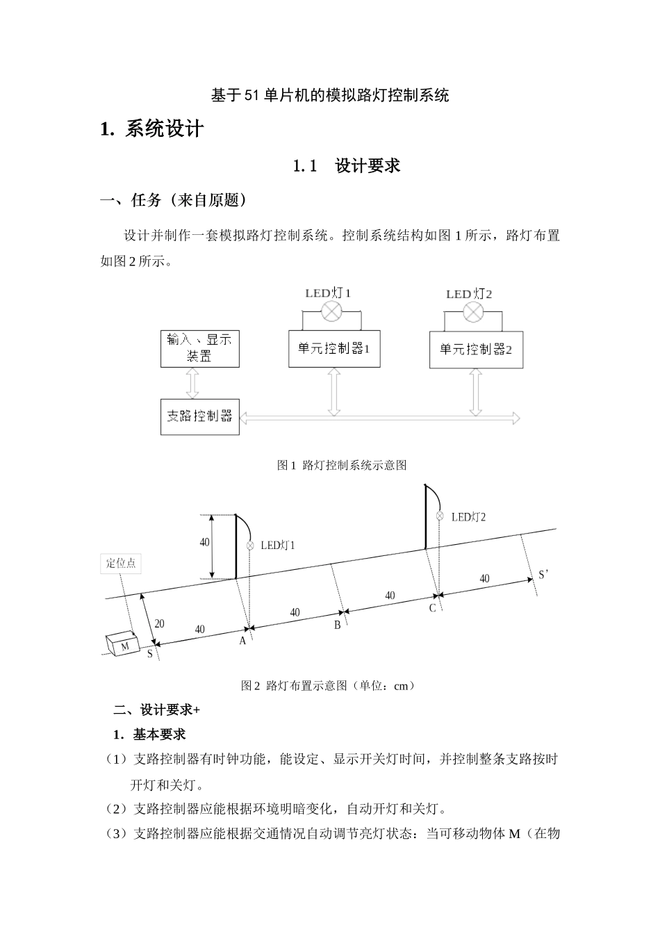
基于 51 单片机的模拟路灯控制系统1. 系统设计1.1 设计要求一、任务(来自原题)设计并制作一套模拟路灯控制系统。控制系统结构如图 1 所示,路灯布置如图 2 所示。图 1 路灯控制系统示意图图 2 路灯布置示意图(单位:cm)二、设计要求+1.基本要求(1)支路控制器有时钟功能,能设定、显示开关灯时间,并控制整条支路按时开灯和关灯。(2)支路控制器应能根据环境明暗变化,自动开灯和关灯。(3)支路控制器应能根据交通情况自动调节亮灯状态:当可移动物体 M(在物体前端标出定位点,由定位点确定物体位置)由左至右到达 S 点时(见图2),灯 1 亮;当物体 M 到达 B 点时,灯 1 灭,灯 2 亮;若物体 M 由右至左移动时,则亮灯次序与上相反。(4)支路控制器能分别独立控制每只路灯的开灯和关灯时间。(5)当路灯出现故障时(灯不亮),支路控制器应发出声光报警信号,并显示有故障路灯的地址编号。2.发挥部分(1)自制单元控制器中的 LED 灯恒流驱动电源。(2)单元控制器具有调光功能,路灯驱动电源输出功率能在规定时间按设定要求自动减小,该功率应能在 20%~100%范围内设定并调节,调节误差≤2%。(3)性价比高,工作稳定,符合电磁兼容(EMC)方面的要求,无对外干扰或干扰小。 1.2 总体设计方案1.2.1 功能分解及设计思路 本模拟路灯控制系统的设计方案要实现的 主要功能主要分解为以下五个方面:一是时钟功能及定时开关灯。二是根据环境明暗变化,自动开灯和关灯。三是根据交通情况自动调节亮灯状态:当 汽车靠近路灯时,路灯能自动点亮;当汽车远离时,路灯自动熄灭。四声光报警功能,当路灯出现故障时而不 亮时,控制器发出信号,并显示有故障路灯的地址编号。五是根据绿色节能照明要求,采纳恒流源 驱动 LED 路灯发亮且能调光,路灯驱动电源输出功率能在 20%~100%范围内设定并调节,调节误差≤2%。以上功能的实现,都是以单片机为核心, 在单片机系统实现的输入输出和显示功能的基础上,由单片机的内置逻辑和运算功能,加上一定的外围电路得以实现。针对以上的五个功能,采纳模块 化的设计思想,以下分别叙述之。1.2.2 方案论证与比较 1.2.2.1 时钟功能及定时开关机。方案一:采纳专用时钟芯片。 现在流行的串行时钟电路 很多,如 DS1302、 DS1307、PCF8485 等。其优势是可以单独使用,直接连接到单片机外围,有自己独立的时钟晶振,精度较高。单片机通过串行接口 读取和写入当...

1、当您付费下载文档后,您只拥有了使用权限,并不意味着购买了版权,文档只能用于自身使用,不得用于其他商业用途(如 [转卖]进行直接盈利或[编辑后售卖]进行间接盈利)。
2、本站所有内容均由合作方或网友上传,本站不对文档的完整性、权威性及其观点立场正确性做任何保证或承诺!文档内容仅供研究参考,付费前请自行鉴别。
3、如文档内容存在违规,或者侵犯商业秘密、侵犯著作权等,请点击“违规举报”。

碎片内容

基于单片机模拟路灯控制系统本科毕业设计论文

您可能关注的文档

津创媒+ 关注
实名认证
内容提供者

欢迎交流文创,小店资料希望满足您的需要。

确认删除?
VIP
微信客服
  • 扫码咨询
会员Q群
  • 会员专属群点击这里加入QQ群
客服邮箱
回到顶部