电脑桌面
添加小米粒文库到电脑桌面
安装后可以在桌面快捷访问

室内干挂墙砖施工工艺

室内干挂墙砖施工工艺_第1页
1/4
室内干挂墙砖施工工艺_第2页
2/4
室内干挂墙砖施工工艺_第3页
3/4
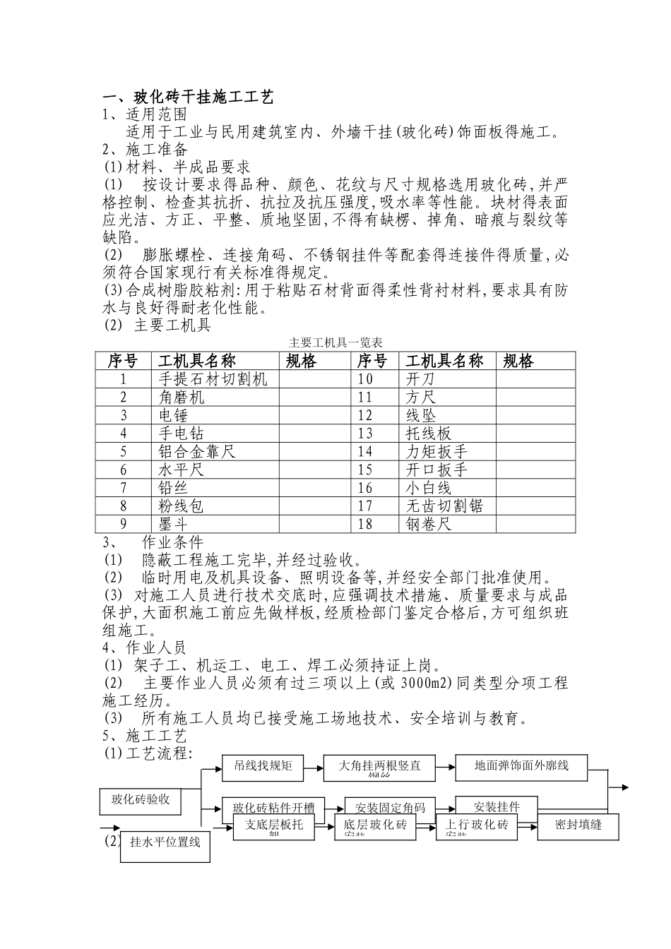
一、玻化砖干挂施工工艺1、适用范围 适用于工业与民用建筑室内、外墙干挂(玻化砖)饰面板得施工。2、施工准备(1)材料、半成品要求(1) 按设计要求得品种、颜色、花纹与尺寸规格选用玻化砖,并严格控制、检查其抗折、抗拉及抗压强度,吸水率等性能。块材得表面应光洁、方正、平整、质地坚固,不得有缺楞、掉角、暗痕与裂纹等缺陷。(2) 膨胀螺栓、连接角码、不锈钢挂件等配套得连接件得质量,必须符合国家现行有关标准得规定。(3)合成树脂胶粘剂:用于粘贴石材背面得柔性背衬材料,要求具有防水与良好得耐老化性能。(2) 主要工机具主要工机具一览表序号工机具名称规格序号工机具名称规格1手提石材切割机10开刀2角磨机11方尺3电锤12线坠4手电钻13托线板5铝合金靠尺14力矩扳手6水平尺15开口扳手7铅丝16小白线8粉线包17无齿切割锯9墨斗18钢卷尺3、 作业条件(1) 隐蔽工程施工完毕,并经过验收。(2) 临时用电及机具设备、照明设备等,并经安全部门批准使用。(3) 对施工人员进行技术交底时,应强调技术措施、质量要求与成品保护,大面积施工前应先做样板,经质检部门鉴定合格后,方可组织班组施工。4、作业人员(1) 架子工、机运工、电工、焊工必须持证上岗。(2) 主要作业人员必须有过三项以上(或 3000m2)同类型分项工程施工经历。(3) 所有施工人员均已接受施工场地技术、安全培训与教育。5、施工工艺(1)工艺流程:(2)操作工艺玻化砖验收吊线找规矩玻化砖粘件开槽大角挂两根竖直钢丝地面弹饰面外廓线安装固定角码安装挂件支底层板托架底层玻化砖安装密封填缝上行玻化砖安装挂水平位置线1)玻化砖验收:收货要设专人负责管理,要仔细检查材料得规格、型号就是否正确,与料单就是否相符,发现玻化砖颜色明显不一致得,要单独码放,以便退还给厂家,如有裂纹、缺棱掉角得,要修理后再用,严重得不得使用。还要注意石材堆放地要夯实,垫 10cm×10cm 通长方木,让其高出地面 8cm 以上,方木上最好钉上橡胶条,玻化砖按 75°立放斜靠在专用得钢架上,每玻化砖之间要用塑料薄膜隔开靠紧码放。2) 基层准备:清理基层表面,同时进行吊直、套方、找规矩,弹出垂直线、水平线。并根据施工图纸与实际需要弹出板材安装位置线。玻化砖安装前要事先用经纬仪打出大角两个面得竖向控制线,最好弹在离大角20cm 得位置上,以便随时检查垂直挂线得准确性,保证顺利安装。竖向挂线宜用 φ1、0~φ1、2 得钢丝为好,下边沉铁随高度而定,一般40m 以下高度沉铁重量为 8~10kg,上端挂在专用得角钢架...

1、当您付费下载文档后,您只拥有了使用权限,并不意味着购买了版权,文档只能用于自身使用,不得用于其他商业用途(如 [转卖]进行直接盈利或[编辑后售卖]进行间接盈利)。
2、本站所有内容均由合作方或网友上传,本站不对文档的完整性、权威性及其观点立场正确性做任何保证或承诺!文档内容仅供研究参考,付费前请自行鉴别。
3、如文档内容存在违规,或者侵犯商业秘密、侵犯著作权等,请点击“违规举报”。

碎片内容

室内干挂墙砖施工工艺

确认删除?
VIP
微信客服
  • 扫码咨询
会员Q群
  • 会员专属群点击这里加入QQ群
客服邮箱
回到顶部