电脑桌面
添加小米粒文库到电脑桌面
安装后可以在桌面快捷访问

常用材料导热系数

常用材料导热系数_第1页
1/9
常用材料导热系数_第2页
2/9
常用材料导热系数_第3页
3/9
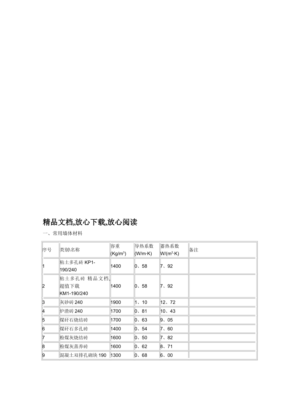
精品文档,放心下载,放心阅读一、常用墙体材料序号类别\名称容重 (Kg/m3)导热系数 (W/m·K)蓄热系数 W/(m2·K)备注1粘土多孔砖 KP1-190/24014000、587、92 2粘土多孔砖 精品文档,超值下载KM1-190/24014000、587、92 3灰砂砖 24019001、1012、72 4炉渣砖 24017000、8110、43 5煤矸石烧结砖17000、639、05 6煤矸石多孔砖14000、547、60 7粉煤灰烧结砖16000、507、82 8粉煤灰蒸养砖16000、628、71 9混凝土双排孔砌块 19013000、686、00 10混凝土单排孔砌块 19012001、025、88 11混凝土多孔砖 (240×115×90)15000、808、78 12混凝土多孔砖 (240×190×90)15000、868、75 13混凝土砌块内填膨胀珍珠岩(单排孔)13000、331、28 14煤矸石砌块内填膨胀珍珠岩13000、273、25 15ALC 加气混凝土砌块5000、203、60用于墙体修正系数 1、35; 用于屋面修正系数 1、45;16粉煤灰加气混凝土砌块 7000、223、59用于墙体修正系数 1、35; 用于屋面修正系数 1、45;17烧结淤泥普通砖17000、507、82修正系数 1、1518烧结淤泥多孔砖13000、486、74修正系数 1、1519页岩模数烧结砖13000、456、60修正系数 1、15 二、常用保温材料序号类别\名称容重 (Kg/m3)导热系数 (W/m·K)蓄热系数 W/(m2·K)备注20水泥基复合保温砂浆 (W型)4000、081、56用于屋面修正系数 1、30; 用于墙体修正系数 1、25;21水泥基复合保温砂浆 (L 型)2500、061、07用于屋面修正系数 1、35;用于墙体修正系数 1、25;22水泥基无机矿物轻集料保温砂浆4500、0851、80适用于内保温23粉刷石膏保温砂浆5000、0854、00适用于内保温24挤塑聚苯板(XPS)25~350、030、54用于屋面修正系数 1、25;用于墙体修正系数 1、15;25模塑聚苯板(EPS)18~220、0410、36用于墙体修正系数 1、20;26聚氨酯(外墙外保温)300、0240、36用于墙体修正系数 1、20;27聚氨酯(屋面保温)35~500、0240、54用于屋面修正系数 1、35;注:保温装饰板根据所选保温材料不同,选用相应得热工性能参数及修正系数。 三、混凝土3、1 普通混凝土序号类别\名称容重 (Kg/m3)导热系数 (W/m·K)蓄热系数 W/(m2·K)备注28钢筋混凝土25001、7417、06修正系数 1、00;3、2 轻骨料混凝土序号类别\名称容重 (Kg/m3)导热系数 (W/m·K)蓄热系数 W/(m2·K)备注29自然煤矸石、炉渣混凝土(ρ=1700)1700111、39修正系数 1、00;30自然煤矸石、炉渣混凝土(ρ=1500)15000、769、33修正系数 1、00;31自然煤矸石、炉...

1、当您付费下载文档后,您只拥有了使用权限,并不意味着购买了版权,文档只能用于自身使用,不得用于其他商业用途(如 [转卖]进行直接盈利或[编辑后售卖]进行间接盈利)。
2、本站所有内容均由合作方或网友上传,本站不对文档的完整性、权威性及其观点立场正确性做任何保证或承诺!文档内容仅供研究参考,付费前请自行鉴别。
3、如文档内容存在违规,或者侵犯商业秘密、侵犯著作权等,请点击“违规举报”。

碎片内容

常用材料导热系数

您可能关注的文档

确认删除?
VIP
微信客服
  • 扫码咨询
会员Q群
  • 会员专属群点击这里加入QQ群
客服邮箱
回到顶部