电脑桌面
添加小米粒文库到电脑桌面
安装后可以在桌面快捷访问

年5万吨层状结晶二硅酸钠工程申请报告

年5万吨层状结晶二硅酸钠工程申请报告_第1页
1/7
年5万吨层状结晶二硅酸钠工程申请报告_第2页
2/7
年5万吨层状结晶二硅酸钠工程申请报告_第3页
3/7
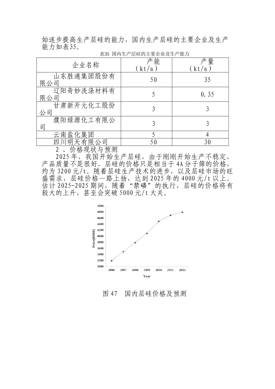
年产 5 万吨层状结晶二硅酸钠项目可行性研究报告沙洋硅业产业办二〇一〇年十月目 录一、总论二、市场预测三、资源条件评价四、建设规模与产品方案五、技术方案与工艺路线六、主要原材料、燃料供应七、环境影响评价 八、投资估算九、效益分析 十、结论一、总论1 、项目名称:年产 5 万吨层状结晶二硅酸钠项目2 、拟建地点:沙洋硅工业园区3 、承办单位:沙洋硅业产业办4 、建设规模:50kt/a,占地面积 60 亩5 、概算投资:总投资 2.2 亿元,固定资产投资 1.82 亿元6 、效益分析: 年销售收入 2.5 亿元,利税 9000 万元,投资回收期 3~4 年二、市场预测 1 、产品市场供应现状 由于水体的磷营养化造成水污染严重,洗涤剂的低磷与无磷化是洗涤产品更新换代的大趋势。目前工业上大量使用的无磷洗涤助剂为4A 沸石和偏硅酸钠,4A 分子筛存在潜在的铝污染问题,而偏硅酸钠的抗硬水性差。层状结晶二硅酸钠(层硅)将是扮演这一角色的重要洗涤助剂,因为它集合了4A分子筛对钙离子交换能力强和偏硅酸钠对镁离子交换能力强的特点,从而具有很强的抗硬水性,同时层硅又避开了二次污染问题。我国已将无磷洗涤助剂列入当前国家优先进展的高技术产业化重点领域指南(目录),自2025年起,国内生产和研发的企业开始逐步提高生产层硅的能力,国内生产层硅的主要企业及生产能力如表35。表35 国内生产层硅的主要企业及生产能力企业名称产能(kt/a)产量(kt/a)山东胜通集团股份有限公司5035辽阳奇妙洗涤材料有限公司50.35甘肃新开元化工股份公司33濮阳绿源化工有限公司33云南盐化集团54四川明天有限公司50302 、价格现状与预测 2025 年,我国开始生产层硅,由于刚刚开始生产不稳定,产品质量不是很好,层硅的价格只是相当于 4A 分子筛的价格,约为 3200 元/t。随着层硅生产技术的进步,以及层硅市场的旺盛需求,层硅价格一路上扬,达到 2025 年的 4000 元/t 以上。估计 2025-2025 期间,随着“禁磷”的执行,层硅的价格将有较大的上升,甚至会突破 5000 元/t 大关。图 47 国内层硅价格及预测图48 国内层硅供需状况3 、产品市场需求预测 层硅是一种性能优良,无毒、无污染的具有水溶性强,生物降解性、洗涤力高的化学品,具有水溶性、对漂白剂稳定性及pH值的均衡能力等特性,同时满足助洗剂的三大功能,即软化水、以稳定的pH值为洗衣粉提供必要的碱性,表现出良好的抗再沉降能力,是目前唯一能全面替代三聚磷酸钠...

1、当您付费下载文档后,您只拥有了使用权限,并不意味着购买了版权,文档只能用于自身使用,不得用于其他商业用途(如 [转卖]进行直接盈利或[编辑后售卖]进行间接盈利)。
2、本站所有内容均由合作方或网友上传,本站不对文档的完整性、权威性及其观点立场正确性做任何保证或承诺!文档内容仅供研究参考,付费前请自行鉴别。
3、如文档内容存在违规,或者侵犯商业秘密、侵犯著作权等,请点击“违规举报”。

碎片内容

年5万吨层状结晶二硅酸钠工程申请报告

确认删除?
VIP
微信客服
  • 扫码咨询
会员Q群
  • 会员专属群点击这里加入QQ群
客服邮箱
回到顶部