电脑桌面
添加小米粒文库到电脑桌面
安装后可以在桌面快捷访问

式带输送机传动装置-机械设计基础课程设计大学论文

式带输送机传动装置-机械设计基础课程设计大学论文_第1页
1/17
式带输送机传动装置-机械设计基础课程设计大学论文_第2页
2/17
式带输送机传动装置-机械设计基础课程设计大学论文_第3页
3/17
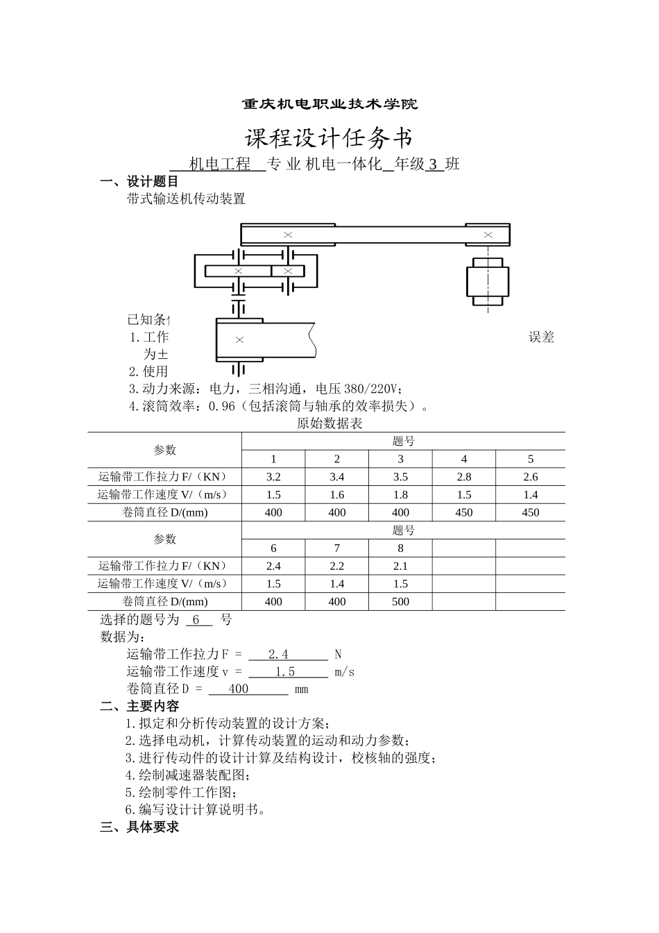
重庆机电职业技术学院课程设计说明书设计名称: 机械设计基础课程设计 题 目: 带式输送机传动装置 专 业: 机电工程 重庆机电职业技术学院课程设计任务书 机电工程 专 业 机电一体化 年级 3 班一、设计题目带式输送机传动装置已知条件:1.工作情况:两班制,连续单向运转,载荷较平稳,运输带速度允许误差为±0.5%;2.使用折旧期:五年;3.动力来源:电力,三相沟通,电压 380/220V;4.滚筒效率:0.96(包括滚筒与轴承的效率损失)。原始数据表参数题号12345运输带工作拉力 F/(KN)3.23.43.52.82.6运输带工作速度 V/(m/s)1.51.61.81.51.4卷筒直径 D/(mm)400400400450450参数题号678运输带工作拉力 F/(KN)2.42.22.1运输带工作速度 V/(m/s)1.51.41.5卷筒直径 D/(mm)400400500选择的题号为 6 号数据为:运输带工作拉力 F = 2.4 N运输带工作速度 v = 1.5 m/s卷筒直径 D = 400 mm二、主要内容1.拟定和分析传动装置的设计方案;2.选择电动机,计算传动装置的运动和动力参数;3.进行传动件的设计计算及结构设计,校核轴的强度;4.绘制减速器装配图;5.绘制零件工作图;6.编写设计计算说明书。三、具体要求本课程设计要求在 2 周时间内完成以下的任务:1.绘制减速器装配图 1 张(A2 图纸);2.零件工作图 2 张(齿轮和轴,A4 图纸);3.设计计算说明书 1 份,约 3000 字左右。四、进度安排次序设计内容时间分配(天)1指导老师介绍课程设计注意事项12拟定设计方案13传动件的设计计算24画装配图25画零件图26编写设计说明书2五、成绩评定指导老师 张海秀 签名 日期 年 月 日系主任 审核 日期 年 月 日目录一 设计任务的分析.......................................................................................................21.1 本课程设计的目的..........................................................................................21.2 本课程设计的内容、任务及要求..................................................................21.2.1 课程设计的内容...................................................................................21.2.2 课程设计的任务...................................................................................21.2.3 课程设计的要求........................................................................

1、当您付费下载文档后,您只拥有了使用权限,并不意味着购买了版权,文档只能用于自身使用,不得用于其他商业用途(如 [转卖]进行直接盈利或[编辑后售卖]进行间接盈利)。
2、本站所有内容均由合作方或网友上传,本站不对文档的完整性、权威性及其观点立场正确性做任何保证或承诺!文档内容仅供研究参考,付费前请自行鉴别。
3、如文档内容存在违规,或者侵犯商业秘密、侵犯著作权等,请点击“违规举报”。

碎片内容

式带输送机传动装置-机械设计基础课程设计大学论文

领读文化+ 关注
实名认证
内容提供者

传播文化,铸就未来

确认删除?
VIP
微信客服
  • 扫码咨询
会员Q群
  • 会员专属群点击这里加入QQ群
客服邮箱
回到顶部