电脑桌面
添加小米粒文库到电脑桌面
安装后可以在桌面快捷访问

施工现场防汛应急预案

施工现场防汛应急预案_第1页
1/9
施工现场防汛应急预案_第2页
2/9
施工现场防汛应急预案_第3页
3/9
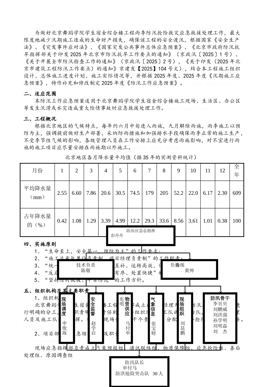
北京舞蹈学院新建学生宿舍综合楼项目 1#学生集体宿舍楼等 4 项 (学生宿舍综合楼) 防汛工作应急预案 编 制: 审 核: 审 批: 南通启益建设集团有限公司 二〇一七年五月二十七日目 录一、编制依据.............................................................................2AWjUDXL。IWZc2pR。pgHR16O。二 、适应范围 ........................................................ 2 4FSA2ko。ZMjoLAn。Mkz7Ekf。三、工程概况 ........................................................ 2 flSWghR。XOqFhSZ。MOKAOc7。四、实施原则 ........................................................ 2 BZVbwvO。jBuznxV。8Xo870M。五、组织机构及其主要职责 ............................................ 2 EBsN3hq。f1Lzkew。cZYUHFG。六、应急报警机制 .......................... Error: Reference source not found 7amew7v。EpMww4n。yF2l6x0。七、险情水毁应急与救援 .................... Error: Reference source not found KPfS8nn。kCK36m6。T1tuCke。八、险情水毁报告 .......................... Error: Reference source not found j6rlfRE。zYdnTdL。tXokm7r。九、防汛物资及设备的准备 ............................................ 4 ahCbEYK。Rl4aT46。TYSIvKb。十、防汛 重点监控内容 ................................................ 5 73z4kG0。asOiJUE。ZBsx752。十一、防汛可利用资源表 .............................................. 7 EqL8YFr。Df9oDty。Y0LUeWS。十二、汛期巡查预警制度及巡查值班表 ........ Error: Reference source not found lBWhuN8。wEn1Uqg。5cNUqa4。一、编制依据为做好北京舞蹈学院学生宿舍综合楼工程雨季防汛抢险救灾应急救援处理工作,最大限度地减少汛期施工造成的生命财产损失,确保该工程的安全渡汛,根据国家《安全生产法》、《突发事件应对法》、《国家突发公共事件总体应急预案》、《北京市政府防汛抗旱指挥部关于印发 2025 年北京市防汛抗旱工作要点的通知》(京政汛〔2025〕1 号)、《关于开展全市防汛检查工作的通知》(京政汛〔2025〕2 号),《关于印发(2025 年北京市建筑工程防汛工作要点)的通知》京建发【2025】104 号文),结合本工程施工组织设计、总体施工进度计划、施工实际情况等,并根据...

1、当您付费下载文档后,您只拥有了使用权限,并不意味着购买了版权,文档只能用于自身使用,不得用于其他商业用途(如 [转卖]进行直接盈利或[编辑后售卖]进行间接盈利)。
2、本站所有内容均由合作方或网友上传,本站不对文档的完整性、权威性及其观点立场正确性做任何保证或承诺!文档内容仅供研究参考,付费前请自行鉴别。
3、如文档内容存在违规,或者侵犯商业秘密、侵犯著作权等,请点击“违规举报”。

碎片内容

施工现场防汛应急预案

不二商店+ 关注
实名认证
内容提供者

我是你的不二选择

确认删除?
VIP
微信客服
  • 扫码咨询
会员Q群
  • 会员专属群点击这里加入QQ群
客服邮箱
回到顶部