电脑桌面
添加小米粒文库到电脑桌面
安装后可以在桌面快捷访问

本科毕业设计-氧气站区域管道焊接方案三维动画效果图

本科毕业设计-氧气站区域管道焊接方案三维动画效果图_第1页
1/453
本科毕业设计-氧气站区域管道焊接方案三维动画效果图_第2页
2/453
本科毕业设计-氧气站区域管道焊接方案三维动画效果图_第3页
3/453
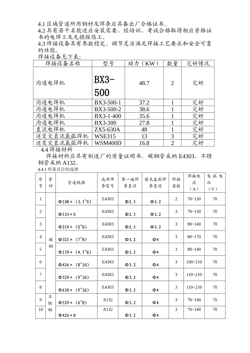
氧气站区域管道焊接方案 批 准: 审 核: 编 制: 项目部:安装一处目 录概述施工依据及执行标准焊接工艺焊接质量的控制劳动力安排及施工进度计划施工安全技术措施1、概述 区域管道安装包括空气预冷、分子筛纯化、空气过滤器及压缩系统、透平膨胀机系统、液氧液氩贮存系统、空分塔系统、调压站及站区管线中的氧气、氮气、氩气、空气、水五种管道的安装。各系统的设备通过相关管道彼此相连,使各系统成为不可分割的整体,在这个整体内完成从空气到氧气、氮气、氩气的生产。施工依据及执行标准2.1 施工依据:施工图及相关管道技术文件 施工图号:67.285Q1、67.285Q2、67.285Q3、67.285Q4、67.285Q5、67.285Q6、67.285Q7、67.285Q82.2 执行标准:施工图及相关管道技术文件 施工图号:67.285Q1、67.285Q2、67.285Q3、67.285Q4、67.285Q5、67.285Q6、67.285Q7、67.285Q8GBJ236—82《工业管道焊接工程施工及验收法律规范》GBJ50235—97《工业金属管道工程施工及验收法律规范》焊接工艺4、管道焊接质量的控制焊机电流调整焊缝组对焊接X 射线照相4.1 区域管道所用钢材及焊条应具备出厂合格证书。4.2 具有若干名能适应安装需要,经培训、考试合格取得相应资格证书的电焊工及无损探伤工。4.3 焊接设备具有参数稳定、调节灵活满足焊接工艺要求和安全可靠的性能。焊接设备见下表:焊接设备名称型号动力(KW)数量完好情况沟通电焊机BX3-50048.72完好沟通电焊机BX3-500-137.21完好沟通电焊机BX3-500-238.61完好沟通电焊机BX3-1-40035.61完好沟通电焊机BX3-30027.81完好直流电焊机ZX5-630A481完好逆变交直流氩弧焊机WSE315133完好逆变交直流氩弧焊机WSM400D16.82完好 4.4 焊接材料 焊接材料应具有制造厂的质量证明书。碳钢管采纳 E4303,不锈钢管采纳 A132。4.4.1 焊条直径的选择序号管材管道规格选用焊条型号第一遍焊条直径填充盖面焊条直径焊接层数焊接电流(A)电 弧 电压(V)1碳钢Φ108×(3.5~5)E4303Φ2.5Φ3.2270~130702Φ133×5E4303Φ2.5Φ3.2370~130703Φ219×(5~6)E4303Φ2.5Φ3.2380~140704Φ325×(7~8)E4303Φ3.2Φ4380~170705Φ159×(4.5~6)E4303Φ3.2Φ4380~140706Φ426×(8~10)E4303Φ3.2Φ43100~210707Φ529×(9~10)E4303Φ3.2Φ43110~210708Φ630×(9~10)E4303Φ3.2Φ43110~210709不锈钢Φ529×(6~8)A132Φ3.2Φ4370~1407010Φ426×8A132Φ3.2Φ4370~1407011Φ219×6A132Φ2.5Φ3.2350~1107012Φ159...

1、当您付费下载文档后,您只拥有了使用权限,并不意味着购买了版权,文档只能用于自身使用,不得用于其他商业用途(如 [转卖]进行直接盈利或[编辑后售卖]进行间接盈利)。
2、本站所有内容均由合作方或网友上传,本站不对文档的完整性、权威性及其观点立场正确性做任何保证或承诺!文档内容仅供研究参考,付费前请自行鉴别。
3、如文档内容存在违规,或者侵犯商业秘密、侵犯著作权等,请点击“违规举报”。

碎片内容

本科毕业设计-氧气站区域管道焊接方案三维动画效果图

您可能关注的文档

文森传品+ 关注
实名认证
内容提供者

一家传播文化教育的小店,资料丰富,随意挑选。

确认删除?
VIP
微信客服
  • 扫码咨询
会员Q群
  • 会员专属群点击这里加入QQ群
客服邮箱
回到顶部