电脑桌面
添加小米粒文库到电脑桌面
安装后可以在桌面快捷访问

桩施工进度记录表

桩施工进度记录表_第1页
1/8
桩施工进度记录表_第2页
2/8
桩施工进度记录表_第3页
3/8
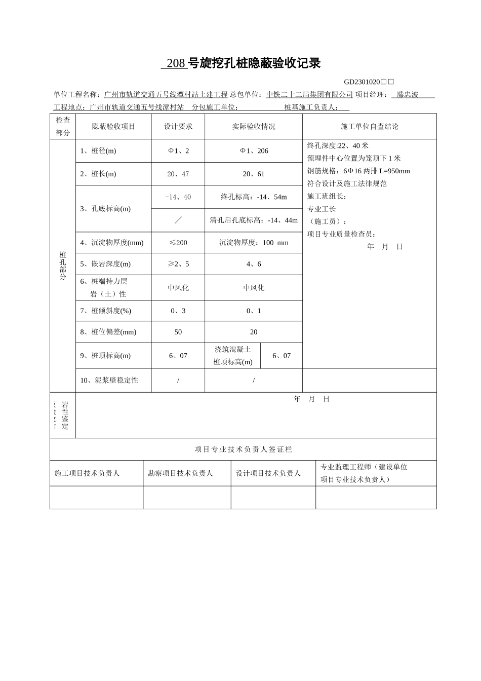
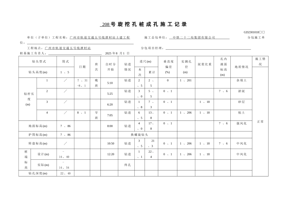
208 号 旋 挖 孔 桩 成 孔 施 工 记 录GD2301018□□单 位 ( 子 单 位 ) 工 程 名 称 : 广 州 市 轨 道 交 通 五 号 线 潭 村 站 土 建 工 程 施 工 总 包 单 位 : 中 铁 二 十 二 局 集 团 有 限 公 司 分 包 施 工 单位 : 工 程 地 点 : 广 州 市 轨 道 交 通 五 号 线 潭 村 站 分 包 项 目 经 理 : 桩 基 施 工 负 责 人 : 2025 年 8 月 1 日钻 头 型 式筒 式日 期班次自 时 分开 始钻 进情 况进 尺 (m)垂 直 度偏 差(%)实 测 孔径(m)泥 浆 比 重孔 内液 面标 高(m)地 质 情 况施 工 情况钻 头 高 度 (m)1 、 5本次累 计正 常钻 杆 长度(m)1╱7 、 31-8 、 1晚班5:10钻 进2、 52 、501 、 201杂 填 土2╱5:25钻 进3、 05 、50 、 17 、 6淤 泥3╱6:20钻 进1、 87 、30 、 11 、 18砂 层4╱8 、 1早班7:05钻 进6、 513 、80 、 11 、 2061 、 18粘 土地 面 标 高 (m)7 、 868:00钻 进4、 017 、80 、 17 、 6强 风 化护 筒 标 高 (m)7 、 86换 螺 旋 钻 头转 盘 标 高 (m)╱10:50钻 进3、 521、 30 、 11 、 2061 、 187 、 6中 风 化桩端标高设 计 (m)-14 、 4012:20钻 进1、 122 、40 、 11 、 2061 、 18中 风 化实 际 (m)-14 、 54终 孔钻 孔 深 度 (m)22 、 40出 渣 方 法直 接 出渣沉 渣厚 度(mm)设 计 允 许偏 差≤200实 际100嵌 岩段岩 性设计中 风 化实际中 风 化深 度(m)设计≥2、 5实际4 、 6桩 端 持 力层 岩 (土 )性设 计中 风 化实 际中 风 化早 班 班 长 :中 班 班 长 :晚 班 班 长 :早 班 班 长 :中 班 班 长 :晚 班 班 长 : 专 业 工 长 ( 施 工 员 ) : 专 业 质 量 检 查 员 : 施 工 技 术 负 责 人 : 监 理 ( 建 设 ) 单 位 见 证 员 : 208 号旋挖孔桩隐蔽验收记录GD2301020□□单位工程名称:广州市轨道交通五号线潭村站土建工程 总包单位:中铁二十二局集团有限公司 项目经理: 滕忠波 工程地点:广州市轨道交通五号线潭村站 分包施工单位: 桩基施工负责人: 检查部分隐蔽验收项目设计要求实际验收情况施工单位自查结...

1、当您付费下载文档后,您只拥有了使用权限,并不意味着购买了版权,文档只能用于自身使用,不得用于其他商业用途(如 [转卖]进行直接盈利或[编辑后售卖]进行间接盈利)。
2、本站所有内容均由合作方或网友上传,本站不对文档的完整性、权威性及其观点立场正确性做任何保证或承诺!文档内容仅供研究参考,付费前请自行鉴别。
3、如文档内容存在违规,或者侵犯商业秘密、侵犯著作权等,请点击“违规举报”。

碎片内容

桩施工进度记录表

您可能关注的文档

确认删除?
VIP
微信客服
  • 扫码咨询
会员Q群
  • 会员专属群点击这里加入QQ群
客服邮箱
回到顶部