电脑桌面
添加小米粒文库到电脑桌面
安装后可以在桌面快捷访问

模袋混凝土施工方案

模袋混凝土施工方案_第1页
1/8
模袋混凝土施工方案_第2页
2/8
模袋混凝土施工方案_第3页
3/8
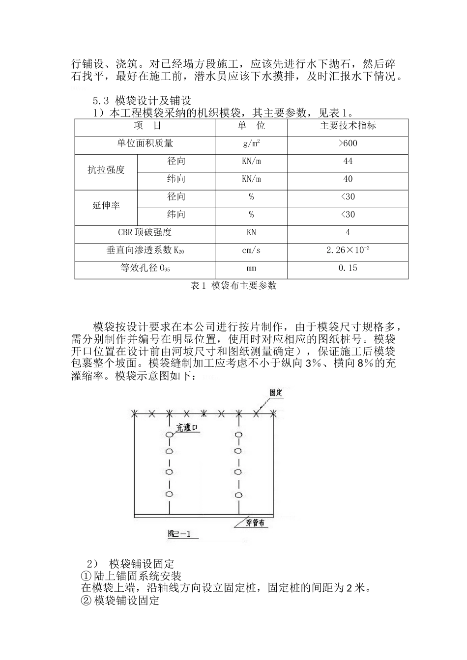
泰州引江河高港枢纽船闸加固工程土建施工及设备安装项目水下模袋砼护坡工程施工方案一、编制目的:本船闸加固工程土建施工及设备安装项目工程的护坡为模袋混凝土,为了保证模袋混凝土工程按期、保质、保量的完成,特制订本模袋混凝土施工方案。kibSN。二、编制依据:招投标文件、设计文件、施工组织设计、《水利工程施工质量检验与评定法律规范》等。三、工程概况:本船闸加固工程土建施工及设备安装项目工程的护坡为模袋混凝土防护面积总计 3.8 万 m2,其中施工图设计 3.8330m2。ML6PS。四、模袋混凝土施工进度计划工期模袋混凝土具体施工时分两步实施,第一步先进行桩号 1+230-0+780 断面施工,混凝土目前均可以直接到达;第二部进行 0+780-长江口护坡施工。2nxM2。船闸下游施工对过往船只影响较大,施工时需海事部门配合。每一步具体施工时首先进行报请海事,第二步在确保安全的前提下,模袋混凝土才可以进行水下作业。Y2zwk。拟定工期 2025 年 03 月 15 日 至 2025 年 05 月 30 日 ,实际工期按招标人业主工期要求 aV0Ta。五、模袋混凝土施工5.1 施工流程 2、劳动力组织 计划投入参加过引江河河道模袋砼施工的队伍进场,施工经验丰富,质量有保证。测量、整平模袋设计、加工砼配合比试验铺设模袋砼拌制模袋砼灌注质量检测施工班组人员安排表工种名称计划需用量(每班)工作内容模袋砼施工班组班组长1 人模袋砼施工班组的日常管理,泵机操作及日常维护保养砼工3 人商品砼放料、输送管道的接、拆、清洗维护袋口操作工6 人模袋铺设、定位、充灌过程操作、监控铺布操作工2 人潜水员2 人水下操作后勤保障1 人后勤服务电工1 人泵机供电及施工场地用电合计:16 人。3、在正式施工前几天,根据施工图纸上模袋的规格、单块长度等要求委托生产厂家进行生产缝制。 4、机械设备配置 根据本试验段的工作量安排了相应的设备,详细情况如下: 序号施工机械设备名称单位数量1砼泵 HBT80台12砼输送 Φ125 泵管米1003Φ125 软管米64Φ100 软管米106水泵台27潜水设备(包括水下通讯设备)套18对讲机对19潜水泵台15.2 水下坡面开挖及平整考虑到施工区域范围较小,且地质以砂土为主,修整方法为:模袋砼端部及底层用水上挖机进行开挖及平整,修整基本到位后进行铺设、浇筑。对已经塌方段施工,应该先进行水下抛石,然后碎石找平,最好在施工前,潜水员应该下水摸排,及时汇报水下情况。D0Auw。5.3 模袋设计及铺设1)本工...

1、当您付费下载文档后,您只拥有了使用权限,并不意味着购买了版权,文档只能用于自身使用,不得用于其他商业用途(如 [转卖]进行直接盈利或[编辑后售卖]进行间接盈利)。
2、本站所有内容均由合作方或网友上传,本站不对文档的完整性、权威性及其观点立场正确性做任何保证或承诺!文档内容仅供研究参考,付费前请自行鉴别。
3、如文档内容存在违规,或者侵犯商业秘密、侵犯著作权等,请点击“违规举报”。

碎片内容

模袋混凝土施工方案

您可能关注的文档

确认删除?
VIP
微信客服
  • 扫码咨询
会员Q群
  • 会员专属群点击这里加入QQ群
客服邮箱
回到顶部