电脑桌面
添加小米粒文库到电脑桌面
安装后可以在桌面快捷访问

水稳基层自检 样本VIP专享

水稳基层自检 样本_第1页
1/10
水稳基层自检 样本_第2页
2/10
水稳基层自检 样本_第3页
3/10
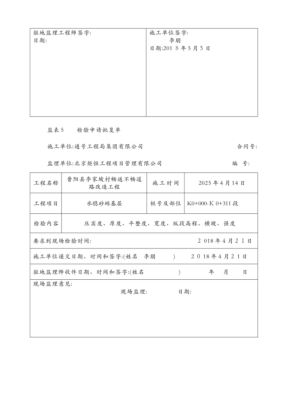
监表 5 检验申请批复单施工单位:通号工程局集团有限公司 合同号: 监理单位:北京炬恒工程项目管理有限公司 编 号: 工程名称昔阳县李家坡村畅返不畅道路改造工程施 工 时 间 2 0 1 8 年4月14日 工程项目水稳砂砾基层桩号及部位K0+000-K0+3 11 段检验内容压实度、厚度、平整度、宽度、纵段高程、横坡、强度要求到现场检验时间: 20 1 8年4月21日施工单位递交日期、时间和签字:(姓名 李朋 ) 2 0 18 年 4 月 21日驻地监理师收件日期、时间和签字:(姓名 ) 年 月 日现场监理意见: 现场监理: 日期:本项目可以继续进行质量证明附件:检表 2 3 水泥稳定粒料基层 (底基层)质量检验表施表 5 标高、横坡度检测记录表施表 6 高程现场检查记录表驻地监理工程师签字:日期:施工单位签字: 李朋日期:201 8年 5 月5日监表 5 检验申请批复单施工单位:通号工程局集团有限公司 合同号: 监理单位:北京炬恒工程项目管理有限公司 编 号: 工程名称昔阳县李家坡村畅返不畅道路改造工程施 工 时 间 2025 年 4 月 14 日工程项目水稳砂砾基层桩号及部位K0+000-K 0+311 段检验内容压实度、厚度、平整度、宽度、纵段高程、横坡、强度要求到现场检验时间: 2 018 年4月21日施工单位递交日期、时间和签字:(姓名 李朋 ) 2 0 18 年4月2 1 日驻地监理师收件日期、时间和签字:(姓名 ) 年 月 日 现场监理意见: 现场监理: 日期:本项目可以继续进行质量证明附件:检表 23 水泥稳定粒料基层(底基层)质量检验表施表 5 标高、横坡度检测记录表施表 6 高程现场检查记录表驻地监理工程师签字:日期:施工单位签字: 李朋日期:检表 23 水泥稳定粒料基层(底基层)质量检验表承包单位:通号工程局集团有限公司 合同段: 监理单位:北京炬桓工程项目管理有限公司 编 号: 第 页共 页工程名称昔 阳 县 李 家 坡 村 畅 返不畅道路改造工程桩 号 及部位K0+0 00-K0+311水稳砂砾基层施工日期2 018 年 4 月 14日检测日期20 1 8 年 4 月2 1 日项次检测项目规 定 值 或 允 许 偏差检查方法和频率检 测 值基层底基层1压实度%代表值9795按附录B检查每 200m 每车道 2 处见报告极值9 39 12平整度 mm12153m 直尺:每 2 0 0m 测 2 处×10 尺小于123纵断高程 mm+5,-15+5,-20水 准 仪 : 每 2 0 0 m测 4 个断面见附表...

1、当您付费下载文档后,您只拥有了使用权限,并不意味着购买了版权,文档只能用于自身使用,不得用于其他商业用途(如 [转卖]进行直接盈利或[编辑后售卖]进行间接盈利)。
2、本站所有内容均由合作方或网友上传,本站不对文档的完整性、权威性及其观点立场正确性做任何保证或承诺!文档内容仅供研究参考,付费前请自行鉴别。
3、如文档内容存在违规,或者侵犯商业秘密、侵犯著作权等,请点击“违规举报”。

碎片内容

水稳基层自检 样本

文森传品+ 关注
实名认证
内容提供者

一家传播文化教育的小店,资料丰富,随意挑选。

确认删除?
VIP
微信客服
  • 扫码咨询
会员Q群
  • 会员专属群点击这里加入QQ群
客服邮箱
回到顶部