电脑桌面
添加小米粒文库到电脑桌面
安装后可以在桌面快捷访问

农业办公楼二次结构技术交底资料

农业办公楼二次结构技术交底资料_第1页
1/9
农业办公楼二次结构技术交底资料_第2页
2/9
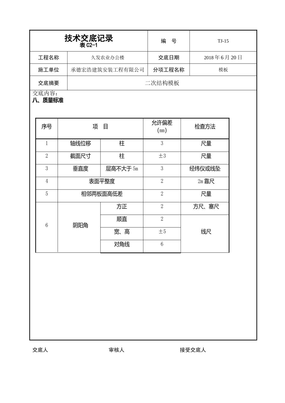
农业办公楼二次结构技术交底资料_第3页
3/9
技术交底记录表 C2-1编 号TJ-15 工程名称久发农业办公楼交底日期2018 年 6 月 20 日施工单位承德宏浩建筑安装工程有限公司分项工程名称模板 交底摘要二次结构模板交底内容: 一、施工准备 1、材料要求 1.1 模板:木模板(尺寸 915x1830mm 厚度 12mm) 1.2 方木:截面尺寸 40x80mm 1.3 隔离剂:严禁使用油性隔离剂,必须使用水性隔离剂。 1.4 模板截面支撑用料:采用水泥支撑。如采用钢筋支撑,钢筋两端点好防锈漆。 2、施工器具:木工圆锯、木工平刨、压刨、手提电锯、手提压刨、打眼电钻、线坠、靠尺板、方尺、铁水平尺、撬棍等。二、作业条件 1、放好轴线、模板边线、水平控制标高,模板底口平整、坚实,若达不到要求的应做水泥砂浆找平层。2、模板加工好后,专人认真检查模板规格尺寸,按照配模图编号,并均匀涂刷隔离剂,分规格码放,并有防雨、防潮、防砸措施。 3、构造柱、抱框柱、过梁、窗台板支模前,二次结构砌体砌筑完毕,钢筋绑扎垫好钢筋保护层垫块,并办理好隐蔽验收手续。三、操作工艺1、构造柱、抱框柱模板支设:先按图纸要求配好模板,待墙体砌筑完留好马牙槎,钢筋工绑扎好钢筋后,模板与马牙槎处必须贴双面胶带,贴双面胶带之前弹位置线,要求横平竖直,根据墙体立好构造柱侧模板,在加气混凝土墙上打穿墙螺栓眼,用穿墙螺栓加固到位,螺栓间距不大于 600mm。3、门窗过梁、腰梁支设:先按要求配好模板,待墙体砌筑到过梁、腰梁下口位置,根据墙体支好底板和侧板并符合过梁、腰梁线位置,在腰梁下口位置弹线贴双面胶带,按墙体上的 1m 水平线找好标高,梁底、梁上口必须水平,过梁两端压墙≥240mm,支撑体系加固到位。交底人 审核人 接受交底人技术交底记录表 C2-1编 号TJ-15 工程名称久发农业办公楼交底日期2018 年 6 月 20 日施工单位承德宏浩建筑安装工程有限公司分项工程名称模板 交底摘要二次结构模板交底内容4、窗台梁模板支设:根据砌好的二次结构加气混凝土墙及其墙上的水平线,按图纸尺寸要求支设女儿墙压顶及窗台梁侧模板,模板与墙必须贴双面胶带防止漏浆,在模板下口和上口用两道步步紧结合穿墙螺栓加固到位,模板必须拉线调直、调平、接缝严密,几何尺寸正确、方正,步步紧及螺栓间距不得大于 600mm。5、导墙止水带模板、落地窗模板的支设:卫生间及有排水要求的房间,根据弹好的隔墙线,按图纸尺寸配好导墙模板,支设侧模板,用 50×50 小方木拉杆结合模板卡具加固到位...

1、当您付费下载文档后,您只拥有了使用权限,并不意味着购买了版权,文档只能用于自身使用,不得用于其他商业用途(如 [转卖]进行直接盈利或[编辑后售卖]进行间接盈利)。
2、本站所有内容均由合作方或网友上传,本站不对文档的完整性、权威性及其观点立场正确性做任何保证或承诺!文档内容仅供研究参考,付费前请自行鉴别。
3、如文档内容存在违规,或者侵犯商业秘密、侵犯著作权等,请点击“违规举报”。

碎片内容

农业办公楼二次结构技术交底资料

文章天下+ 关注
实名认证
内容提供者

各种文档应有尽有

确认删除?
VIP
微信客服
  • 扫码咨询
会员Q群
  • 会员专属群点击这里加入QQ群
客服邮箱
回到顶部