电脑桌面
添加小米粒文库到电脑桌面
安装后可以在桌面快捷访问

沉降观测记录表

沉降观测记录表 _第1页
1/7
沉降观测记录表 _第2页
2/7
沉降观测记录表 _第3页
3/7
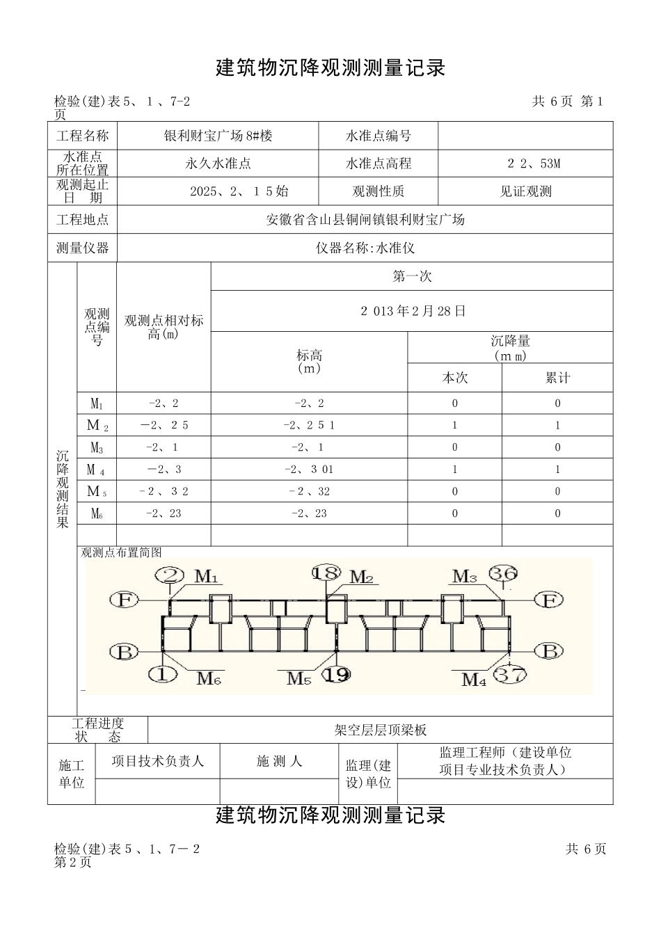
建筑物沉降观测测量记录 编号:DLMJT C-001工程名称美景天城基坑支护沉降观测水准点编号M1 - M16水准点所在位置4 号家属楼水准点高程观测日期观测性质工程地点辽源市东辽县测量仪器仪器名称:水准仪沉降观测结果观测点编号观测点相对标 高(m)上午 下午实测标高(m)沉降量(m m)实测标高(m)沉降量(mm)本次累计本次累计M1M2M3M4M5M6M7M8M9M10M11M12M13M14M15M16工程进度状 态技术部施 测 人记录人建筑物沉降观测测量记录检验(建)表 5、1、7-2 共 6 页 第1页工程名称银利财宝广场 8#楼 水准点编号水准点所在位置永久水准点水准点高程2 2、53M观测起止日 期 2025、2、1 5 始观测性质见证观测工程地点安徽省含山县铜闸镇银利财宝广场测量仪器仪器名称:水准仪 沉降观测结果观测点编号观测点相对标高(m)第一次2 013 年 2 月 28 日标高(m)沉降量(m m)本次累计M1-2、2-2、200M 2-2、2 5-2、2 5 111M3-2、1-2、100M 4-2、3-2、3 0111M5-2、3 2-2、3200M6-2、23-2、2300观测点布置简图-工程进度 状 态架空层层顶梁板施工单位项目技术负责人施 测 人监理(建设)单位监理工程师(建设单位项目专业技术负责人)建筑物沉降观测测量记录检验(建)表5、1、7-2 共 6 页 第 2 页工程名称银利财宝广场 8#楼 水准点编号水准点所在位置永久水准点水准点高程22、5 3M观测起止日 期 2025、2、15 始观测性质见证观测工程地点安徽省含山县铜闸镇银利财宝广场测量仪器仪器名称:水准仪 沉降观测结果观测点编号观测点相对标高(m)第二次2025 年3月 3 0日标高(m)沉降量(mm)本次累计M1-2、2-2、20111M 2-2、25-2、25212M3-2、1-2、1 0 111M4-2、3-2、3 0212M 5-2、32-2、32222M 6-2、23-2、23111观测点布置简图-工程进度 状 态一层顶梁板施工单位项目技术负责人施 测 人监理(建设)单位监理工程师(建设单位项目专业技术负责人)建筑物沉降观测测量记录检验(建)表 5、1、7-2 共 6页 第 3 页工程名称银利财宝广场 8#楼 水准点编号水准点所在位置永久水准点水准点高程22、5 3 M观测起止日 期 201 3、2、15 始观测性质见证观测工程地点安徽省含山县铜闸镇银利财宝广场测量仪器仪器名称:水准仪 沉降观测结果观测点编号观测点相对标高(m)第三次2 013 年 4 月 7 日标高(m)沉降量(mm)本次累计M 1-2、2-2、20212M 2...

1、当您付费下载文档后,您只拥有了使用权限,并不意味着购买了版权,文档只能用于自身使用,不得用于其他商业用途(如 [转卖]进行直接盈利或[编辑后售卖]进行间接盈利)。
2、本站所有内容均由合作方或网友上传,本站不对文档的完整性、权威性及其观点立场正确性做任何保证或承诺!文档内容仅供研究参考,付费前请自行鉴别。
3、如文档内容存在违规,或者侵犯商业秘密、侵犯著作权等,请点击“违规举报”。

碎片内容

沉降观测记录表

您可能关注的文档

确认删除?
VIP
微信客服
  • 扫码咨询
会员Q群
  • 会员专属群点击这里加入QQ群
客服邮箱
回到顶部