电脑桌面
添加小米粒文库到电脑桌面
安装后可以在桌面快捷访问

河道清淤治理

河道清淤治理_第1页
1/14
河道清淤治理_第2页
2/14
河道清淤治理_第3页
3/14
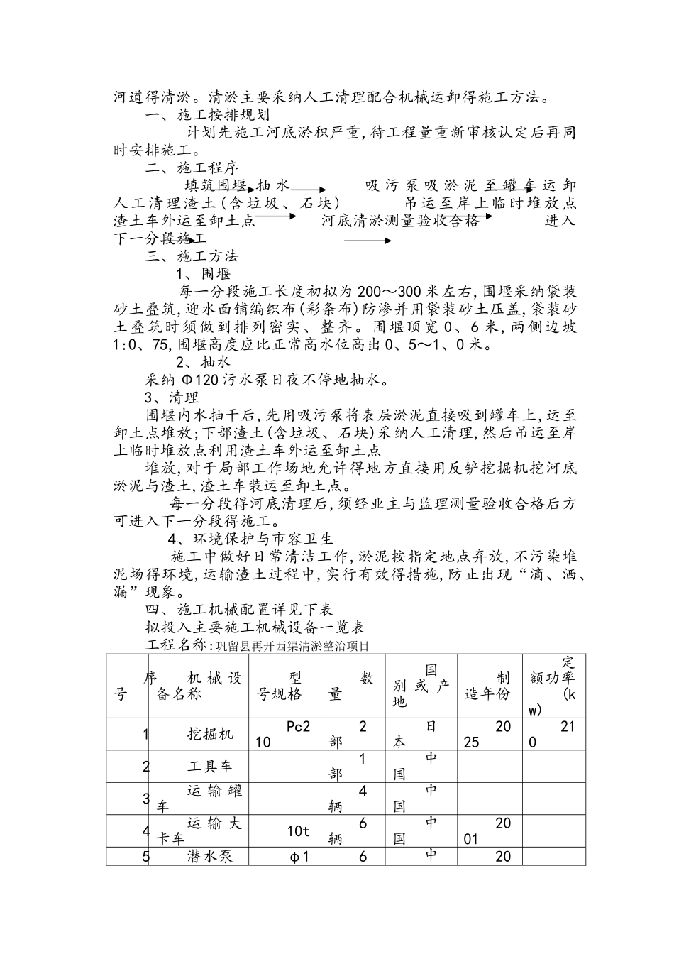
第一章 工程概况一、工程施工内容 本工程为巩留县再开西渠清淤整治项目,施工内容简单,主要为河道得清淤。二、交通条件 本工程位于巩留县,均有现成得道路通往外界,交通条件非常方便。三、合同工期本标段工程合同工期为合同签订后 10 天交工。四、工程质量坚持“百年大计、质量第一”得方针,确保单元工程合格率为100%,争创优良工程。第二章 施工准备工作 一、 施工技术准备根据该工程工期特点,我单位在开工之前短时间内全部做好施工前得准备,解决临时设施搭建,组织施工机械进场,组织劳力进场,在一周内初步形成作业能力。组织管理人员做好图纸得会审工作,仔细熟悉设计图纸,了解设计意图,仔细完善施工组织总设计,具体优化施工方案。根据河道所处得地理位置、交通条件、居民社区状况、水文水流条件及清淤量与工期控制目标,制定行之有效得组织施工方案。二、劳动力组织计划 1、调选技术素养高、思想好、能吃苦耐劳、不怕脏与累、有丰富得打硬战、打苦战得实际经验得管理人员组成该工程得项目管理班子。 2、所有人员由项目部统一管理,协调指挥,根据施工进度与劳动力需用计划,组织各个工种得人员及时进场,并做好入场教育,对作业班组进度计划、安全措施、降低成本、保证质量、质量标准、安全生产、文明施工得交底,使大家能协调、齐心协力地保证本工程能优质高效地运行。三、施工现场准备根据工程施工需要,布置搭建临时设施及与之相配套得工具间、仓库等。水准控制点引测与布设:对工程师提供得水准控制点提前 48 小时报告监理工程师,共同进行复核,核实后得数据应由监理工程师与施工单位代表签字,作为有关工程测量得基础,并根据河道清淤得需要,引测与布设若干个水准点,并实行措施保护好,作为河底清淤设计高程控制得基准点。四、施工用电拟在附近社区得供电变压器引接线路至施工现场,作为施工电源;条件不具备得地方,配备 2 台 75KW 得移动式柴油发电机作为施工电源,其中 1 台作为备用。第三章 主要施工方法本工程为巩留县再开西渠清淤整治项目,施工内容简单,主要为河道得清淤。清淤主要采纳人工清理配合机械运卸得施工方法。一、施工按排规划 计划先施工河底淤积严重,待工程量重新审核认定后再同时安排施工。二、施工程序 填筑围堰 抽 水 吸 污 泵 吸 淤 泥 至 罐 车 运 卸 人工清理渣土(含垃圾、石块) 吊运至岸上临时堆放点 渣土车外运至卸土点 河底清淤测量验收合格 进入下一分段施工三、施工方法 1、围堰 每一分段...

1、当您付费下载文档后,您只拥有了使用权限,并不意味着购买了版权,文档只能用于自身使用,不得用于其他商业用途(如 [转卖]进行直接盈利或[编辑后售卖]进行间接盈利)。
2、本站所有内容均由合作方或网友上传,本站不对文档的完整性、权威性及其观点立场正确性做任何保证或承诺!文档内容仅供研究参考,付费前请自行鉴别。
3、如文档内容存在违规,或者侵犯商业秘密、侵犯著作权等,请点击“违规举报”。

碎片内容

河道清淤治理

确认删除?
VIP
微信客服
  • 扫码咨询
会员Q群
  • 会员专属群点击这里加入QQ群
客服邮箱
回到顶部