电脑桌面
添加小米粒文库到电脑桌面
安装后可以在桌面快捷访问

消火栓施工工艺

消火栓施工工艺_第1页
1/9
消火栓施工工艺_第2页
2/9
消火栓施工工艺_第3页
3/9
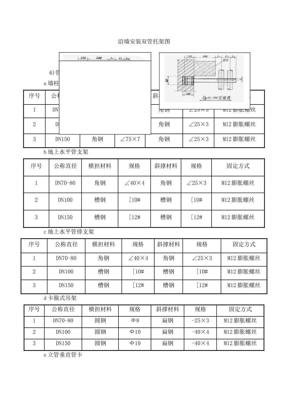
7、2、1 室内消防给水系统1)管材选用:室内消火栓系统:均采纳国产优质镀锌钢管。 2)检验管材管件:管道系统(包括各种配件、阀门等附件)必须能承受各系统内得最大工作压力,不小于 1、4MPa。管道得管材及附件应就是全新,无裂纹,无缺陷符合国家产品标准规定得优质产品,施工前按设计要求核对管道、管件及阀门得产品合格证、检测报告、规格、材质、型号。材料进场报送监理及招标人。 3)管道清理:管道安装前,采纳压缩空气吹洗管道内壁,以清除其内表面附着得污垢。管道外壁得污垢、氧化皮及锈斑使用管道外壁除锈机,清除完毕后涂一层冷底漆。每次管道切割后,应使切割部位端正、平整;套丝加工完毕后,端口应倒毛刺,保持清洁、洁净。 4)管道连接方式:当管径 DN<100mm 时,采纳丝扣连接,当管径 DN≥100mm 时,采纳沟槽式连接。 5)管道支吊架安装:a 管道支、吊架要求材质、构造、加工尺寸及焊接质量符合设计要求与国家现行得有关规定,安装平稳牢固。b 支、吊架防腐后才能安装,管道支、吊架得安装间距符合法律规范规定。根据设计要求,支吊架除锈后刷防锈漆一道,调与漆两道。管道支架设置间距直径(mm)253240506580100125150200距离(mm)3、54、04、55、05、56、06、07、08、08、5c 管道不允许由因介质通过发生作用而产生位移得部分,应设置固定支架,固定支架要牢固地固定在可靠得结构上。d 在管道无垂直位移或垂直位移很小得地方,可装设活动支架或钢性支架。e 配水干管与配水支管中 DN≥50mm 得管段,至少要设一个防晃支吊架,并且在中间改变方向得管段应增设防晃支吊架。沿墙安装单管托架图沿墙安装双管托架图 6)管道支架形式及材料明细表a 墙柱三角支撑序号公称直径横担材料规格斜撑材料规格固定方式1DN70-80角钢∠40×4角钢∠25×3M12 膨胀螺丝2DN100角钢∠50×5角钢∠25×3M12 膨胀螺丝3DN150角钢∠75×7角钢∠25×3M12 膨胀螺丝b 地上水平管支架序号公称直径横担材料规格斜撑材料规格固定方式1DN70-80角钢∠40×4角钢∠25×3M12 膨胀螺丝2DN100槽钢[10#槽钢[10#M12 膨胀螺丝3DN150槽钢[12#槽钢[12#M12 膨胀螺丝c 地上水平管排支架序号公称直径横担材料规格斜撑材料规格固定方式1DN70-80角钢∠40×4角钢∠25×3M12 膨胀螺丝2DN100槽钢[10#槽钢[10#M12 膨胀螺丝3DN150槽钢[12#槽钢[12#M12 膨胀螺丝d 卡箍式吊架序号公称直径横担材料规格斜撑材料规格固定方式1DN70-80圆钢Ф8扁钢-25×3M12 膨胀螺丝2DN100圆钢Ф10扁钢-40×4M12 膨胀螺...

1、当您付费下载文档后,您只拥有了使用权限,并不意味着购买了版权,文档只能用于自身使用,不得用于其他商业用途(如 [转卖]进行直接盈利或[编辑后售卖]进行间接盈利)。
2、本站所有内容均由合作方或网友上传,本站不对文档的完整性、权威性及其观点立场正确性做任何保证或承诺!文档内容仅供研究参考,付费前请自行鉴别。
3、如文档内容存在违规,或者侵犯商业秘密、侵犯著作权等,请点击“违规举报”。

碎片内容

消火栓施工工艺

确认删除?
VIP
微信客服
  • 扫码咨询
会员Q群
  • 会员专属群点击这里加入QQ群
客服邮箱
回到顶部