电脑桌面
添加小米粒文库到电脑桌面
安装后可以在桌面快捷访问

灌注桩成孔质量检测报告

灌注桩成孔质量检测报告_第1页
1/21
灌注桩成孔质量检测报告_第2页
2/21
灌注桩成孔质量检测报告_第3页
3/21
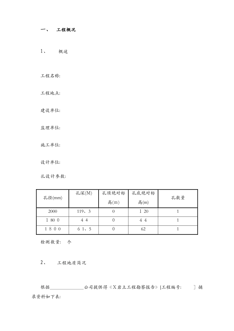
灌注桩成孔质量检测报告委托单位: 工程名称:委托编号:工程地址:正文页数: (页) 二〇一六年 6 月 5 日 一、工程概况1、 概述工程名称: 工程地点: 建设单位: 监理单位: 施工单位:设计单位: 孔设计参数:孔径(mm)孔深(M)孔顶绝对标高(m)孔底绝对标高(m)孔数量2000119、301 2011 80 04 404411 80 06 1、50621检测数量: 个2、工程地质简况根据 公司提供得《X岩土工程勘察报告》[工程编号: ]摘录资料如下表:层号土层名称(m)层底深度(m)比贯入阻力p s平均值(MP a)fs (KPa)fp(Kpa)②3-1灰黄~灰色粘质粉土6、01、3 8159、020②3-2灰色砂质粉土25、04、2 344②3-3灰色粘质粉土26、02、0540⑤1灰色粉质粘土32、01、3 03 65 00⑤3灰色粉质粘土44、01、464 0600⑤ 4灰绿色粘土44、02、4 45 080 0⑥暗绿色粘土34、02、8 05590 0⑦草黄色粉砂45、010、3 280250 0⑧1-1灰色粉质粘土4 7、01、8245700⑧1-2灰色粉砂49、06、5965160 0⑧ 1-3灰色粉质粘土56、02、0 950850⑧ 2灰色粉质粘土夹砂质粉土69、03、3255110 0⑨ 1灰色粉砂80、027、7 81 0 035003、成孔日期及检测日期序号槽号成槽日期检测日期18 13201 6-06-052 01 6-06-052yf1 1 062025-0 6-052 016-06-053z1 2 052 016-0 6-0 52025-06-05序号槽号成槽日期检测日期二、检测目得、原理、仪器设备1、检测目得检测灌注混凝土桩在成孔后,灌注混凝土前,孔径、孔垂直度、孔深、孔底沉渣厚度等指标,就就是否符合相关法律规范要求,给予评定和指导施工改进,保证成孔质量。2、检测标准根据中华人民共和国行业标准《建筑地基基础工程施工质量验收法律规范》(GB 5 0 20 2)。3、仪器设备生产厂家型号编号有效期武汉中岩科技有限公司RSM-HG T(B)超声波成孔质量检测仪2 0 16000 0 0020 16、6、1-2017、1、14、检测原理 超声波成孔质量检测原理,利用超声波反射技术,将超声波探头以一定得速率放入充满泥浆得孔中,当发射电路产生得电脉冲加到发射换能器上时,换能器垂直孔壁发射出超声波脉冲,超声波在泥浆中传播到孔壁后部分被反射,反射回来得超声波被接收换能器接收,并经过放大、滤波等信号处理后,得到孔径、孔深和垂直度等成孔参数。检测时探头悬浮于泥浆中,与孔壁不发生接触,属非接触式检测方法。 超声检测系统框图如下:沉渣厚度检测原理,放...

1、当您付费下载文档后,您只拥有了使用权限,并不意味着购买了版权,文档只能用于自身使用,不得用于其他商业用途(如 [转卖]进行直接盈利或[编辑后售卖]进行间接盈利)。
2、本站所有内容均由合作方或网友上传,本站不对文档的完整性、权威性及其观点立场正确性做任何保证或承诺!文档内容仅供研究参考,付费前请自行鉴别。
3、如文档内容存在违规,或者侵犯商业秘密、侵犯著作权等,请点击“违规举报”。

碎片内容

灌注桩成孔质量检测报告

您可能关注的文档

确认删除?
VIP
微信客服
  • 扫码咨询
会员Q群
  • 会员专属群点击这里加入QQ群
客服邮箱
回到顶部