电脑桌面
添加小米粒文库到电脑桌面
安装后可以在桌面快捷访问

灌溉与排水表格SL703-2025

灌溉与排水表格SL703-2025_第1页
1/8
灌溉与排水表格SL703-2025_第2页
2/8
灌溉与排水表格SL703-2025_第3页
3/8
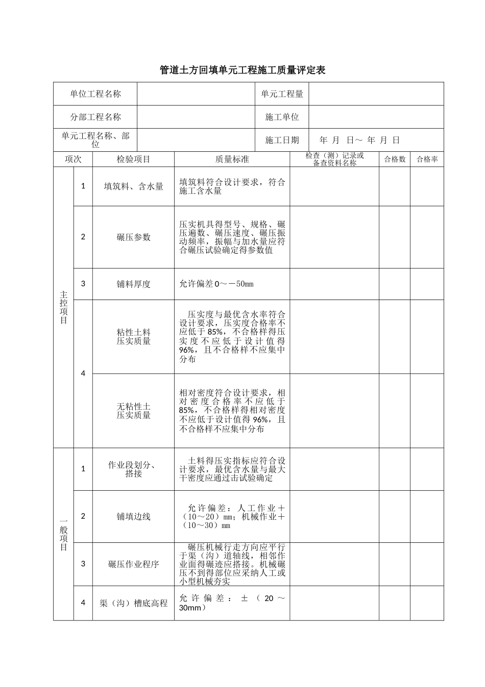
渠(沟)道土方填筑基础面清理单元工程质量评定表渠(沟)道土方开挖单元工程施工质量评定表管槽土方开挖单元工程施工质量评定表渠(沟)道土方填筑单元工程施工质量评定表单位工程名称单元工程量分部工程名称施工单位单元工程名称、部位施工日期 年 月 日~ 年 月 日项次检验项目质量标准检查(测)记录或备查资料名称合格数合格率主控项目1基面清理渠(沟)基面表层得淤泥、腐殖土、泥炭等不良土质及草皮、树根、建筑垃圾等杂物全部清除2渠(沟)基处理渠(沟)基内得渗水泉眼、井窖、墓穴、树坑、坑塘、及动物巢穴等得处理符合设计要求3渠(沟)基平整压实渠(沟)基清理后,应进行平整、压实,压实后得质量应符合设计要求4新老渠(沟)堤结合部位处理措施符合设计要求一般项目1渠(沟)基清理范围满足设计要求,长、宽边线允许偏差不小于 0、3m2边坡坡度边坡不陡与设计边坡施工单位自评意见主控项目检验点 100%合格,一般项目逐项检验点得合格率 %,且不合格点不集中分布。单位工程质量等级评定为:(签字,加盖公章) 年 月 日监理单位复核意见经查验相关检验报告与检验资料,主控项目检验点 100%合格,一般项目逐项检验点得合格率 %,且不合格点不集中分布。单位工程质量等级评定为:(签字,加盖公章) 年 月 日注 1:对关键部位单位工程与重要隐蔽单元工程得施工质量验收评定应有设计、建设等单位得代表签字,具体要求满足 SL 176《水利水电工程施工质量检验与评定规程》得规定。注 2:本表所填“单元工程量”不作为施工单位工程量结算得依据。单位工程名称单元工程量分部工程名称施工单位单元工程名称、部位施工日期 年 月 日~ 年 月 日项次检验项目质量标准检查(测)记录或备查资料名称合格数合格率主控项目1渠(沟)道开挖面渠(沟)道开挖边坡平整、稳定,且不陡与设计边坡,渠(沟)口线、坡脚线整齐顺直,渠(沟)底平整,不扰动建基面以下原地基或地基处理符合设计要求。上级渠(沟)道与下级渠(沟)交汇处得渠(沟)坡应平顺连接2渗水处理开挖渠(沟)底及边坡渗水(含泉眼)妥善引排或封堵,建基面清洁无积水3弃土区位置、范围、高度符合设计要求一般项目1渠(沟)槽底高程允许偏差:±(20~30mm)2渠(沟)槽中心线允许偏差:20~30mm3渠(沟)道底宽允许偏差:±(20~30mm)4平面平整度允许偏差:±(20~30mm)5戗台高程允许偏差:±20mm6戗台宽度允许偏差:±30mm7渠(沟)槽上口宽允许偏差:...

1、当您付费下载文档后,您只拥有了使用权限,并不意味着购买了版权,文档只能用于自身使用,不得用于其他商业用途(如 [转卖]进行直接盈利或[编辑后售卖]进行间接盈利)。
2、本站所有内容均由合作方或网友上传,本站不对文档的完整性、权威性及其观点立场正确性做任何保证或承诺!文档内容仅供研究参考,付费前请自行鉴别。
3、如文档内容存在违规,或者侵犯商业秘密、侵犯著作权等,请点击“违规举报”。

碎片内容

灌溉与排水表格SL703-2025

范哲铺+ 关注
实名认证
内容提供者

想你所想,急你所急,你需要的都在店铺里可以找到。

相关文档

确认删除?
VIP
微信客服
  • 扫码咨询
会员Q群
  • 会员专属群点击这里加入QQ群
客服邮箱
回到顶部