电脑桌面
添加小米粒文库到电脑桌面
安装后可以在桌面快捷访问

直螺纹套筒连接施工工艺

直螺纹套筒连接施工工艺_第1页
1/4
直螺纹套筒连接施工工艺_第2页
2/4
直螺纹套筒连接施工工艺_第3页
3/4
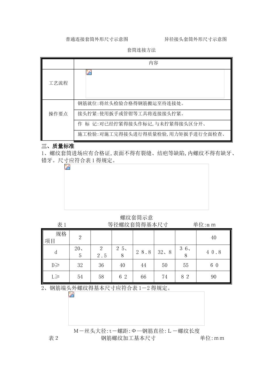
直螺纹套筒施工工艺一、施工准备1。机具设备压圆机、滚丝机、砂轮切割机、量规、管钳扳手等。2、适用范围钢筋 d≥2 0mm采纳直螺纹钢筋连接。二、施工工艺1。直螺纹加工2。直螺纹连接三、操作要点(1)钢筋螺纹加工内 容施工流程钢筋端面平头→剥肋滚压螺纹→丝头质量检查→带帽保护→丝头质量抽检→存放待用施工要点钢筋端面平头:平头得目得就是让钢筋端面与母材轴线方向垂直,宜采纳砂轮切割机或其它专用切断设备、剥肋滚压螺纹:使用钢筋剥肋滚压直螺纹机将待连接钢筋得端头加工成螺纹、丝头质量检验:操作者对加工得丝头进行得质量检验、带帽保护:用专用得钢筋丝头保护帽或连接套筒将钢筋丝头进行保护,防止螺纹被磕碰或被污物污染。丝头质量抽检:对自检合格得丝头进行得抽样检验、存放待用:按规格型号及类型进行分类码放。(1)、钢筋端头平切得目得就是为了使接头拧紧后能让两个丝头对顶,更好地消除螺纹间隙、(2)、螺纹长度靠挡铁进行保证,加工不同规格得钢筋使用不同长度得挡铁,挡铁侧面打印着其所加工得钢筋规格,使用方法如图: 标记 钢筋 挡铁 剥肋机构 (2)连接套筒本工程中拟采纳得连接套得接头形式有:标准型、正反丝型,这些连接套得形式及使用要求如下图套筒接头形式示意图接头外型尺寸示意图:A1:标准型接头A2:正反丝扣型接头 CC1d1dA 普通连接套筒外形尺寸示意图 异径接头套筒外形尺寸示意图套筒连接方法内容工艺流程操作要点钢筋就位:将丝头检验合格得钢筋搬运至待连接处。接头拧紧:使用扳手或管钳等工具将连接接头拧紧。作 标 记:对已经拧紧得接头作标记,与未拧紧得接头区分开、施工检验:对施工完得接头进行得质量检验,用力矩扳手进行全面检查、三、质量标准1、螺纹套筒进场应有合格证,表面不得有裂缝、结疤等缺陷,内螺纹不得有缺牙、错牙。尺寸应符合表 1 得规定。螺纹套筒示意表 1 等径螺纹套筒得基本尺寸 单位:m m规格项目240d20、522.52 5、82 8.832、83 6、84 0.8D≥3236404450556 0L≥54586 266748 2902、钢筋端头外螺纹得基本尺寸应符合表 1-2 得规定。M-丝头大径:t-螺距:Ф—钢筋直径:L-螺纹长度表2 钢筋螺纹加工基本尺寸 单位:mmФ24 0M*t20。5*32 2 。5*325。8*328、8*332 。 8*336.8*34 0。8*3L283 表 3 螺纹得质量标准序号检验项目量具名称检验要求1螺纹牙型及直径目测、螺纹环规(1)、牙型完整,牙顶宽度大于0、3P 得不完整丝扣,累计长度...

1、当您付费下载文档后,您只拥有了使用权限,并不意味着购买了版权,文档只能用于自身使用,不得用于其他商业用途(如 [转卖]进行直接盈利或[编辑后售卖]进行间接盈利)。
2、本站所有内容均由合作方或网友上传,本站不对文档的完整性、权威性及其观点立场正确性做任何保证或承诺!文档内容仅供研究参考,付费前请自行鉴别。
3、如文档内容存在违规,或者侵犯商业秘密、侵犯著作权等,请点击“违规举报”。

碎片内容

直螺纹套筒连接施工工艺

您可能关注的文档

确认删除?
VIP
微信客服
  • 扫码咨询
会员Q群
  • 会员专属群点击这里加入QQ群
客服邮箱
回到顶部