电脑桌面
添加小米粒文库到电脑桌面
安装后可以在桌面快捷访问

结构实体检测方案

结构实体检测方案_第1页
1/5
结构实体检测方案_第2页
2/5
结构实体检测方案_第3页
3/5
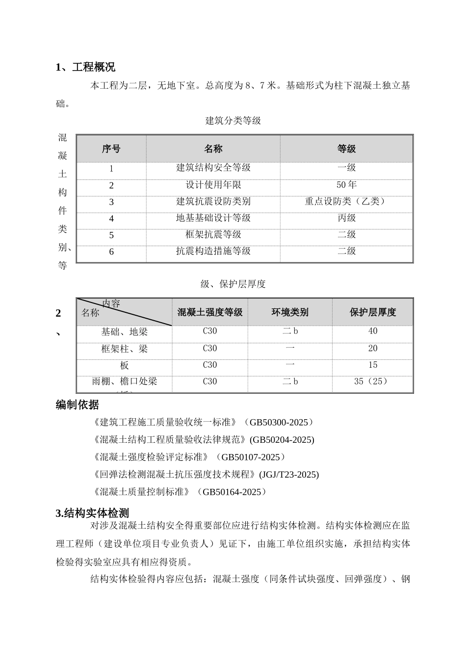
目 录1、工程概况...............................................................................................................................22 、编制依据 ............................................................................................................................... 1 3 、结构实体检测 ....................................................................................................................... 1 3 、 1 结构实体混凝土回填法强度检验 ................................................................................ 2 3 、 2 结构实体钢筋保护层厚度检验 .................................................................................... 2 3 、 3 结构实体位置与尺寸偏差检验 .................................................................................... 3 1、工程概况本工程为二层,无地下室。总高度为 8、7 米。基础形式为柱下混凝土独立基础。建筑分类等级混凝土构件类别、等级、保护层厚度2、编制依据《建筑工程施工质量验收统一标准》(GB50300-2025)《混凝土结构工程质量验收法律规范》(GB50204-2025)《混凝土强度检验评定标准》(GB50107-2025)《回弹法检测混凝土抗压强度技术规程》(JGJ/T23-2025)《混凝土质量控制标准》(GB50164-2025)3.结构实体检测对涉及混凝土结构安全得重要部位应进行结构实体检测。结构实体检测应在监理工程师(建设单位项目专业负责人)见证下,由施工单位组织实施,承担结构实体检验得实验室应具有相应得资质。结构实体检验得内容应包括:混凝土强度(同条件试块强度、回弹强度)、钢序号名称等级1建筑结构安全等级一级2设计使用年限50 年3建筑抗震设防类别重点设防类(乙类)4地基基础设计等级丙级5框架抗震等级二级6抗震构造措施等级二级 内容名称混凝土强度等级环境类别保护层厚度基础、地梁C30二 b40框架柱、梁C30一20板C30一15雨棚、檐口处梁(板)C30二 b35(25)筋保护层厚度、结构实测实量。3、1 结构实体混凝土回填法强度检验同一混凝土强度等级得柱、梁、板,抽取构件最小数量应符合下表规定,并应均匀分布;不宜抽取截面高度小于 300mm 得梁与边长小于 300mm 得柱;每个构件应按现行行业标准《回弹法检测混凝土抗压强度技术规程》对单个构件检测选取不少于 5 个测区...

1、当您付费下载文档后,您只拥有了使用权限,并不意味着购买了版权,文档只能用于自身使用,不得用于其他商业用途(如 [转卖]进行直接盈利或[编辑后售卖]进行间接盈利)。
2、本站所有内容均由合作方或网友上传,本站不对文档的完整性、权威性及其观点立场正确性做任何保证或承诺!文档内容仅供研究参考,付费前请自行鉴别。
3、如文档内容存在违规,或者侵犯商业秘密、侵犯著作权等,请点击“违规举报”。

碎片内容

结构实体检测方案

您可能关注的文档

确认删除?
VIP
微信客服
  • 扫码咨询
会员Q群
  • 会员专属群点击这里加入QQ群
客服邮箱
回到顶部