电脑桌面
添加小米粒文库到电脑桌面
安装后可以在桌面快捷访问

路基排水工程施工方案

路基排水工程施工方案_第1页
1/3
路基排水工程施工方案_第2页
2/3
路基排水工程施工方案_第3页
3/3
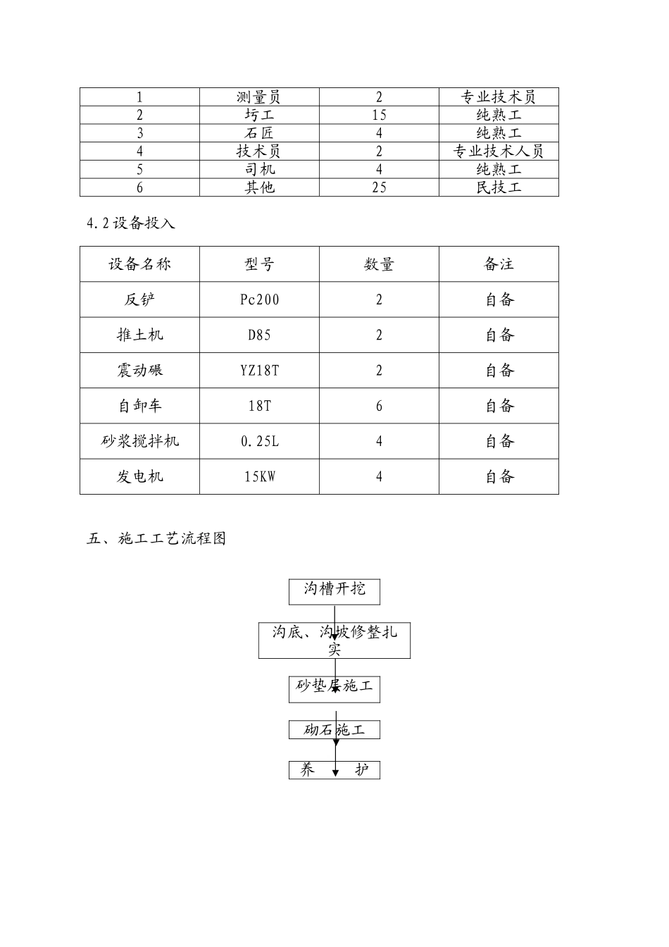
路基排水工程施 工 方 案一、 工程概况本段填方路段设置坡脚排水沟或边沟,均为浆砌水沟,填方段沟型为梯形(60×80cm),挖方段设矩形边沟,沟内水通过沟底纵坡导入旳桥涵或天然沟渠内。二、施工措施路基基本形成后,即可进行边沟施工,施工前根据地形,采纳反铲配合推土机进行护坡道整平施工,并用振动碾将护坡道压实,再根据设计边沟高程和水流方向进行放样,定出边沟开口中线和高程,然后,用反铲配合人工根据边沟开口中线和高程进行边沟沟槽开挖,沟槽开挖完毕后,人工修整沟底和沟坡、扎实、使之坚实平整,线性顺畅。浆砌石砌筑采纳人工砌筑,先砌沟底,再自下而上砌筑沟坡,每 2~3 层构成一种工作层,砌体内侧及沟底保持平顺,干净、无阻水,排水沟与其他水道联接做到顺畅。砌筑砂浆采纳现场机械拌制,砂垫层施工与浆砌施工同步进行。排水沟砌筑完毕后,进行勾缝,勾凹缝,采纳φ12 圆钢摸压而成。一般在砌筑、摸面、勾缝完毕后,及时进行撒水养护,时间一般为7 天,撒水次数以能保持表面常常湿润状态为度。三、施工技术规定3.1 边沟施工中复核全线排水系统设计与否完备和妥善,必要时旳予以补充和修改,使全线沟渠、管道、桥涵构成完整排水体系。旳旳3.2 边沟不应作为农业排灌渠道,排水沟进出水口,根据水系地旳质状况采纳合适加固。3.3 边沟等排水设施位置、断面、尺寸、坡度、标高及使用材料旳应符合设计规定。3.4 沟渠边坡平整、稳定、严禁贴坡,边沟纵坡顺适,沟底平整、排水畅通,无冲刷和阻水现象。3.5 边沟线型美观,直线线型顺直,曲线线型圆滑,转弯处做到弧形渐变,其半径不不不小于 10m。3.6 浆砌排水沟容许偏差和频率:项次检查项目规定和容许偏差检查措施和频率规定分1砂浆强度在合格原则内按法律规范302轴线偏位(mm)50经纬仪(每 200m 测 5 点)103沟底高程(mm)±50水准仪(每 200m 测 5 点)154直顺度或坡度30mm、不陡于设计20m 拉线、坡度尺(200m2点)105断面尺寸(mm)±30尺量:每 200m 查 2 点156铺砌厚度(mm)不不不小于设计尺量:每 200m 查 2 点107垫层厚度(mm)不不不小于设计尺量:每 200m 查 2 点10四、施工组织及人员投入构成边沟施工小分队,每队人员编制 40~50 人,施工负责人为朱社芳,技术负责人为宋丹成,质检负责人为陈世清,其他人员投入见下表(每队):序号工种数量备注1测量员2专业技术员2圬工15纯熟工3石匠4纯熟工4技术员2专业技术人员5司机4纯熟工...

1、当您付费下载文档后,您只拥有了使用权限,并不意味着购买了版权,文档只能用于自身使用,不得用于其他商业用途(如 [转卖]进行直接盈利或[编辑后售卖]进行间接盈利)。
2、本站所有内容均由合作方或网友上传,本站不对文档的完整性、权威性及其观点立场正确性做任何保证或承诺!文档内容仅供研究参考,付费前请自行鉴别。
3、如文档内容存在违规,或者侵犯商业秘密、侵犯著作权等,请点击“违规举报”。

碎片内容

路基排水工程施工方案

您可能关注的文档

确认删除?
VIP
微信客服
  • 扫码咨询
会员Q群
  • 会员专属群点击这里加入QQ群
客服邮箱
回到顶部