电脑桌面
添加小米粒文库到电脑桌面
安装后可以在桌面快捷访问

路灯改造工程

路灯改造工程_第1页
1/19
路灯改造工程_第2页
2/19
路灯改造工程_第3页
3/19
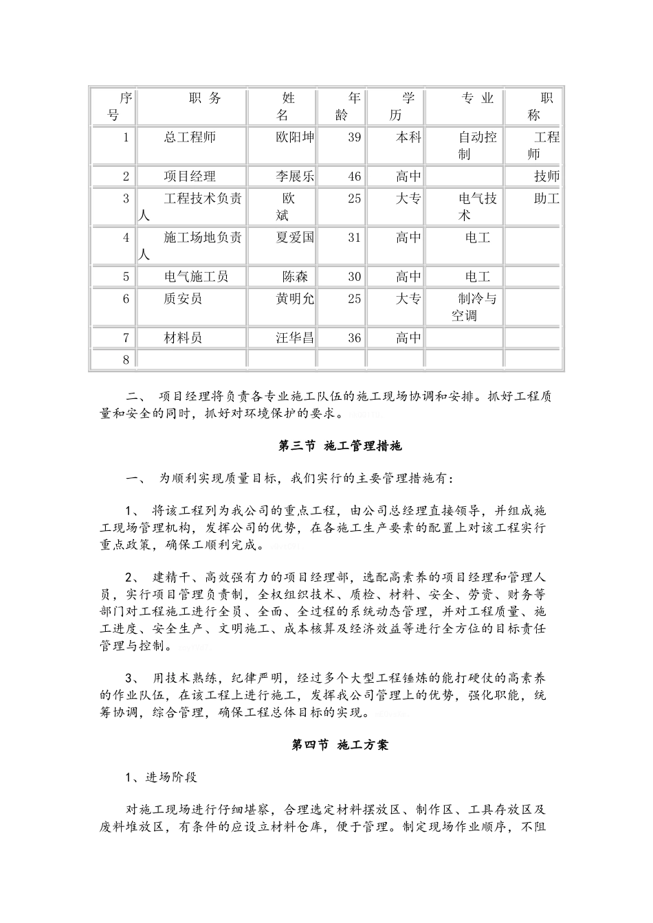
第一章 项目简介一、 工程概况1、 本工程为中山市东明路路灯改造工程。2、 工程地址:中山市东明路3、 建设单位:中山市市政工程建设中心4、 合同工期总日历天数 25 天。二、工程范围:1、 路灯安装和路灯电缆敷设,路灯控制柜的安装。2、 电缆预埋管敷设。三、工程保修期:1、 综合验收交付使用起计一年。四、工程项目特点:1、 以考虑节约工程费用为原则。2、 组织各工种配合施工,以达到士建、安装及其它工种互创施工条件、确保工程总进度。第二章 施工组织方案与部署第一节 部署原则1、 集中力量保质量、保工期,在人力、物资、机具给该工程以充分保障,各工序管理工作应相互协助,指导好现场的施工工作,搞好各工种的协调配合。AVfVXBd。2、 组织各工种配合施工,穿插作业,重点部位重点赶工。以达到土建、安装及其它各工种之间互创施工条件,以确保工程总体进度。7Zxx3y3。第二节 施工组织机构一、 本电气安装工程项目,负责安装施工组织和管理,1、 其组成成员如下:序号职 务姓 名年龄学 历专 业职 称1总工程师欧阳坤39本科自动控制工程师2项目经理李展乐46高中 技师3工程技术负责人欧 斌25大专电气技术助工4施工场地负责人夏爱国31高中电工 5电气施工员陈森30高中电工 6质安员黄明允25大专制冷与空调 7材料员汪华昌36高中 8 二、 项目经理将负责各专业施工队伍的施工现场协调和安排。抓好工程质量和安全的同时,抓好对环境保护的要求。hkQQITU。第三节 施工管理措施一、 为顺利实现质量目标,我们实行的主要管理措施有:1、 将该工程列为我公司的重点工程,由公司总经理直接领导,并组成施工现场管理机构,发挥公司的优势,在各施工生产要素的配置上对该工程实行重点政策,确保工顺利完成。vQvtC9I。2、 建精干、高效强有力的项目经理部,选配高素养的项目经理和管理人员,实行项目管理负责制,全权组织技术、质检、材料、安全、劳资、财务等部门对工程施工进行全员、全面、全过程的系统动态管理,并对工程质量、施工进度、安全生产、文明施工、成本核算及经济效益等进行全方位的目标责任管理与控制。zcyYVd7。3、 用技术熟练,纪律严明,经过多个大型工程锤炼的能打硬仗的高素养的作业队伍,在该工程上进行施工,发挥我公司管理上的优势,强化职能,统筹协调,综合管理,确保工程总体目标的实现。mEOvsXm。第四节 施工方案1、进场阶段对施工现场进行仔细堪察,合理选定材料摆放区、制作区、工具...

1、当您付费下载文档后,您只拥有了使用权限,并不意味着购买了版权,文档只能用于自身使用,不得用于其他商业用途(如 [转卖]进行直接盈利或[编辑后售卖]进行间接盈利)。
2、本站所有内容均由合作方或网友上传,本站不对文档的完整性、权威性及其观点立场正确性做任何保证或承诺!文档内容仅供研究参考,付费前请自行鉴别。
3、如文档内容存在违规,或者侵犯商业秘密、侵犯著作权等,请点击“违规举报”。

碎片内容

路灯改造工程

您可能关注的文档

确认删除?
VIP
微信客服
  • 扫码咨询
会员Q群
  • 会员专属群点击这里加入QQ群
客服邮箱
回到顶部