电脑桌面
添加小米粒文库到电脑桌面
安装后可以在桌面快捷访问

道路工程水稳层施工技术交底

道路工程水稳层施工技术交底_第1页
1/4
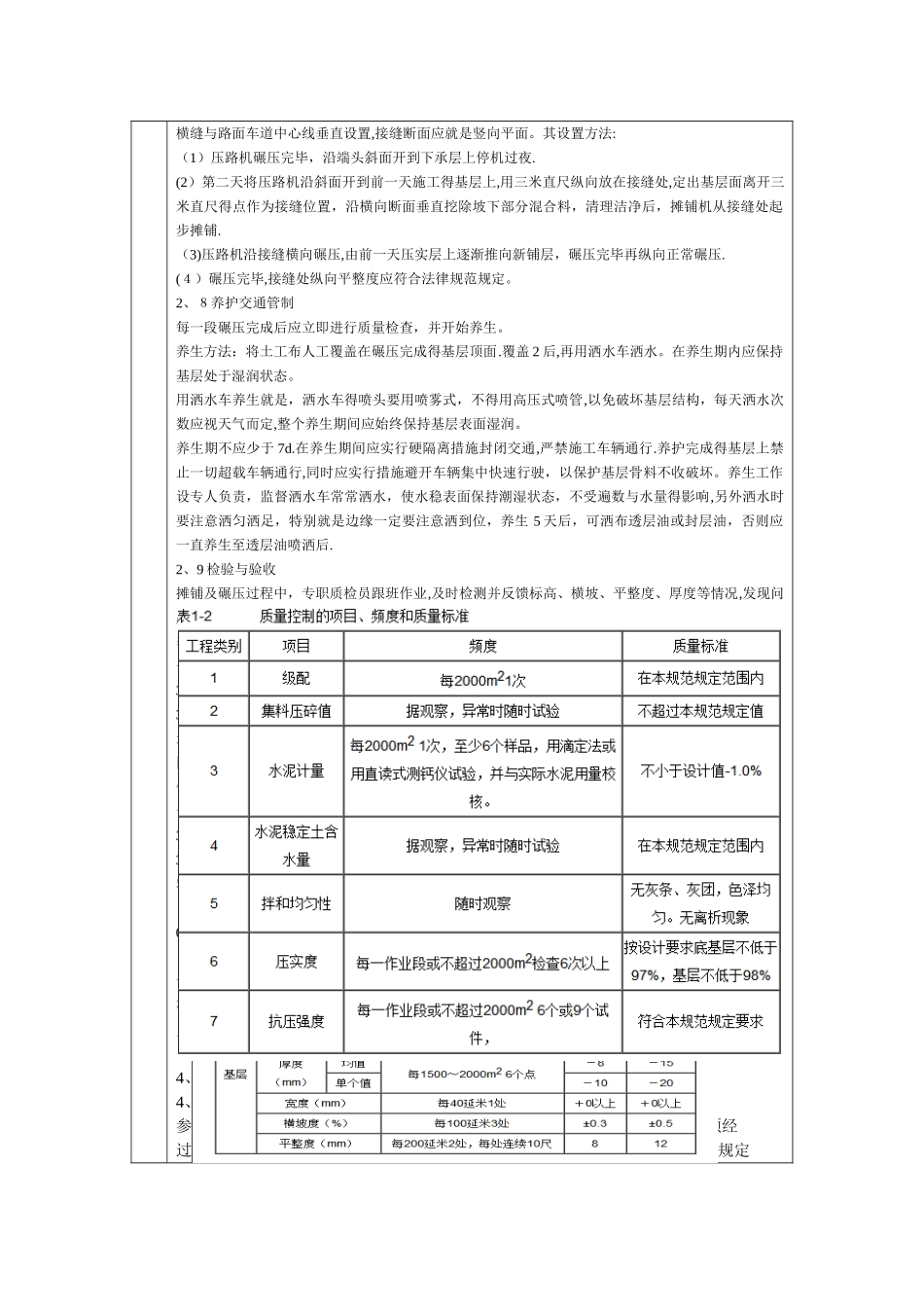
道路工程水稳层施工技术交底_第2页
2/4
道路工程水稳层施工技术交底_第3页
3/4
道路工程施工技术交底施工单位:x xxxx 有限公司工程名称xxx x工程分部项工程道路工程工种水泥稳定碎石安全技术交底内容一、交底目得根据道路工程施工图纸内容,指导道路工程水泥稳定碎石施工,确保道路路面工程保质、保量、按时完成。二、施工准备施工前做好充分准备工作,确保按计划有序进行,施工前准备工作包括:1、仔细熟悉图纸、了解设计意图,制定合理得施工计划.2、做好技术、安全交底工作,合理规划交通,避开交通事故发生。3、做好施工用电、用水得供应工作。4、施工机械设备准备工作与各项材料得选择与进场,确保工程施工需求。5、对基面进行清理并报监理验收。6、提前做好原材料取样检测与各种配合比设计,制定施工检验试验计划.三、路面基层水泥稳定碎石施工根据设计图纸本次进行水泥稳定碎石施工得路段基层结构为: 15 c m4%水泥稳定碎石底基层+18cm5%水泥稳定碎石基层。共分二层施工, 第一层碾压合格后,在水稳初凝前铺筑第二层水稳。施工时实行流水作业法,使各工序紧密衔接。特别就是要尽量缩短从拌与到碾压之间得延迟时间,一般不超过 2h,根据含水率最大不超过 2、5h。1、工艺流程路面基层施工工艺流程为:施工准备—施工放样—混合料运输—摊铺整形-碾压-覆盖养生。2、施工方法2、1 施工准备2、1、1 对原材料水泥、碎石、水进行质量检验,做好备料工作;2、1、2对参加施工得现场管理人员、施工技术人员、作业人员进行技术交底、培训工作;2、1、3 对下承层表面进行检查与修补,把浮土与杂物清除洁净,并整型压实,表面要求平整、坚实,符合规定得高程、高度、横坡度,不能有松散材料与软弱点,并报请建立对基面验收。2、1、4 对拌与站及铺摊设备进行调试,检查、保养。2、1、5 在进行水稳层铺筑前视路面干湿情况,如比较干燥用水车雾状喷洒,以工作面湿润没有积水为宜。2、2测量控制放样前,测量人员要对工段技术员进行控制点、水准点交底,控制测量资料必须就是监理认可得资料,并对测量、放样数据进行抽检.为精准控制水泥稳定碎石施工精度,道路控制线至少保证边线、中线三条控制线。道路与断面高程控制点,直线段 10m/断面,曲线或弯段 5 m/断面。摊铺机施工选用 Φ 2~3m m 得钢丝作为基线.弧拉长度 100~20 0m为佳,且需在两端用紧线器同时张紧,避开因钢丝不紧产生挠度,张拉力为 1KN.钢钎选用具有较大刚度得 Φ16~1 8 光圆钢筋进行加工,并配固定架。固定架采纳丝扣为好,便于拆卸...

1、当您付费下载文档后,您只拥有了使用权限,并不意味着购买了版权,文档只能用于自身使用,不得用于其他商业用途(如 [转卖]进行直接盈利或[编辑后售卖]进行间接盈利)。
2、本站所有内容均由合作方或网友上传,本站不对文档的完整性、权威性及其观点立场正确性做任何保证或承诺!文档内容仅供研究参考,付费前请自行鉴别。
3、如文档内容存在违规,或者侵犯商业秘密、侵犯著作权等,请点击“违规举报”。

碎片内容

道路工程水稳层施工技术交底

您可能关注的文档

津创媒+ 关注
实名认证
内容提供者

欢迎交流文创,小店资料希望满足您的需要。

确认删除?
VIP
微信客服
  • 扫码咨询
会员Q群
  • 会员专属群点击这里加入QQ群
客服邮箱
回到顶部