电脑桌面
添加小米粒文库到电脑桌面
安装后可以在桌面快捷访问

飞机维修培训业务学校可行性报告

飞机维修培训业务学校可行性报告_第1页
1/7
飞机维修培训业务学校可行性报告_第2页
2/7
飞机维修培训业务学校可行性报告_第3页
3/7
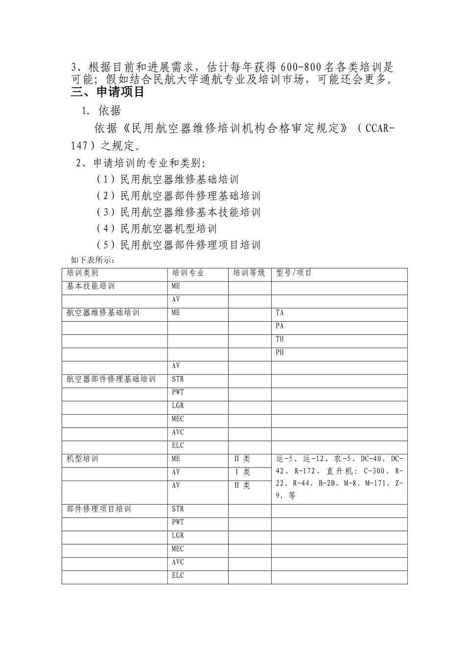
航空学校可行性报告一、通用航空机务现状1、截止 2025 年底,我国共有运输航空公司 46 家,按不同类别划分:国有控股公司 36 家,民营或民营控股 10 家;全货运航空公司 10 家;中外合资航空公司 14 家;上市公司 5 家。通用机队的规模:2025 年底,通用航空企业适航在册航空器总数达到 1320 架,其中教学训练用飞机 328 架。民航机场:截止 2025 年底全国共有 183 个民用运输机场,其中枢纽、干线机场 44 个,支线机场 139 个。从区域分布看,东部 49个,占 26%;中部 25 个,占 14%;西部 90 个,占 49%;东北 20 个,占 11%。近一半干线机场分布在东部地区,80%的支线机场分布在西部、中部和东北地区。飞行员数量:截止 2025 年底,全行业取得驾驶执照的飞行员31381 人,较上年年底增加 3574 人。目前 CCAR-147 培训机构约 8 个,目前只有民航大、飞院、广院、云南培训项目和专业相对多些二、通用航空进展对机务维修人员的需求1、随着通用航空的跨越式进展,每年新增通用航空器将超过400 架;而以每架航空器 2 名飞行员,12 名机务人员的最低需求标准计算,我国每年就需要新增飞行员 800 名,机务人员 4800 名。2、据业内人士介绍 2025 年 3 月国家将 70%低空空域向民间开放的政策出台,大量期待已久的民企和个体公司投资通航的单位将雨后春笋般的涌现,相应的飞行、机务、航空器维修人员等将会更严重的短缺。培训机构在一段时间内将显得严重供不应求。3、根据民航局十二五规划,到十二五结束的时候我国的航天器将超过 4750 架(其中运输机 2750 架、通用机》2000 架),飞行员要达到 8 万人,机务人员要达到 48 万人,所以当前的实际情况对飞行员和机务维修人员的需求还很大,还存在较大的空缺。资料来源:民航局十二五规划3、根据目前和进展需求,估计每年获得 600-800 名各类培训是可能;假如结合民航大学通航专业及培训市场,可能还会更多。三、申请项目 1. 依据依据《民用航空器维修培训机构合格审定规定》(CCAR-147)之规定。2、申请培训的专业和类别:(1)民用航空器维修基础培训(2)民用航空器部件修理基础培训(3)民用航空器维修基本技能培训(4)民用航空器机型培训(5)民用航空器部件修理项目培训如下表所示:培训类别培训专业培训等级型号/项目基本技能培训MEAV航空器维修基础培训METAPATHPHAV航空器部件修理基础培训STRPWTLGRMECAVCELC机型培训ME...

1、当您付费下载文档后,您只拥有了使用权限,并不意味着购买了版权,文档只能用于自身使用,不得用于其他商业用途(如 [转卖]进行直接盈利或[编辑后售卖]进行间接盈利)。
2、本站所有内容均由合作方或网友上传,本站不对文档的完整性、权威性及其观点立场正确性做任何保证或承诺!文档内容仅供研究参考,付费前请自行鉴别。
3、如文档内容存在违规,或者侵犯商业秘密、侵犯著作权等,请点击“违规举报”。

碎片内容

飞机维修培训业务学校可行性报告

您可能关注的文档

确认删除?
VIP
微信客服
  • 扫码咨询
会员Q群
  • 会员专属群点击这里加入QQ群
客服邮箱
回到顶部