电脑桌面
添加小米粒文库到电脑桌面
安装后可以在桌面快捷访问

1-7系铝合金性能汇总

1-7系铝合金性能汇总_第1页
1/22
1-7系铝合金性能汇总_第2页
2/22
1-7系铝合金性能汇总_第3页
3/22
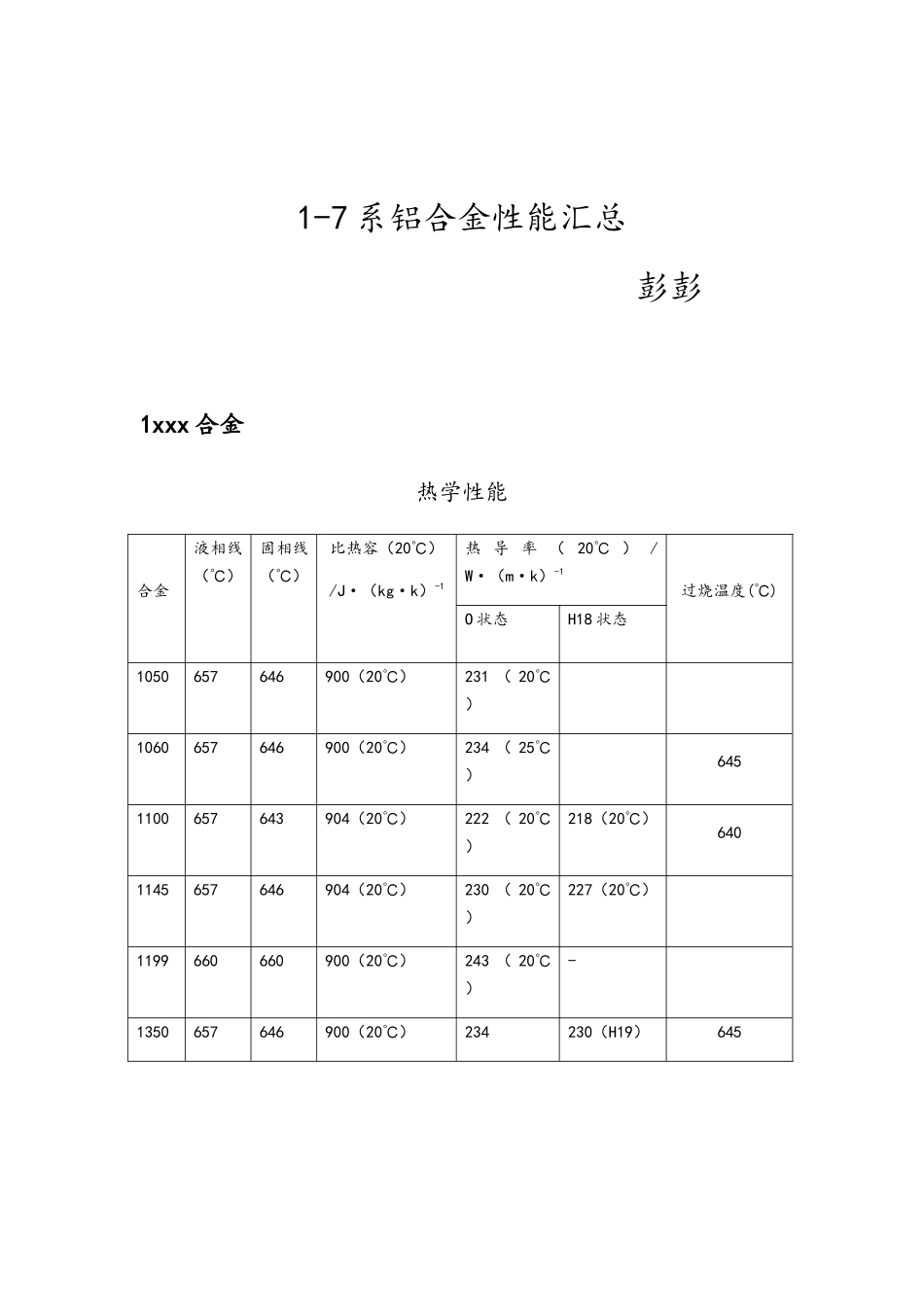
1-7 系铝合金性能汇总 彭彭1xxx 合金热学性能合金液相线(℃)固相线(℃)比热容(20℃)/J·(kg·k)-1热 导 率 ( 20℃ ) /W·(m·k)-1过烧温度(℃)O 状态H18 状态1050657646900(20℃)231 ( 20℃)1060657646900(20℃)234 ( 25℃)6451100657643904(20℃)222 ( 20℃)218(20℃)6401145657646904(20℃)230 ( 20℃)227(20℃)1199660660900(20℃)243 ( 20℃)-1350657646900(20℃)234230(H19)645 电学性能合金20℃体积电导率/%IACS20℃电阻率/nΩ·m20℃电阻温度系数/nΩ·m·K-1电极电位/VOH18OH18OH18105061.3-28.1-0.1--1060626127.828.30.10.1-0.841100595729.230.20.10.1-0.831145616028.328.70.10.1-119964.5-26.7-0.1--135061.861(H1X)27.928.2(H1X)0.1(各种状态)-0.842xxx 合金热学性能合金液相线(℃)固相线(℃)初熔温度(℃)比热容(20℃)/J·(kg·k)-1热导率/W·(m·k)-1固溶温度(℃)过烧温度(℃)2025638541535864T3、T4: 152T8:1735245402025638507--O:192T3 、 T4 、 T451 :134T6、T651、T652:155502505510513-5152025640513--O:193T4:134(25℃)500-5105105132025638502502875O:190T3、T36、T351、T361、T4:120T6、T81、T851、T861:1514935005012036650554510882O:198 ;T4:155005552048926(100℃)T851:1592124638502502882O:191T851:1524932218635532504871T61:148T72:1555105052219643543864O:170T31、T37:116T62 、 T81 、 T87 :1305355435452319643543864O:1702618638549502875T61:1465305502A01924T4:122495-5055352A02840(100℃)T6:135495-505515510-5152A06T6:139(100℃)503-5075105182A11639535924(100℃)T4:118(25℃)495-510514-5175122A12638502924(100℃)T4:193(25℃)496-540505506-5072A10924(100℃)T6:147(25℃)510-5205402A14638510840(100℃)T6:160(25℃)499-5055095152A16T6:138(25℃)143(100℃)147(200℃)156(300℃)528-5405475452A17756(50℃)T6:130(25℃)139(100℃)151(200℃)168(300℃)520-5305355402A50840(25℃)840(150℃)882(200℃)924(250℃)T6:177(25℃)181(100℃)185(200℃)185(300℃)510-515545>525966(300℃)189(400℃)2A60840(100℃)882(150℃)924(200℃)966(250℃)1008(300℃)T6:164(25℃)168(100℃)172(200℃)177(300℃)181(400℃)505-5152A70798(100℃)840(150℃)840(200℃)882(2...

1、当您付费下载文档后,您只拥有了使用权限,并不意味着购买了版权,文档只能用于自身使用,不得用于其他商业用途(如 [转卖]进行直接盈利或[编辑后售卖]进行间接盈利)。
2、本站所有内容均由合作方或网友上传,本站不对文档的完整性、权威性及其观点立场正确性做任何保证或承诺!文档内容仅供研究参考,付费前请自行鉴别。
3、如文档内容存在违规,或者侵犯商业秘密、侵犯著作权等,请点击“违规举报”。

碎片内容

1-7系铝合金性能汇总

您可能关注的文档

确认删除?
VIP
微信客服
  • 扫码咨询
会员Q群
  • 会员专属群点击这里加入QQ群
客服邮箱
回到顶部