电脑桌面
添加小米粒文库到电脑桌面
安装后可以在桌面快捷访问

JPG-ZZ-053内包装质检员岗位职责说明书

JPG-ZZ-053内包装质检员岗位职责说明书_第1页
1/5
JPG-ZZ-053内包装质检员岗位职责说明书_第2页
2/5
JPG-ZZ-053内包装质检员岗位职责说明书_第3页
3/5
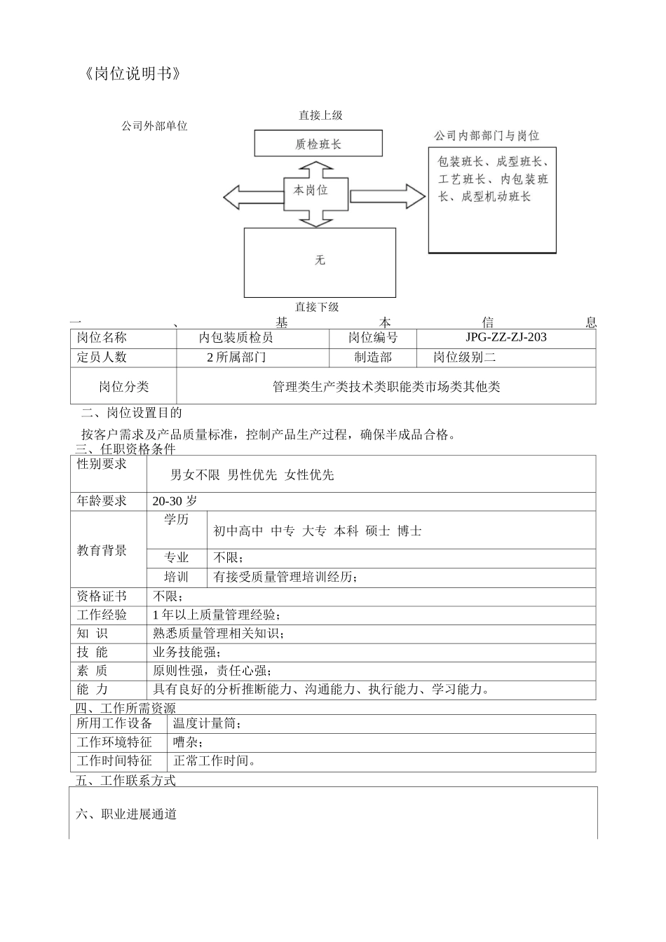
《岗位说明书》一、基本信息岗位名称内包装质检员岗位编号JPG-ZZ-ZJ-203定员人数2 所属部门制造部岗位级别二岗位分类管理类生产类技术类职能类市场类其他类二、岗位设置目的按客户需求及产品质量标准,控制产品生产过程,确保半成品合格。三、任职资格条件性别要求男女不限 男性优先 女性优先年龄要求20-30 岁教育背景学历初中高中 中专 大专 本科 硕士 博士专业不限;培训有接受质量管理培训经历;资格证书不限;工作经验1 年以上质量管理经验;知 识熟悉质量管理相关知识;技 能业务技能强;素 质原则性强,责任心强;能 力具有良好的分析推断能力、沟通能力、执行能力、学习能力。四、工作所需资源所用工作设备温度计量筒;工作环境特征嘈杂;工作时间特征正常工作时间。五、工作联系方式六、职业进展通道公司外部单位直接上级直接下级横向进展通道晋升通道质检班长横向进展通道成型班长、内包装班- 长本岗位外包装班长七、主要工作职责文化制度类1、严格执行部门制度、SIP 等管理体系文件及会议决议。目标\计划类1、根据生产计划,全程监控生产过程产品质量,填写相关报表。过程执行类1、对比生产指令单做产前准备;2、负责消毒液配制并监督进入车间的人员洗手消毒、风淋除尘;3、根据《内包作业指导书》、《内包作业流程》监控员工法律规范性操作;4、监督所有人员工衣、工帽、工鞋、罩穿戴情况;5、监督车间卫生、个人卫生、现场纪律等;6、监督内包材杀菌、监督员工窜岗;7、负责对金属探测仪校正;8、监督抽查车间半成品中心温度、包装气密性、标识法律规范性(日期、规格、 数量、责任追溯标记等);9、负责对不良材料及不良品的标识与处理;10、负责做首件确认;11、协助质检主任编制作业指导、制度、流程;12、负责公布各班组不合格品率;13、负责对车间环境进行杀菌消毒。程序澈据类1、填写、收集、整理车间相关质量报表;2、负责收集生产部设施、设备保障状况,并建议其保养、维护、更新;3、每天对生产不良情况进行统计分析。人事管理类1、无汇报总结类1、每日上交《工作日报表》,每周交工作总结,每月交月工作总结;2、参加质检部的班前会,品质例会;3、发现异常及时上报。团队建设类1、无其他事项类1、对公司不合理的流程、制度提出改进建议;2、对公司现状在管理、技术、品质提升、现场管理、体系运行、内部沟通等 提出改进建议;3、完成上级主管临时交办的事情。八、必须了解与掌握的各类制度、流程、工具等...

1、当您付费下载文档后,您只拥有了使用权限,并不意味着购买了版权,文档只能用于自身使用,不得用于其他商业用途(如 [转卖]进行直接盈利或[编辑后售卖]进行间接盈利)。
2、本站所有内容均由合作方或网友上传,本站不对文档的完整性、权威性及其观点立场正确性做任何保证或承诺!文档内容仅供研究参考,付费前请自行鉴别。
3、如文档内容存在违规,或者侵犯商业秘密、侵犯著作权等,请点击“违规举报”。

碎片内容

JPG-ZZ-053内包装质检员岗位职责说明书

确认删除?
VIP
微信客服
  • 扫码咨询
会员Q群
  • 会员专属群点击这里加入QQ群
客服邮箱
回到顶部