电脑桌面
添加小米粒文库到电脑桌面
安装后可以在桌面快捷访问

三通一平施工组织设计

三通一平施工组织设计_第1页
1/43
三通一平施工组织设计_第2页
2/43
三通一平施工组织设计_第3页
3/43
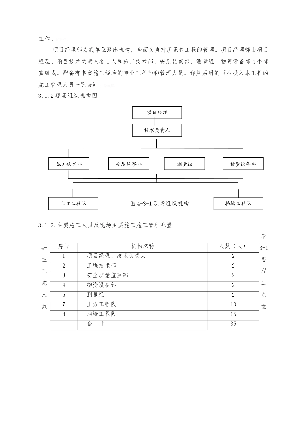
施工组织设计1.编制说明1.1.编制依据(一)XXXXXXXXXXXXXX110kV 变电站“三通一平”工程招标文件;(二)XXXXXXXXXXXXXX110kV 变电站“三通一平”工程设计交底及图纸会审纪要;(三)《土方与爆破作业工程施工及验收法律规范》;(四)《建筑地基基础工程施工质量验收法律规范》(GB50202-2025);(五)《工程测量法律规范》(GB50026-93);(六)《建筑边坡工程技术法律规范》(GB50330-2025);(七)国家现行的有关法律法规;(八)我单位踏勘现场及调查咨询资料;(九)XXXXXXXXXXXXXX110kV 变电站工程地勘资料。(十)我单位拥有的科技成果、工法成果、机械设备、技术水平和施工能力,以及参加类似工程施工积累的施工经验。av8DM。1.2.编制原则(一)全面满足招标文件、招标设计图纸、施工法律规范和各项技术要求。(二)严格根据 ISO9001 国际标准质量管理体系和项目法施工要求进行施工管理和质量控制。建立健全质量保证体系,强化施工安全技术组织措施,使各项工作落到实处,为本标段有序、高效地进行施工制造良好的条件。H5psT。(三)统筹安排,科学合理。根据现场勘察调查资料、业主招标文件资料及本工程的工程特点,全面规划、统筹安排,突出重点难点及关键工序,采纳科学合理的施工方法,确保施工组织设计满足业主招标文件要求。XlBS2。(四)采纳“四新”先进技术。结合工程特点,积极推广使用新技术、新工艺、新材料、新设备,确保施工质量。(五)结合实际,经济可靠,优化方案,降低成本;方案的确定要充分论证,确保实行施工方案的可靠性,满足施工的总体安排。E3KXJ。(六)根据气候条件,实行得力措施,科学地安排不同季节施工。(七)所需资源配备确保满足工程施工需要。(八)注重环境保护,实行得力的水土保护及相关环保措施。(九)注重安全生产,文明施工,实行有力的保证措施。(十)实施项目法管理,通过对劳力、设备、材料、资金、技术、方案和信息的优化处置,实现造价、工期、质量目标效果。dFYAI。(十一)严守承诺,全面履行合同。投标书中的承诺将是我单位中标后忠实不渝的行动准则。2.工程概述2.1.工程说明(一)工程名称XXXXXXXXXXXXXX110kV 变电站“三通一平”工程(二)工程建设地点南安市东田镇蓝溪村(三)工程内容场平土石方、挡土墙、围墙及排水沟工程。(四)验收标准和质量目标本工程严格按设计施工图及现行有关技术要求组织施工,按设计文件、说明及现行有关规定进行竣工验收和工程质量检验评...

1、当您付费下载文档后,您只拥有了使用权限,并不意味着购买了版权,文档只能用于自身使用,不得用于其他商业用途(如 [转卖]进行直接盈利或[编辑后售卖]进行间接盈利)。
2、本站所有内容均由合作方或网友上传,本站不对文档的完整性、权威性及其观点立场正确性做任何保证或承诺!文档内容仅供研究参考,付费前请自行鉴别。
3、如文档内容存在违规,或者侵犯商业秘密、侵犯著作权等,请点击“违规举报”。

碎片内容

三通一平施工组织设计

您可能关注的文档

确认删除?
VIP
微信客服
  • 扫码咨询
会员Q群
  • 会员专属群点击这里加入QQ群
客服邮箱
回到顶部