电脑桌面
添加小米粒文库到电脑桌面
安装后可以在桌面快捷访问

交通围蔽安全施工方案3

交通围蔽安全施工方案3_第1页
1/6
交通围蔽安全施工方案3_第2页
2/6
交通围蔽安全施工方案3_第3页
3/6
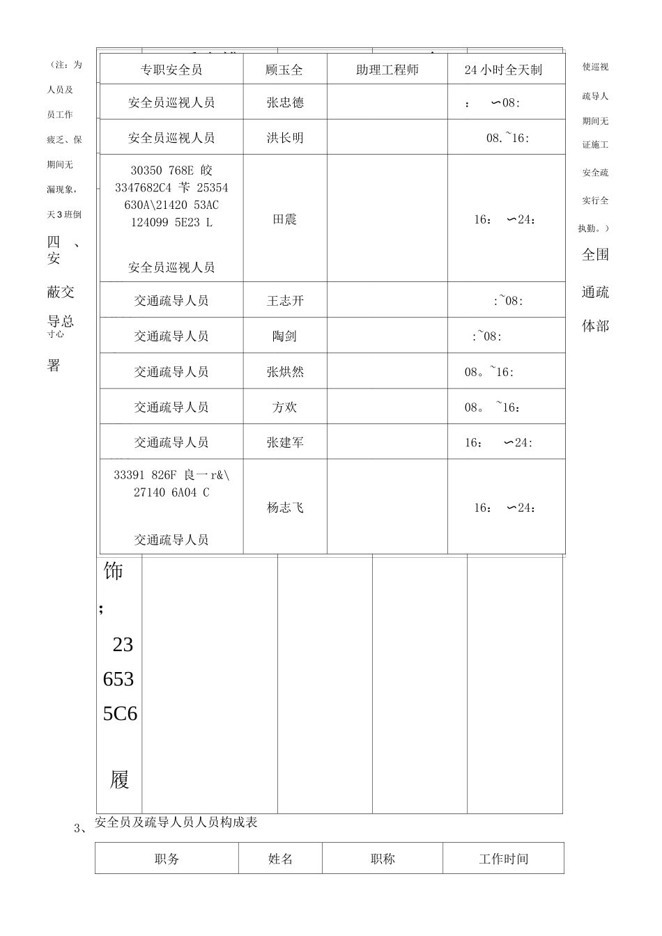
德龙大道升级改造工程交通围蔽安全施工方案(K3+150 -K3+603。895)编制人:审批人:编制单位:太平洋建设集团有限公司编制日期: 年 月 日目 录一、编制依据1二、 工程概况 1三、人员、设备及工期安排—2四、 安全围蔽交通疏导总体部署 2五、 安全围蔽交通疏导方案具体操作、管理及措施 3德龙大道升级改造工程交通围蔽安全施工方案一、编制依据1、运用科学的管理原则,杜绝在本施工场地内发生任何交通事故,将交通堵塞降到最低点。2、强化综合协调与管理,充分利用人力资源、机械设备、保质保量,在保证施工期间不出现交通事故及尽量不影响交通的前提下缩短工期,以便尽快开放交通是本方案的前提思想。3、高度重视安全管理,设立针对性措施以保证施工安全,实现文明施工。36236 8D8C 31240 7A0821671 54A7 咧 lq29985 75214、中华人民共和国《安全法》及安全施工条例规定。5、《德龙大道升级改造工程设计图纸》有关安全及说明。6、德龙大道升级改造工程《招投标文件》有关安全施工条款之说明。7、业主有关安全文件之规定.二、工程概况1、工程简介德龙大道现状为双向四车道的公路,南接 S114,北至 S269,总长度约 8。2km,规划道路红线宽度为36~45 米,为迎接园区企业落户,将现状德龙大道进行市政化改造,改造分期分段进行,本次改造内容为一期改造工程。一期工程主要设计内容为按现状路面加铺沥青砼,交通工程(含监控),中央绿化带绿化升级改造,K2+7~K4+8 段电力管沟工程设计,K2+7~K6+220 段两侧按人行道边线进行放坡。此次设计范围为中央绿化带,道路总长 8.2km,绿化总面积 12294m2。2、围蔽施工段落围蔽施工段落:K3+150 (华清大道交接处)〜K3+603。895 (德清大道交接处),及顶管施工区域 YB2 〜YB1(K3+013.4)处、YB23 〜YC23(K3+925 )处、YB73 〜YB68(K5+495)处。三、人员、设备及工期的安排1、本次围蔽施工计划于 2025 年 08 月 26 日开工,2025 年 09 月 02 日结束,工期暂定为 XX 自然日完成该段施工作业。2、安全围蔽设施设备配置表序机械名称型号数量备注298197473294580B肱铁马4 个3反光锥50 个4导流牌8 个5对讲机10 个6反光衣18 个:c39196991C39280997饰;236535C6履指挥棒18 只安全员及疏导人员人员构成表职务姓名职称工作时间3、(注:为人员及员工作疲乏、保期间无漏现象,天 3 班倒四、安蔽交导总寸心署专职安全员顾玉全助理工程师24 小时全天制安全员巡视人员张忠德: 〜...

1、当您付费下载文档后,您只拥有了使用权限,并不意味着购买了版权,文档只能用于自身使用,不得用于其他商业用途(如 [转卖]进行直接盈利或[编辑后售卖]进行间接盈利)。
2、本站所有内容均由合作方或网友上传,本站不对文档的完整性、权威性及其观点立场正确性做任何保证或承诺!文档内容仅供研究参考,付费前请自行鉴别。
3、如文档内容存在违规,或者侵犯商业秘密、侵犯著作权等,请点击“违规举报”。

碎片内容

交通围蔽安全施工方案3

确认删除?
VIP
微信客服
  • 扫码咨询
会员Q群
  • 会员专属群点击这里加入QQ群
客服邮箱
回到顶部