电脑桌面
添加小米粒文库到电脑桌面
安装后可以在桌面快捷访问

产品生产流程图VIP专享

产品生产流程图_第1页
1/3
产品生产流程图_第2页
2/3
产品生产流程图_第3页
3/3
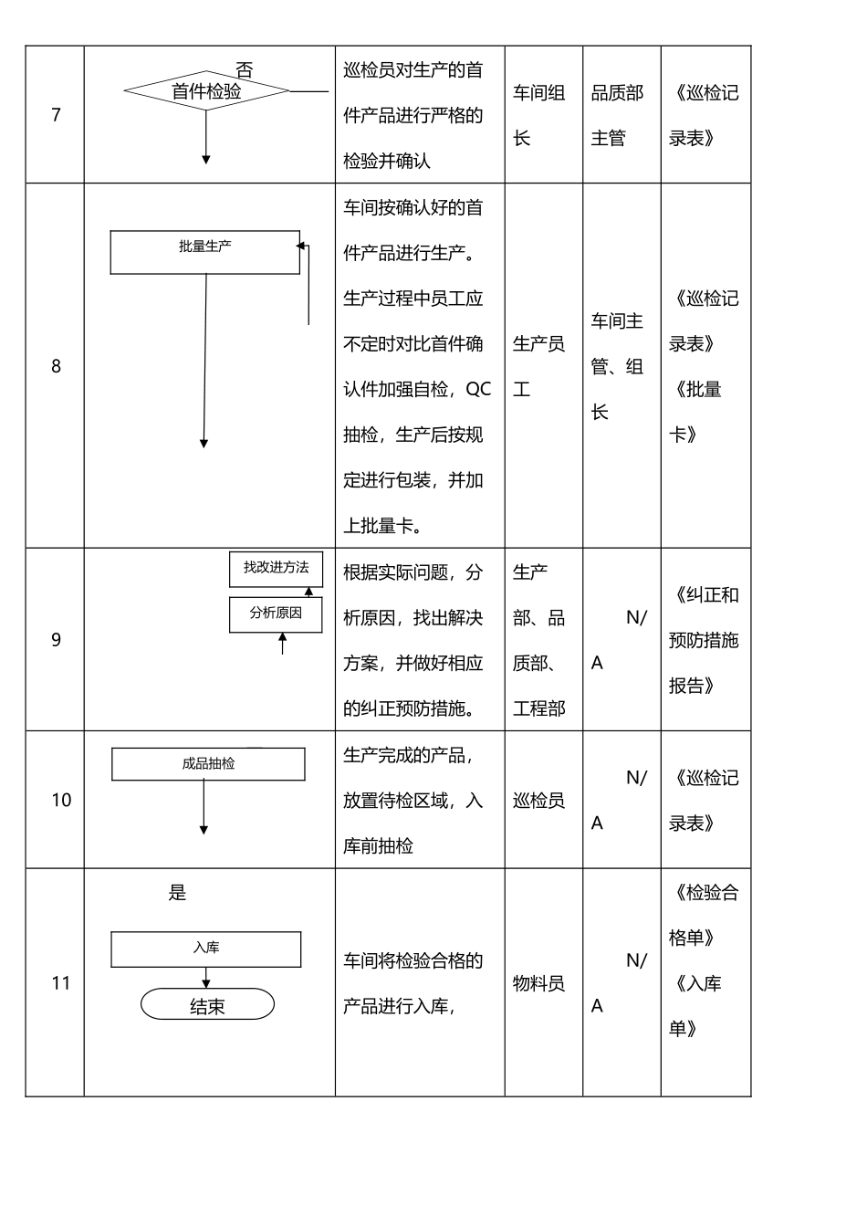
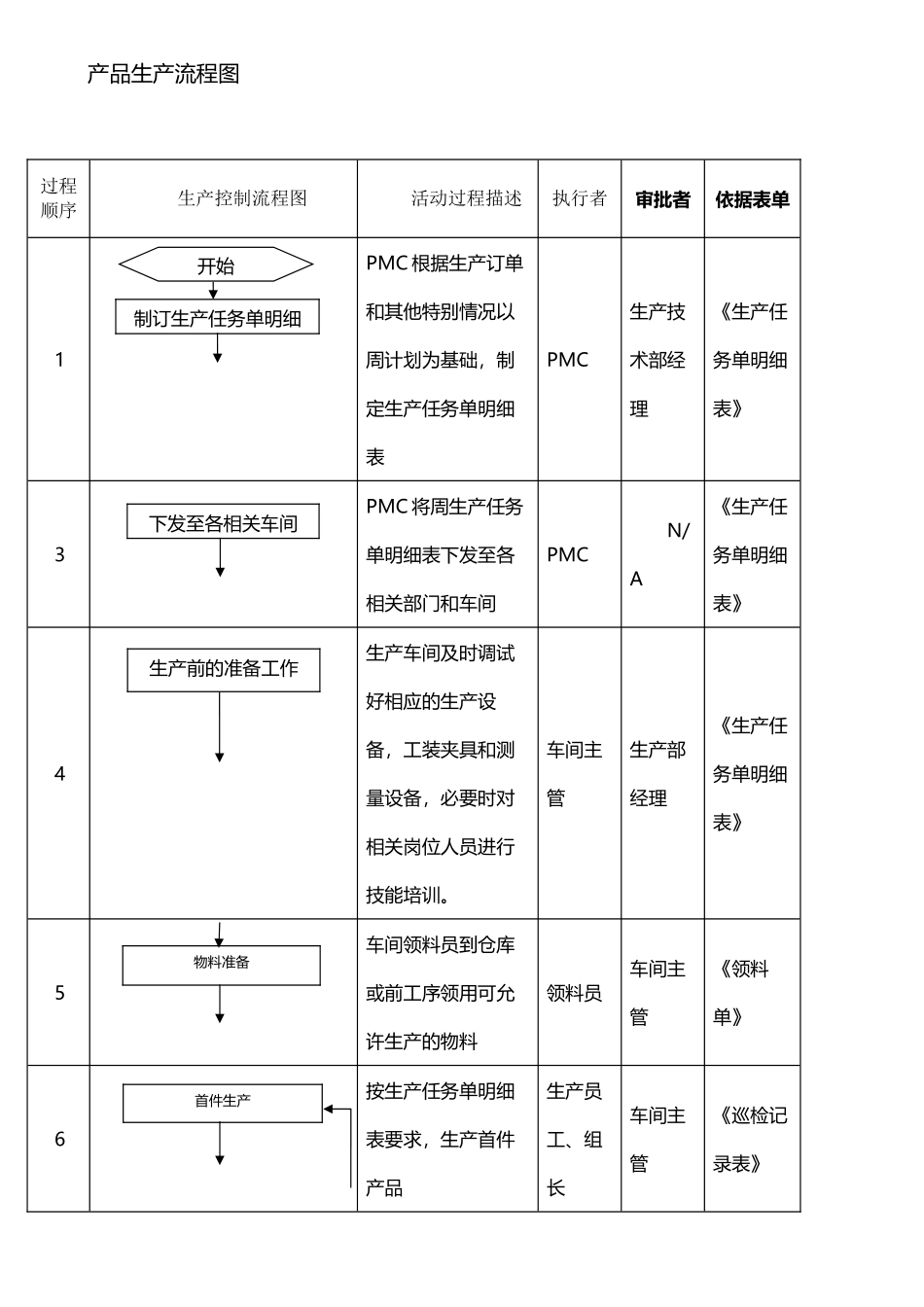
产品生产流程图(2 页)Good is good, but better carries it.精益求精,善益求善。产品生产流程图过程顺序生产控制流程图活动过程描述执行者审批者依据表单1PMC 根据生产订单和其他特别情况以周计划为基础,制定生产任务单明细表PMC生产技术部经理《生产任务单明细表》3PMC 将周生产任务单明细表下发至各相关部门和车间PMCN/A《生产任务单明细表》4生产车间及时调试好相应的生产设备,工装夹具和测量设备,必要时对相关岗位人员进行技能培训。车间主管生产部经理《生产任务单明细表》5车间领料员到仓库或前工序领用可允许生产的物料领料员车间主管《领料单》6按生产任务单明细表要求,生产首件产品生产员工、组长车间主管《巡检记录表》制订生产任务单明细开始下发至各相关车间生产前的准备工作物料准备首件生产7 否巡检员对生产的首件产品进行严格的检验并确认车间组长品质部主管《巡检记录表》8车间按确认好的首件产品进行生产。生产过程中员工应不定时对比首件确认件加强自检,QC抽检,生产后按规定进行包装,并加上批量卡。生产员工车间主管、组长《巡检记录表》《批量卡》9根据实际问题,分析原因,找出解决方案,并做好相应的纠正预防措施。 生产部、品质部、工程部N/A《纠正和预防措施报告》10 否生产完成的产品,放置待检区域,入库前抽检巡检员N/A《巡检记录表》11 是车间将检验合格的产品进行入库,物料员N/A《检验合格单》《入库单》;""、:~:;·^)):(/,~¥¥!·、(【?|)|:/首件检验批量生产找改进方法成品抽检分析原因入库结束

1、当您付费下载文档后,您只拥有了使用权限,并不意味着购买了版权,文档只能用于自身使用,不得用于其他商业用途(如 [转卖]进行直接盈利或[编辑后售卖]进行间接盈利)。
2、本站所有内容均由合作方或网友上传,本站不对文档的完整性、权威性及其观点立场正确性做任何保证或承诺!文档内容仅供研究参考,付费前请自行鉴别。
3、如文档内容存在违规,或者侵犯商业秘密、侵犯著作权等,请点击“违规举报”。

碎片内容

产品生产流程图

确认删除?
VIP
微信客服
  • 扫码咨询
会员Q群
  • 会员专属群点击这里加入QQ群
客服邮箱
回到顶部