电脑桌面
添加小米粒文库到电脑桌面
安装后可以在桌面快捷访问

企业如何落实开展安全风险分级管控工作

企业如何落实开展安全风险分级管控工作_第1页
1/7
企业如何落实开展安全风险分级管控工作_第2页
2/7
企业如何落实开展安全风险分级管控工作_第3页
3/7
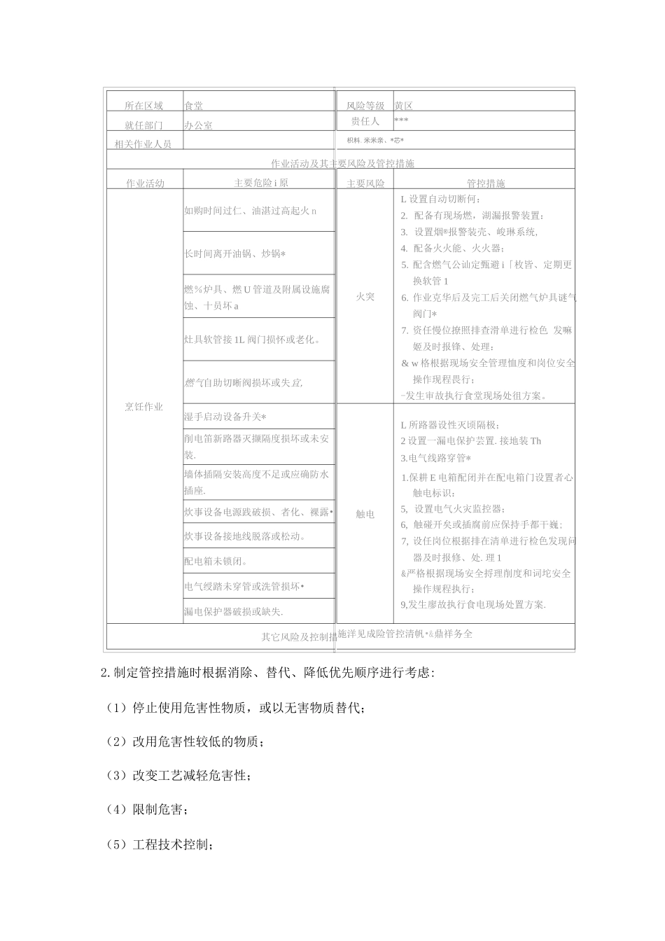
企业如何落实开展安全风险分级管控工作第一步:辨识风险1. 将各场所/设备设施/作业活动作为基本的辨识单元,以确保风险辨识覆盖本单位及相关方作业的所有场所、设备设施和作业活动。2. 对已辨识出的安全风险进行必要的筛选、排除和调整,形成风险辨识清单。第二步:确定等级1. 风险评价方法包括:风险矩阵法俄?法)、作业条件危险性评价法(LEC 法)等,可根据行业主管部门推举的风险评价方法或上级单位要求的评价方法确定等级。2. 风险要进行分级,如红、橙、黄、蓝四个等级。第三步:清单建立1. 建立安全风险辨识、评价清单,清单中至少包括:(1)风险所在场所/部位;(2)风险描述;(3)风险可能导致的后果;(4)风险评价过程;(5)风险等级;(6)控制措施。2. 各生产经营单位可参考某单位办公室职能部门安全风险辨识、评价清单。第四步:管控措施1.根据技术措施、管理措施和个体防护等类型制定控制措施。所在区域食堂就任部门办公室相关作业人员作业活动及其主作业活幼主要危险 i 原烹饪作业如购时间过仁、油湛过高起火 n长时间离开油锅、炒锅*燃%炉具、燃 U 管道及附属设施腐蚀、十员坏 a灶具软管接 1L 阀门损怀或老化。燃气自助切晰阀损坏或失宜,湿手启动设备升关*削电笛新路器灭撷隔度损坏或未安装.墙体插隔安装高度不足或应确防水插座.炊事设备电源践破损、者化、裸露•炊事设备接地线脱落或松动。配电箱未锁闭。电气绶踏未穿管或洗管损坏•漏电保护器破损或缺失.其它风险及控制措风险等级黄区贵任人***枳料.米米亲、*芯*要风险及管控措施主要风险管控措施火突L 设置自动切断何:2. 配备有现场燃,湖漏报警装置:3. 设置烟®报警装壳、峻琳系统,4. 配备火火能、火火器;5. 配含燃气公讪定甄避 i「枚皆、定期更换软管 16. 作业克华后及完工后关闭燃气炉具谜气阀门*7. 资任慢位撩照排查滑单进行检色 发嘛姬及时报锋、处理:& w 格根据现场安全管理恤度和岗位安全操作现程畏行;-发生审故执行食堂现场处徂方案。触电L 所路器设性灭顷隔极;2 设置一漏电保护芸置.接地装 Th3.电气线路穿管*1.保耕 E 电箱配闭并在配电箱门设置者心触电标识:5, 设置电气火灾监控器;6, 触碰开矣或插腐前应保持手都干巍;7, 设任岗位根据排在清单进行检色发现问器及时报修、处.理 1&严格根据现场安全捋理削度和词坨安全操作规程执行;9,发生廖故执行食电现场处置方案.施洋见成险管控清帆•&鼎祥务全2.制定管控措施时根...

1、当您付费下载文档后,您只拥有了使用权限,并不意味着购买了版权,文档只能用于自身使用,不得用于其他商业用途(如 [转卖]进行直接盈利或[编辑后售卖]进行间接盈利)。
2、本站所有内容均由合作方或网友上传,本站不对文档的完整性、权威性及其观点立场正确性做任何保证或承诺!文档内容仅供研究参考,付费前请自行鉴别。
3、如文档内容存在违规,或者侵犯商业秘密、侵犯著作权等,请点击“违规举报”。

碎片内容

企业如何落实开展安全风险分级管控工作

您可能关注的文档

雏圣文化+ 关注
实名认证
内容提供者

欢迎光临,大量办公文档供您挑选。

确认删除?
VIP
微信客服
  • 扫码咨询
会员Q群
  • 会员专属群点击这里加入QQ群
客服邮箱
回到顶部