电脑桌面
添加小米粒文库到电脑桌面
安装后可以在桌面快捷访问

加氢装置仪表联校及联锁试验方案

加氢装置仪表联校及联锁试验方案_第1页
1/9
加氢装置仪表联校及联锁试验方案_第2页
2/9
加氢装置仪表联校及联锁试验方案_第3页
3/9
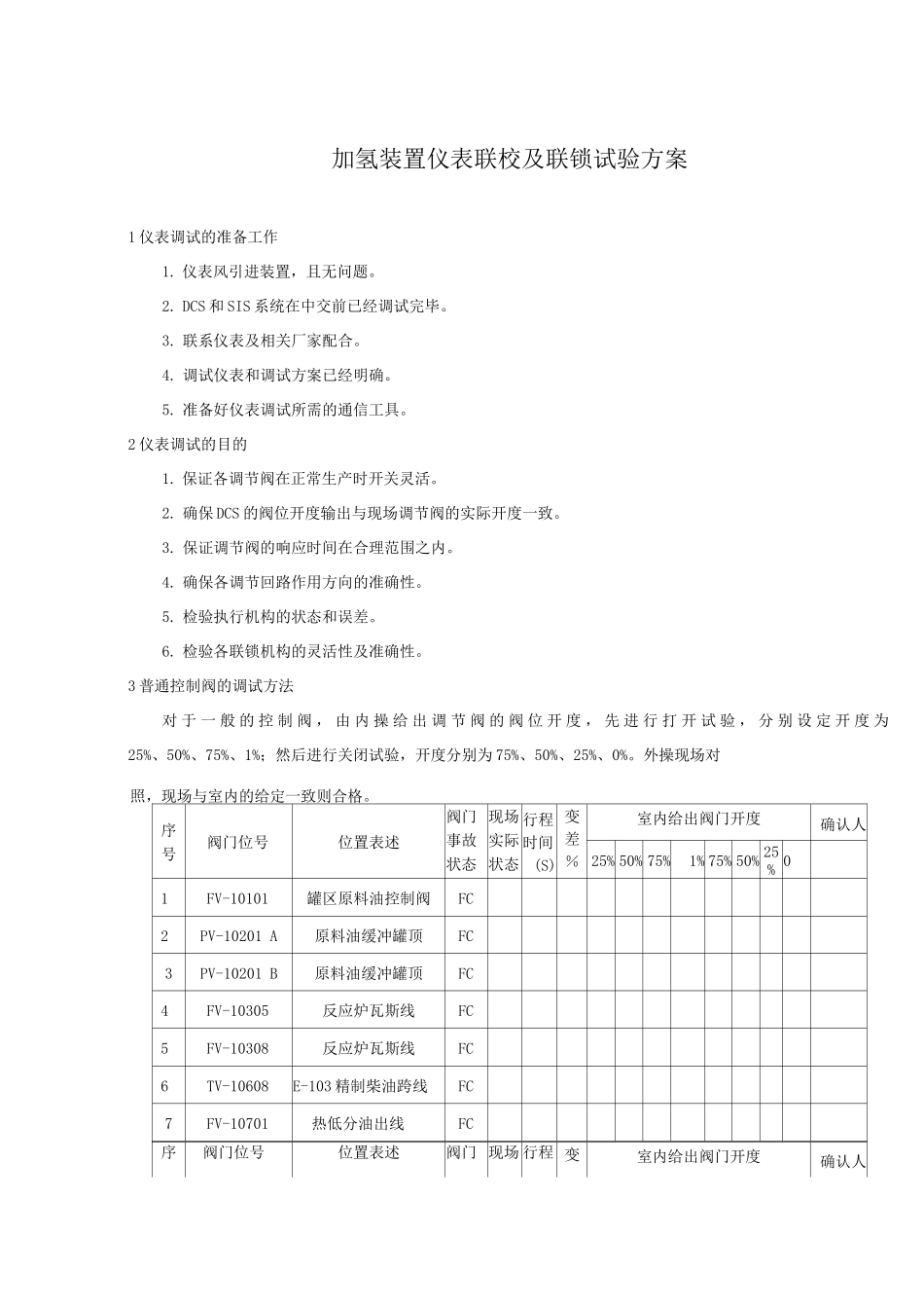
加氢装置仪表联校及联锁试验方案1 仪表调试的准备工作1. 仪表风引进装置,且无问题。2. DCS 和 SIS 系统在中交前已经调试完毕。3. 联系仪表及相关厂家配合。4. 调试仪表和调试方案已经明确。5. 准备好仪表调试所需的通信工具。2 仪表调试的目的1. 保证各调节阀在正常生产时开关灵活。2. 确保 DCS 的阀位开度输出与现场调节阀的实际开度一致。3. 保证调节阀的响应时间在合理范围之内。4. 确保各调节回路作用方向的准确性。5. 检验执行机构的状态和误差。6. 检验各联锁机构的灵活性及准确性。3 普通控制阀的调试方法对 于 一 般 的 控 制 阀 , 由 内 操 给 出 调 节 阀 的 阀 位 开 度 , 先 进 行 打 开 试 验 , 分 别 设 定 开 度 为25%、50%、75%、1%;然后进行关闭试验,开度分别为 75%、50%、25%、0%。外操现场对照,现场与室内的给定一致则合格。序号阀门位号位置表述阀门事故状态现场实际状态行程时间(S)变差%室内给出阀门开度确认人25% 50% 75%1% 75% 50% 25% 01FV-10101罐区原料油控制阀FC2PV-10201 A原料油缓冲罐顶FC3PV-10201 B原料油缓冲罐顶FC4FV-10305反应炉瓦斯线FC5FV-10308反应炉瓦斯线FC6TV-10608E-103 精制柴油跨线FC7FV-10701热低分油出线FC序阀门位号位置表述阀门 现场 行程 变室内给出阀门开度确认人号事故 实际 时间差%25% 50% 75%1%75% 50% 25% 08LV-11102D-105 污水出线FC9FV-11102冷低分油出线FC10PV-11101冷低分气出线FC11PV-10901 A注水罐顶FC12PV-10901 B注水罐顶FC13FV-10906注水罐来水线FC14PV-11301A贫胺液罐顶FC15PV-11301B贫胺液罐顶FC16FV-11301贫胺液罐来液线FC17TV-11303贫胺液冷却器旁路FC18LV-11202循环氢脱硫塔底富胺液出线FC19PV-11402汽轮机出背压蒸汽出线FO20PV-30301D-309 顶FC21LV-30301D-309 液体出线FC22FV-20251汽提塔汽提蒸汽线FC23FV-20251汽提塔顶回流线FO24LV-20251D-201 油进分馏塔前FC25FV-20252D-201 油出装置线FC26PV-20251汽提塔顶回流罐顶FC27LV-20251D-201 污水出线FC28FV-20502F-201 一路进料线FO29FV-20503F-201 二路进料线FO30FV-20504F-201 三路进料线FO31FV-20505F-201 四路进料线FO序号阀门位号位置表述阀门事故状态现场实际状态行程时间(S)变差%室内给出阀门开度确认人25% 50% 75%1%75% 50% 25% 032FV-20506F-201 五路进料线FO33FV-20507F-201 六路进料线FO34PV-20502F-20...

1、当您付费下载文档后,您只拥有了使用权限,并不意味着购买了版权,文档只能用于自身使用,不得用于其他商业用途(如 [转卖]进行直接盈利或[编辑后售卖]进行间接盈利)。
2、本站所有内容均由合作方或网友上传,本站不对文档的完整性、权威性及其观点立场正确性做任何保证或承诺!文档内容仅供研究参考,付费前请自行鉴别。
3、如文档内容存在违规,或者侵犯商业秘密、侵犯著作权等,请点击“违规举报”。

碎片内容

加氢装置仪表联校及联锁试验方案

您可能关注的文档

确认删除?
VIP
微信客服
  • 扫码咨询
会员Q群
  • 会员专属群点击这里加入QQ群
客服邮箱
回到顶部