电脑桌面
添加小米粒文库到电脑桌面
安装后可以在桌面快捷访问

危险废物台账表

危险废物台账表_第1页
1/3
危险废物台账表_第2页
2/3
危险废物台账表_第3页
3/3
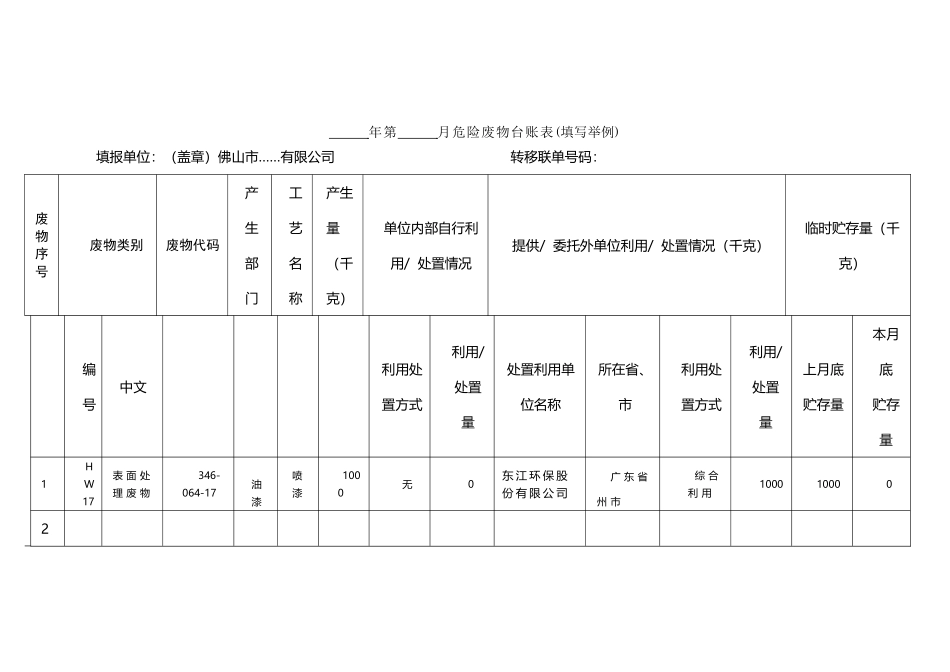
危险废物台账表(样板)(1页)Good is good, but better carries it.精益求精,善益求善。 年第 月危险废物台账表(填写举例)填报单位:(盖章)佛山市……有限公司 转移联单号码:废物序号废物类别废物代码产生部门工艺名称产生量(千克)单位内部自行利用/ 处置情况提供/ 委托外单位利用/ 处置情况(千克)临时贮存量(千克)编号中文利用处置方式利用/ 处置量处置利用单位名称所在省、市利用处置方式利用/ 处置量上月底 贮存量本月底 贮存量1HW17表 面 处理 废 物 346-064-17 油漆喷漆 1000 无 0东 江 环 保 股份 有 限 公 司 广 东 省州 市 综 合利 用 1000 1000 02 3 合计 单位负责人:(盖章)李某 填报人:陈某 联系电话: 填报日期: 年 月 日填报说明:1、本报表可使用A4或A3纸,可按需要加页。编号不同,但特性完全一致的废物可在废物编号栏注明相应的多个编号,一并统计。2、同一编号废物假如存在多种利用处置方式,则应分别填写所对应的利用处置量。3、产生量:可由产生环节记录表统计汇总。4、单位内部自行处置或利用情况:可根据单位内部自行利用/处置记录表统计汇总。5、提供/委托外单位利用/处置情况:可根据危险废物产生环节及贮存环节记录表相关信息统计分析。同一编号废物提供多个外单位利用处置危险废物的,要分别填写各外单位相关信息。6 、临时贮存量情况:根据危险废物库存环节记录表进行统计分析。上月底贮存量+入库量-出库量=本月底贮存量。、》'》{~%[/'-~;)?);~`-?{";({[#.\

1、当您付费下载文档后,您只拥有了使用权限,并不意味着购买了版权,文档只能用于自身使用,不得用于其他商业用途(如 [转卖]进行直接盈利或[编辑后售卖]进行间接盈利)。
2、本站所有内容均由合作方或网友上传,本站不对文档的完整性、权威性及其观点立场正确性做任何保证或承诺!文档内容仅供研究参考,付费前请自行鉴别。
3、如文档内容存在违规,或者侵犯商业秘密、侵犯著作权等,请点击“违规举报”。

碎片内容

危险废物台账表

确认删除?
VIP
微信客服
  • 扫码咨询
会员Q群
  • 会员专属群点击这里加入QQ群
客服邮箱
回到顶部